电脑桌面
添加小米粒文库到电脑桌面
安装后可以在桌面快捷访问

0水利水电工程质量评定表VIP免费

0水利水电工程质量评定表_第1页
1/76
0水利水电工程质量评定表_第2页
2/76
0水利水电工程质量评定表_第3页
3/76
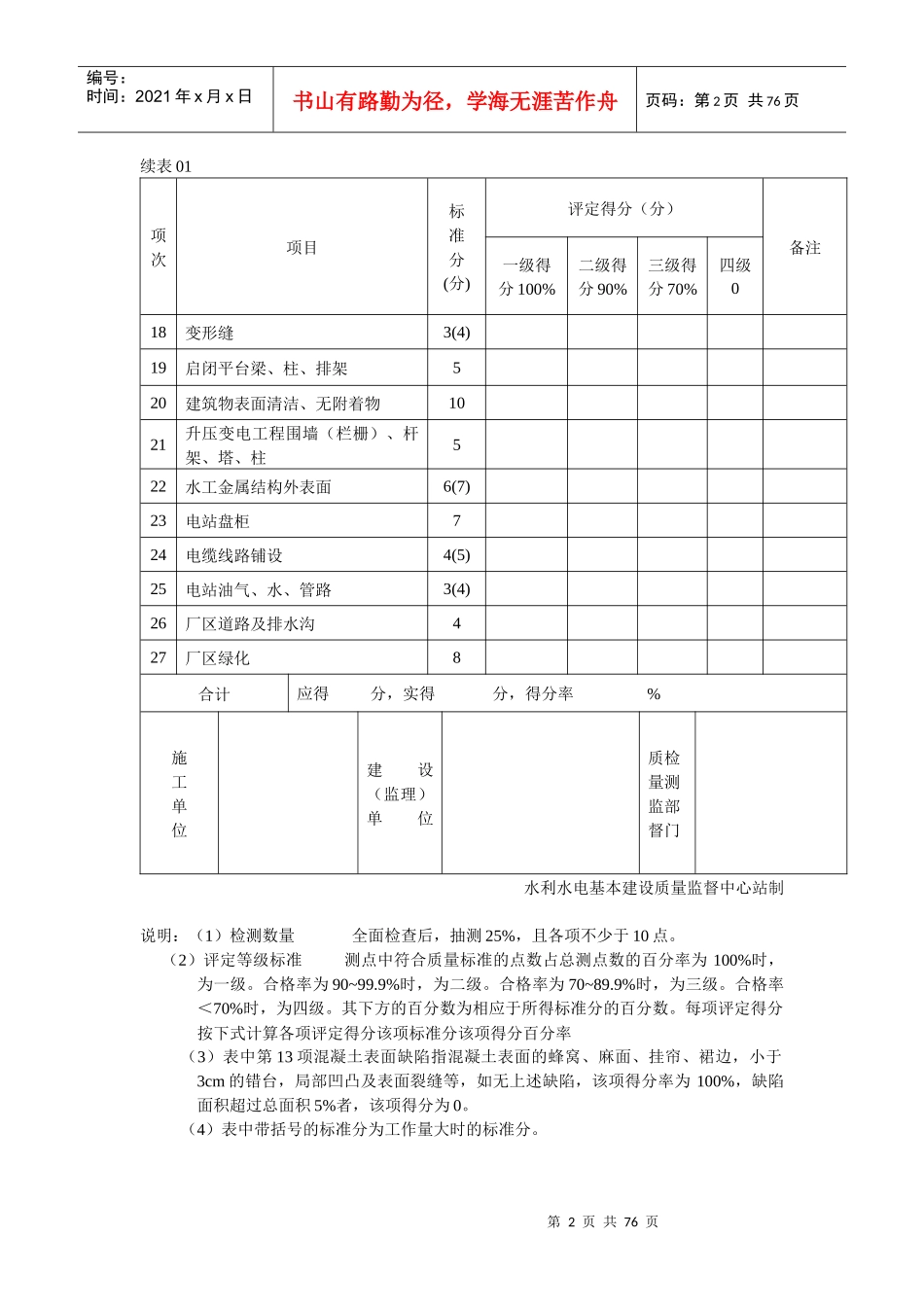
第1页共76页编号:时间:2021年x月x日书山有路勤为径,学海无涯苦作舟页码:第1页共76页水利水电工程表01水工建筑物外观质量评定表单位工程名称施工单位主要工程质量评定日期年月日项次项目标准分(分)评定得分(分)备注一级得分100%二级得分90%三级得分70%四级01建筑物外部尺寸122轮廓线顺直103表面平整度104立面垂直度105大角方正56曲面与平面联结平顺97扭面与平面联结平顺98马道及排水沟3(4)9梯步2(3)10栏杆2(3)11扶梯212闸坝灯饰213混凝土表面无缺陷1014表面钢筋割除2(4)15砌体勾缝宽度均匀、平整416竖、横缝平直417浆砌卵石露头均匀、整齐8水利水电基本建设质量监督中心站制第2页共76页第1页共76页编号:时间:2021年x月x日书山有路勤为径,学海无涯苦作舟页码:第2页共76页续表01项次项目标准分(分)评定得分(分)备注一级得分100%二级得分90%三级得分70%四级018变形缝3(4)19启闭平台梁、柱、排架520建筑物表面清洁、无附着物1021升压变电工程围墙(栏栅)、杆架、塔、柱522水工金属结构外表面6(7)23电站盘柜724电缆线路铺设4(5)25电站油气、水、管路3(4)26厂区道路及排水沟427厂区绿化8合计应得分,实得分,得分率%施工单位建设(监理)单位质检量测监部督门水利水电基本建设质量监督中心站制说明:(1)检测数量全面检查后,抽测25%,且各项不少于10点。(2)评定等级标准测点中符合质量标准的点数占总测点数的百分率为100%时,为一级。合格率为90~99.9%时,为二级。合格率为70~89.9%时,为三级。合格率<70%时,为四级。其下方的百分数为相应于所得标准分的百分数。每项评定得分按下式计算各项评定得分该项标准分该项得分百分率(3)表中第13项混凝土表面缺陷指混凝土表面的蜂窝、麻面、挂帘、裙边,小于3cm的错台,局部凹凸及表面裂缝等,如无上述缺陷,该项得分率为100%,缺陷面积超过总面积5%者,该项得分为0。(4)表中带括号的标准分为工作量大时的标准分。第3页共76页第2页共76页编号:时间:2021年x月x日书山有路勤为径,学海无涯苦作舟页码:第3页共76页水利水电工程表03分部工程质量评定表单位工程名称施工单位分部工程名称施工日期年月日分部工程量评定日期年月日项次单元工程类别工程量单元工程个数合格个数其中优良个数备注123456合计主要(重要、关键)单元工程施工单位评定意见监理单位复核意见质量监督机构核定(大型水利枢纽主体建筑物的分部工程)核定意见:核定等级:核定人:(签名)项目站负责人:(签名)水利水电基本建设质量监督中心站制注:分部工程质量在施工单位质检部门自评的基础上。由监理单位复核其质量等级。大型水利枢纽工程主体建筑的分部工程质量,在施工单位自评、监理单位复核后,需报质量监督机构核定其质量等级。第4页共76页第3页共76页编号:时间:2021年x月x日书山有路勤为径,学海无涯苦作舟页码:第4页共76页第5页共76页第4页共76页编号:时间:2021年x月x日书山有路勤为径,学海无涯苦作舟页码:第5页共76页水利水电工程表04施工质量检验资料核查表单位工程名称发电厂房工程施工单位核定日期年月日项次项目份数核查情况1原材料水泥出厂合格证、厂家试验报告2钢材出厂合格证、厂家试验报告3外加剂出厂合格证及技术性能指标4粉煤灰出厂合证及技术性能指标5防水带出厂合格证、厂家试验报告6止水带出厂合格证技术性能指标7土工布出厂合格证及技术性能度验报告8装饰材料出厂合格证及技术性能指标9水泥复验报告及统计资料10钢材复验报告及统计资料11其他原材料出厂合格证及技术性能指标12中间产品砂、石料骨料试验资料13石料试验资料14混凝土拌和物检查资料15混凝土试件统计资料16砂浆拌和物及试件统计资料17混凝土预制件(块)检验资料18金属结构及启闭机栏污栅出厂合格证及有关技术文件19闸门出厂合格证及有关技术文件20启闭机出厂合格证及有关技术文件21压力钢管生产许可证及有关技术文件22闸门、栏污栅安装测量记录23压力钢管安装测量记录24启闭机安装测量记录25焊接记录及探伤报告26焊工资质证明材料(复印件)27运行试验记录水利水电基本建设质量监督中心站制第6页共76页第5页共76页编号:时间:2021年x月x日书山有路勤为径,...

1、当您付费下载文档后,您只拥有了使用权限,并不意味着购买了版权,文档只能用于自身使用,不得用于其他商业用途(如 [转卖]进行直接盈利或[编辑后售卖]进行间接盈利)。
2、本站所有内容均由合作方或网友上传,本站不对文档的完整性、权威性及其观点立场正确性做任何保证或承诺!文档内容仅供研究参考,付费前请自行鉴别。
3、如文档内容存在违规,或者侵犯商业秘密、侵犯著作权等,请点击“违规举报”。

碎片内容

0水利水电工程质量评定表

教育教学文库+ 关注
实名认证
内容提供者

本店有大量的教育教学资料,课件

确认删除?
VIP
微信客服
  • 扫码咨询
会员Q群
  • 会员专属群点击这里加入QQ群
客服邮箱
回到顶部