电脑桌面
添加小米粒文库到电脑桌面
安装后可以在桌面快捷访问

活用QC有效解决问题(上)(修改稿)VIP免费

活用QC有效解决问题(上)(修改稿)_第1页
1/9
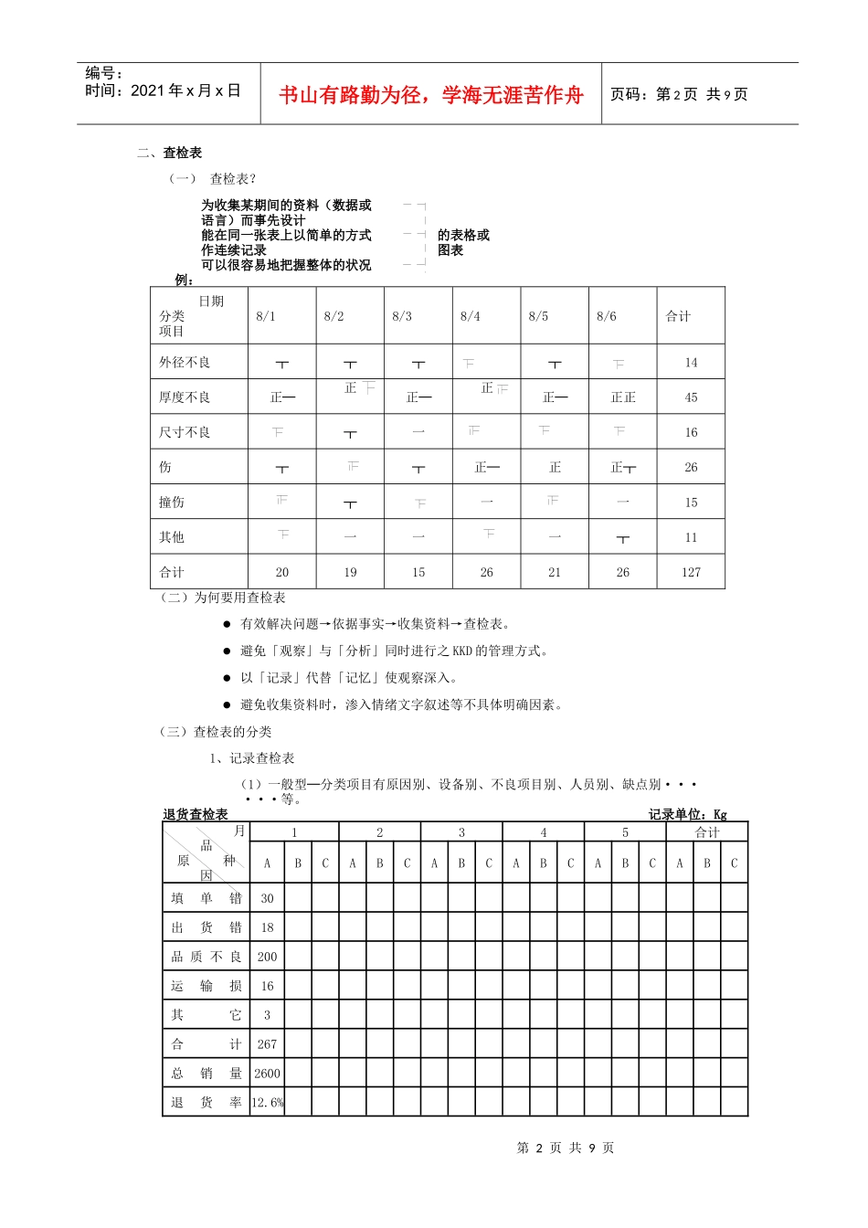
活用QC有效解决问题(上)(修改稿)_第2页
2/9
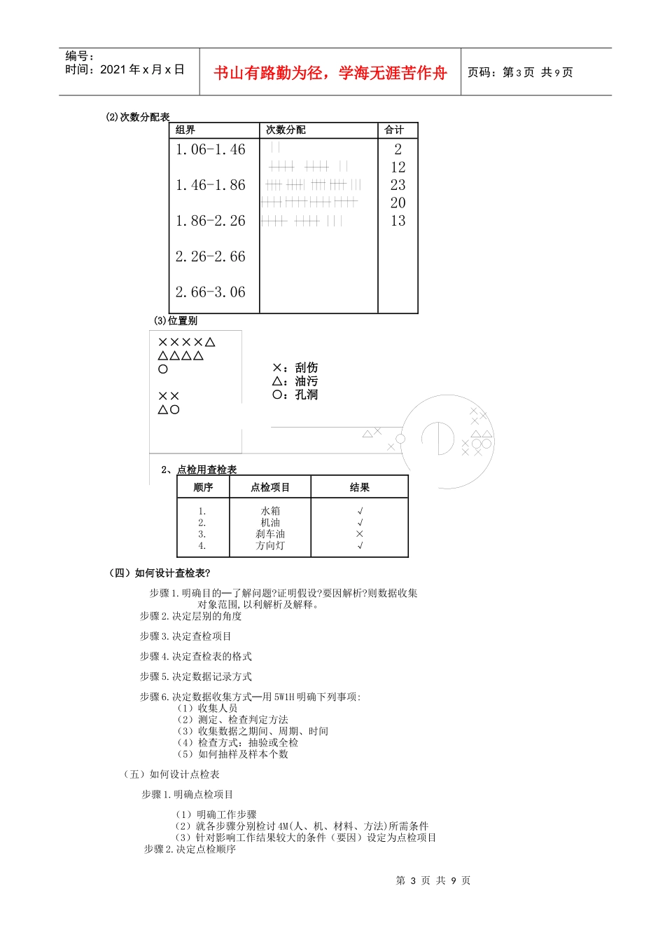
活用QC有效解决问题(上)(修改稿)_第3页
3/9
第1页共9页发现问题明确问题原因分析提出对策与实施效果确认标准化与检讨编号:时间:2021年x月x日书山有路勤为径,学海无涯苦作舟页码:第1页共9页一、层别法(一)、何谓层别法?就某角度针对调查事象分类(分层),并收集各类资料(数据)以为相互比较。(二)、为何要用层别法?1、要迅速有效解决问题,在整个过程中皆透过比较方式;而要比较一定要层别。2、以QC历程而言问题显在化←比较←层别缩小问题范围←比较←层别掌握重要要因←比较←层别对策评价←比较←层别透过比较改进本期缺点与订定未来方向3、以科学思考原则而言观察、假设、证明、结论皆需层别比较。(三)层别角度1、人─组、班、年龄、服务年资、教育程度、性别、熟练度、职称。2、原材料─批别、供应厂家别、产地别、成分、等级、零件别。3、机械与工具─机号、型式、速度、位置、新旧、治具。4、作业条件─压力、温度、速度、回转速、湿度、气温、顺序、作业方法。5、测定与检查─测定者、检查员、检查方法、量测仪器。6、产品─批、品种、新旧制品。7、不良与错误状况─不良项目别、错误项目别、发生位置别、发生地点别、发生工程别。8、时间─时别、日别、周别、月别、上、下午别、年别、改善前后别、正常班与加班别。(四)应注意事项:层别角度的选择依目的并配合专业知识考虑。层别分类需符合「周延」「互斥」原则。层别时勿将两个以上角度混杂分类。尽量将层别观念溶进其他手法,如查检表、柏拉图、推移图、直方图、散布图、管制图等。层别后应进行比较(或检定)各作业条件是否有差异。←层别改善前、中、后比较←层别第2页共9页第1页共9页编号:时间:2021年x月x日书山有路勤为径,学海无涯苦作舟页码:第2页共9页二、查检表(一)查检表?为收集某期间的资料(数据或语言)而事先设计能在同一张表上以简单的方式的表格或作连续记录图表可以很容易地把握整体的状况例:日期分类项目8/18/28/38/48/58/6合计外径不良┬┬┬┬14厚度不良正─正正─正正─正正45尺寸不良┬一16伤┬┬正─正正┬26撞伤┬一一15其他一一一┬11合计201915262126127(二)为何要用查检表有效解决问题→依据事实→收集资料→查检表。避免「观察」与「分析」同时进行之KKD的管理方式。以「记录」代替「记忆」使观察深入。避免收集资料时,渗入情绪文字叙述等不具体明确因素。(三)查检表的分类1、记录查检表(1)一般型─分类项目有原因别、设备别、不良项目别、人员别、缺点别······等。退货查检表记录单位:Kg月品原种因12345合计ABCABCABCABCABCABC填单错30出货错18品质不良200运输损16其它3合计267总销量2600退货率12.6%第3页共9页第2页共9页××××△△△△△○××△○编号:时间:2021年x月x日书山有路勤为径,学海无涯苦作舟页码:第3页共9页(2)次数分配表组界次数分配合计1.06-1.461.46-1.861.86-2.262.26-2.662.66-3.06212232013(3)位置别2、点检用查检表顺序点检项目结果1.2.3.4.水箱机油刹车油方向灯√√×√(四)如何设计查检表?步骤1.明确目的─了解问题?证明假设?要因解析?则数据收集对象范围,以利解析及解释。步骤2.决定层别的角度步骤3.决定查检项目步骤4.决定查检表的格式步骤5.决定数据记录方式步骤6.决定数据收集方式─用5W1H明确下列事项:(1)收集人员(2)测定、检查判定方法(3)收集数据之期间、周期、时间(4)检查方式:抽验或全检(5)如何抽样及样本个数(五)如何设计点检表步骤1.明确点检项目(1)明确工作步骤(2)就各步骤分别检讨4M(人、机、材料、方法)所需条件(3)针对影响工作结果较大的条件(要因)设定为点检项目步骤2.决定点检顺序×:刮伤△:油污○:孔洞第4页共9页第3页共9页×××人为疏忽放置不当造成破损转化成现象造成刮伤转化成现象不良率厚度不良擦伤长度不良外径不良其他累积百分比(%)编号:时间:2021年x月x日书山有路勤为径,学海无涯苦作舟页码:第4页共9页步骤3.决定点检周期步骤4.决定点检表格式(六)应注意事项设计时查检项目之用词和方式尽量简要具体明确,其他项列入。设计时能参照多数人意见,并让使用人共同参与。设计时尽量考虑多角...

1、当您付费下载文档后,您只拥有了使用权限,并不意味着购买了版权,文档只能用于自身使用,不得用于其他商业用途(如 [转卖]进行直接盈利或[编辑后售卖]进行间接盈利)。
2、本站所有内容均由合作方或网友上传,本站不对文档的完整性、权威性及其观点立场正确性做任何保证或承诺!文档内容仅供研究参考,付费前请自行鉴别。
3、如文档内容存在违规,或者侵犯商业秘密、侵犯著作权等,请点击“违规举报”。

碎片内容

活用QC有效解决问题(上)(修改稿)

您可能关注的文档

确认删除?
VIP
微信客服
  • 扫码咨询
会员Q群
  • 会员专属群点击这里加入QQ群
客服邮箱
回到顶部