电脑桌面
添加小米粒文库到电脑桌面
安装后可以在桌面快捷访问

塑料网喷射混凝土支护工程工序质量验收记录表VIP免费

塑料网喷射混凝土支护工程工序质量验收记录表_第1页
1/130
塑料网喷射混凝土支护工程工序质量验收记录表_第2页
2/130
塑料网喷射混凝土支护工程工序质量验收记录表_第3页
3/130
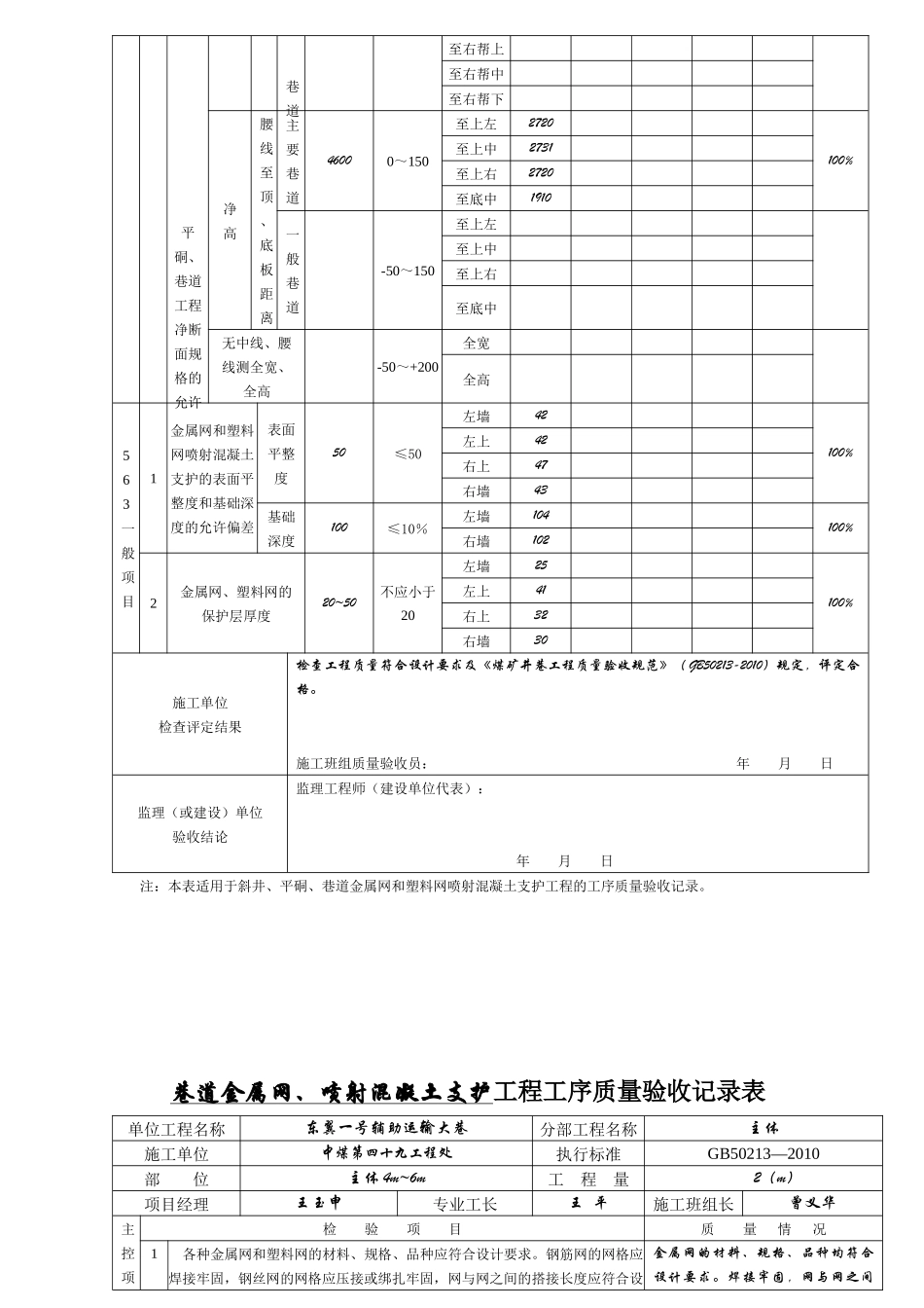
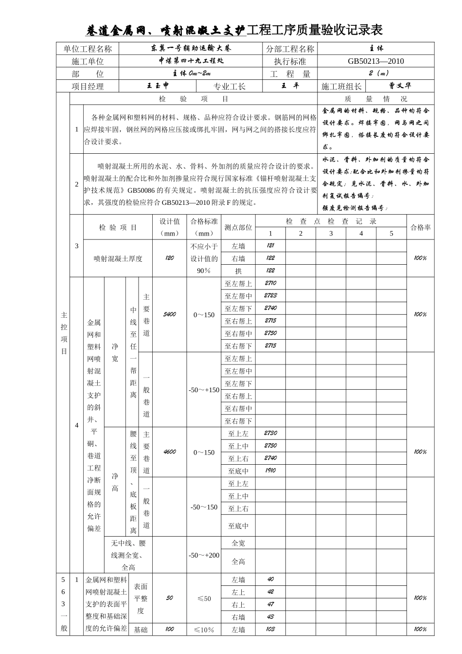
巷道金属网、喷射混凝土支护工程工序质量验收记录表单位工程名称东翼一号辅助运输大巷分部工程名称主体施工单位中煤第四十九工程处执行标准GB50213—2010部位主体0m~2m工程量2(m)项目经理王玉申专业工长王平施工班组长曾义华主控项目检验项目质量情况1各种金属网和塑料网的材料、规格、品种应符合设计要求。钢筋网的网格应焊接牢固,钢丝网的网格应压接或绑扎牢固,网与网之间的搭接长度应符合设计要求。金属网的材料、规格、品种均符合设计要求。焊接牢固,网与网之间绑扎牢固,搭接长度均符合设计要求。2喷射混凝土所用的水泥、水、骨料、外加剂的质量应符合设计的要求。喷射混凝土的配合比和外加剂掺量应符合现行国家标准《锚杆喷射混凝土支护技术规范》GB50086的有关规定。喷射混凝土的抗压强度应符合设计要求,其强度的检验应符合GB50213—2010附录F的规定。水泥、骨料、外加剂的质量均符合设计要求;配合比和外加剂掺量均符合规定;见水泥、骨料、水、外加剂复试报告编号:强度见检测报告编号:3检验项目设计值(mm)合格标准(mm)测点部位检查点检查记录合格率12345喷射混凝土厚度120不应小于设计值的90%左墙121100%右墙122拱1224金属网和塑料网喷射混凝土支护的斜井、平硐、巷道工程净断面规格的允许偏差净宽中线至任一帮距离主要巷道54000~150至左帮上2710100%至左帮中2723至左帮下2740至右帮上2715至右帮中2750至右帮下2715一般巷道-50~+150至左帮上至左帮中至左帮下至右帮上至右帮中至右帮下净高腰线至顶、底板距离主要巷道46000~150至上左2730100%至上中2750至上右2740至底中1910一般巷道-50~150至上左至上中至上右至底中无中线、腰线测全宽、全高-50~+200全宽全高563一般1金属网和塑料网喷射混凝土支护的表面平整度和基础深度的允许偏差表面平整度50≤50左墙40100%左上42右上47右墙43基础100≤10%左墙103100%项目深度右墙1022金属网、塑料网的保护层厚度20~50不应小于20左墙26100%左上41右上22右墙30施工单位检查评定结果检查工程质量符合设计要求及《煤矿井巷工程质量验收规范》(GB50213-2010)规定,评定合格。施工班组质量验收员:年月日监理(或建设)单位验收结论监理工程师(建设单位代表):年月日注:本表适用于斜井、平硐、巷道金属网和塑料网喷射混凝土支护工程的工序质量验收记录。巷道金属网、喷射混凝土支护工程工序质量验收记录表单位工程名称东翼一号辅助运输大巷分部工程名称主体施工单位中煤第四十九工程处执行标准GB50213—2010部位主体2m~4m工程量2(m)项目经理王玉申专业工长王平施工班组长曾义华主控项目检验项目质量情况1各种金属网和塑料网的材料、规格、品种应符合设计要求。钢筋网的网格应焊接牢固,钢丝网的网格应压接或绑扎牢固,网与网之间的搭接长度应符合设计要求。金属网的材料、规格、品种均符合设计要求。焊接牢固,网与网之间绑扎牢固,搭接长度均符合设计要求。2喷射混凝土所用的水泥、水、骨料、外加剂的质量应符合设计的要求。喷射混凝土的配合比和外加剂掺量应符合现行国家标准《锚杆喷射混凝土支护技术规范》GB50086的有关规定。喷射混凝土的抗压强度应符合设计要求,其强度的检验应符合GB50213—2010附录F的规定。水泥、骨料、外加剂的质量均符合设计要求;配合比和外加剂掺量均符合规定;见水泥、骨料、水、外加剂复试报告编号:强度见检测报告编号:3检验项目设计值(mm)合格标准(mm)测点部位检查点检查记录合格率12345喷射混凝土厚度120不应小于设计值的90%左墙123100%右墙121拱1234金属网和塑料网喷射混凝土支护的斜井、净宽中线至任一帮距离主要巷道54000~150至左帮上2715100%至左帮中2723至左帮下2720至右帮上2715至右帮中2750至右帮下2710一般-50~+150至左帮上至左帮中至左帮下平硐、巷道工程净断面规格的允许巷道至右帮上至右帮中至右帮下净高腰线至顶、底板距离主要巷道46000~150至上左2720100%至上中2731至上右2720至底中1910一般巷道-50~150至上左至上中至上右至底中无中线、腰线测全宽、全高-50~+200全宽全高563一般项目1金属网和塑料网喷射混凝土支护的表面平整度和基础深度的允许偏差表面...

1、当您付费下载文档后,您只拥有了使用权限,并不意味着购买了版权,文档只能用于自身使用,不得用于其他商业用途(如 [转卖]进行直接盈利或[编辑后售卖]进行间接盈利)。
2、本站所有内容均由合作方或网友上传,本站不对文档的完整性、权威性及其观点立场正确性做任何保证或承诺!文档内容仅供研究参考,付费前请自行鉴别。
3、如文档内容存在违规,或者侵犯商业秘密、侵犯著作权等,请点击“违规举报”。

碎片内容

塑料网喷射混凝土支护工程工序质量验收记录表

您可能关注的文档

确认删除?
VIP
微信客服
  • 扫码咨询
会员Q群
  • 会员专属群点击这里加入QQ群
客服邮箱
回到顶部