电脑桌面
添加小米粒文库到电脑桌面
安装后可以在桌面快捷访问

新XXXX门安装工程检验批质量验收记录表005VIP专享VIP免费

新XXXX门安装工程检验批质量验收记录表005_第1页
1/7
新XXXX门安装工程检验批质量验收记录表005_第2页
2/7
新XXXX门安装工程检验批质量验收记录表005_第3页
3/7
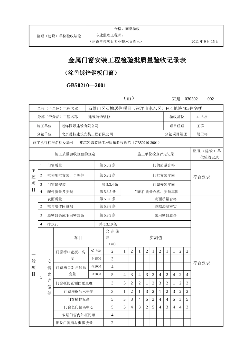
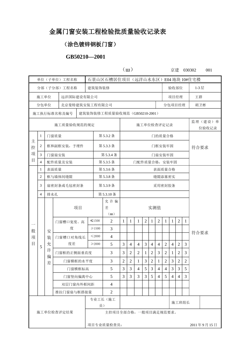
金属门窗安装工程检验批质量验收记录表(涂色镀锌钢板门窗)GB50210—2001(ш)京建030302001单位(子单位)工程名称石景山区石槽居住项目(远洋山水东区)E04地块10#住宅楼分部(子分部)工程名称建筑装饰装修验收部位1-3层施工单位远洋国际建设有限公司项目经理王群分包单位北京曼特建筑安装工程有限公司分包项目经理胡卫彬施工执行标准名称及编号建筑装饰装修工程质量验收规范(GB50210-2001)施工质量验收规范的规定施工单位检查评定记录监理(建设)单位验收记录主控项目1门窗质量第5.3.2条门的质量合格符合要求2框和副框安装,予埋件第5.3.3条门框安装牢固3门窗扇安装第5.3.4条门扇安装牢固4配件质量及安装第5.3.5条门配件质量合格,安装牢固一般项目1表面质量第5.3.6条表面质量合格符合要求2框与墙体间缝隙第5.3.8条缝隙添塞密实3扇密封条或毛毡密封条第5.3.9条采用密封胶条4排水孔第5.3.10条5安装允许偏差项目允许偏差(㎜)实测值门窗槽口宽度、高度≤1500㎜21112121121≥1500㎜3门窗槽口对角线长度差≤2000㎜4≥2000㎜53443442423门窗框的正侧面垂直度33221232123门窗横框的水平度32213212322门窗横框标高53345344335门窗竖向偏离中心53333545443双层门窗内外框间距4推拉门窗扇与框搭接量2施工单位检查评定结果专业工长(施工员)施工班组长主控项目全部合格,一般项目满足规范要求。项目专业质量检查员:2011年9月15日监理(建设)单位验收结论合格,同意验收专业监理工程师:(建设单位项目专业技术负责人)2011年9月15日金属门窗安装工程检验批质量验收记录表(涂色镀锌钢板门窗)GB50210—2001(ш)京建030302002单位(子单位)工程名称石景山区石槽居住项目(远洋山水东区)E04地块10#住宅楼分部(子分部)工程名称建筑装饰装修验收部位4-6层施工单位远洋国际建设有限公司项目经理王群分包单位北京曼特建筑安装工程有限公司分包项目经理胡卫彬施工执行标准名称及编号建筑装饰装修工程质量验收规范(GB50210-2001)施工质量验收规范的规定施工单位检查评定记录监理(建设)单位验收记录主控项目1门窗质量第5.3.2条门的质量合格符合要求2框和副框安装,予埋件第5.3.3条门框安装牢固3门窗扇安装第5.3.4条门扇安装牢固4配件质量及安装第5.3.5条门配件质量合格,安装牢固一般项目1表面质量第5.3.6条表面质量合格符合要求2框与墙体间缝隙第5.3.8条缝隙添塞密实3扇密封条或毛毡密封条第5.3.9条采用密封胶条4排水孔第5.3.10条5安装允许偏差项目允许偏差(㎜)实测值门窗槽口宽度、高度≤1500㎜21212121122≥1500㎜3门窗槽口对角线长度差≤2000㎜4≥2000㎜54343242424门窗框的正侧面垂直度33221232123门窗横框的水平度31213212322门窗横框标高53345344535门窗竖向偏离中心53432543443双层门窗内外框间距4推拉门窗扇与框搭接量2施工单位检查评定结果专业工长(施工员)施工班组长主控项目全部合格,一般项目满足规范要求。项目专业质量检查员:2011年9月16日监理(建设)单位验收结论合格,同意验收专业监理工程师:(建设单位项目专业技术负责人)2011年9月16日金属门窗安装工程检验批质量验收记录表(涂色镀锌钢板门窗)GB50210—2001(ш)京建030302003单位(子单位)工程名称石景山区石槽居住项目(远洋山水东区)E04地块10#住宅楼分部(子分部)工程名称建筑装饰装修验收部位7-9层施工单位远洋国际建设有限公司项目经理王群分包单位北京曼特建筑安装工程有限公司分包项目经理胡卫彬施工执行标准名称及编号建筑装饰装修工程质量验收规范(GB50210-2001)施工质量验收规范的规定施工单位检查评定记录监理(建设)单位验收记录主控项目1门窗质量第5.3.2条门的质量合格符合要求2框和副框安装,予埋件第5.3.3条门框安装牢固3门窗扇安装第5.3.4条门扇安装牢固4配件质量及安装第5.3.5条门配件质量合格,安装牢固一般项目1表面质量第5.3.6条表面质量合格符合要求2框与墙体间缝隙第5.3.8条缝隙添塞密实3扇密封条或毛毡密封条第5.3.9条采用密封胶条4排水孔第5.3.10条5安装允许偏差项目允许偏差(㎜)实测值门窗槽口宽度、高度≤1500㎜21212121122≥1500㎜3门窗槽口对角线长度差...

1、当您付费下载文档后,您只拥有了使用权限,并不意味着购买了版权,文档只能用于自身使用,不得用于其他商业用途(如 [转卖]进行直接盈利或[编辑后售卖]进行间接盈利)。
2、本站所有内容均由合作方或网友上传,本站不对文档的完整性、权威性及其观点立场正确性做任何保证或承诺!文档内容仅供研究参考,付费前请自行鉴别。
3、如文档内容存在违规,或者侵犯商业秘密、侵犯著作权等,请点击“违规举报”。

碎片内容

新XXXX门安装工程检验批质量验收记录表005

确认删除?
VIP
微信客服
  • 扫码咨询
会员Q群
  • 会员专属群点击这里加入QQ群
客服邮箱
回到顶部