电脑桌面
添加小米粒文库到电脑桌面
安装后可以在桌面快捷访问

任务9:某机械厂降压变电所电气设计任务书VIP免费

任务9:某机械厂降压变电所电气设计任务书_第1页
1/4
任务9:某机械厂降压变电所电气设计任务书_第2页
2/4
任务9:某机械厂降压变电所电气设计任务书_第3页
3/4
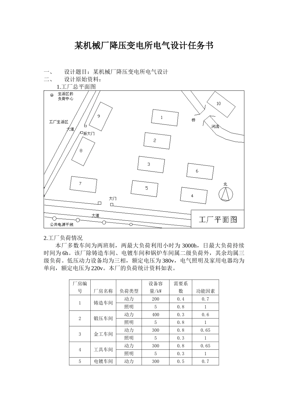
辽宁地质工程职业学院课程设计(论文)任务书某机械厂降压变电所电气设计学生姓名:XXX学号:*************系部:机电系年级专业:2008级电气自动化专业指导教师:×××老师辽宁·丹东提交日期:20**年*月某机械厂降压变电所电气设计任务书一、设计题目:某机械厂降压变电所电气设计二、设计原始资料:1.工厂总平面图2.工厂负荷情况本厂多数车间为两班制,两最大负荷利用小时为3000h,日最大负荷持续时间为6h。该厂除铸造车间、电镀车间和锅炉车间属二级负荷外,其余均属三级负荷。低压动力设备均为三相,额定电压为380v,电气照明及家用电器均为单向,额定电压为220v。本厂的负荷统计资料如表。厂房编号厂房名称负荷类型设备容量/kW需要系数功能因素1铸造车间动力2000.40.7照明50.812锻压车间动力4000.30.6照明50.813金工车间动力3000.80.65照明50.314工具车间动力3000.80.65照明50.315电镀车间动力3000.50.7照明100.816热处理车间动力1500.50.8照明50.917装配车间动力1500.40.75照明100.918机修车间动力1000.20.7照明30.719锅炉房动力500.80.7照明10.9110仓库动力100.30.8照明10.7111生活区照明5000.80.93.供电电源情况按照工厂和当地供电部门签订的供用电合同规定,本厂可由附近一条10kV的公用电源干线取得工作电源。该干线的走向参看工厂总平面图。该干线的导线型号为LGJ-70,导线为等边三角形排列,线距为1.0m,干线首端距离本厂约为7km,干线首端所装设的高压断路器断流容量为700MVA。此断路器配备有定时限过电流保护盒电流速断保护,定时限过流保护整定动作时间为1.7s,为满足工厂二级负荷的要求,可采用高压联络线由附近单位取得设备用电源,已知与本厂高压侧有电气联系的架空线总长度为50km,电缆线路总长为20km。4.气象资料本厂所在地区的年最高气温为39℃,年平均气温为20℃,年最低气温为-5℃,年最热月平均最高气温为32℃,年最热月平均气温为30℃,年最热月地下0.8m处温度为25℃,当地主导风向为东风,年雷暴日数为15.5.地质水文资料本厂所在地区平均海拔50m,地质土层以砂粘土为主,地下水位为2m。6.电费制度三.设计任务(一)说明部分1.选择本所变压器的容量和台数,型号,参数。2.设计本所电气主接线,选取几个电气主接线方案,确定—个比较合理的电气主接线。3.计算短路电流选择本厂所需的电气设备,包括:(母线,高压断路器,隔离开关,电流互感器,电压互感器等,互感器容量不校)。4.主要设备继电保护的配置5.60KV高压配电装置设计。6.防雷保护设计。(二)计算部分1、选择主变压器和高压厂用变压器容量、台数、变比计算2、短路电流计算3、选择电气设备计算(三)绘制图纸1、变电所电气主接线图一张2、防雷保护图一张(四)要求1、说明书、计算书装订成册;文字内容用计算机打印,手写要工整。2、图纸用相关软件绘出。3、选择的电气设备型号、参数标在所画图纸上。

1、当您付费下载文档后,您只拥有了使用权限,并不意味着购买了版权,文档只能用于自身使用,不得用于其他商业用途(如 [转卖]进行直接盈利或[编辑后售卖]进行间接盈利)。
2、本站所有内容均由合作方或网友上传,本站不对文档的完整性、权威性及其观点立场正确性做任何保证或承诺!文档内容仅供研究参考,付费前请自行鉴别。
3、如文档内容存在违规,或者侵犯商业秘密、侵犯著作权等,请点击“违规举报”。

碎片内容

任务9:某机械厂降压变电所电气设计任务书

您可能关注的文档

确认删除?
VIP
微信客服
  • 扫码咨询
会员Q群
  • 会员专属群点击这里加入QQ群
客服邮箱
回到顶部