电脑桌面
添加小米粒文库到电脑桌面
安装后可以在桌面快捷访问

投资估算与资金筹措VIP免费

投资估算与资金筹措_第1页
1/7
投资估算与资金筹措_第2页
2/7
投资估算与资金筹措_第3页
3/7
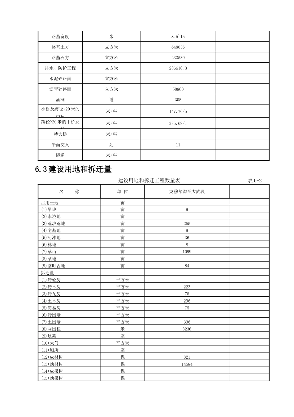
第六章投资估算及资金筹措6.1工程概况青海省省道S101线龙穆尔沟至大武段改建工程由龙穆尔沟至大武段工程(K337+000—K415+760)和其中的4部分滑坡治理工程,即龙穆尔沟段滑坡治理工程,红土山段滑坡治理工程,红土山段新增滑坡治理工程、红土山(军功)段滑坡治理工程组成。拟建龙穆尔沟至大武段改建工程(K337+000—K415+760)方案,采用交通部颁《公路工程技术标准》(JTGB01-2003)中二级公路技术标准,其设计时40公里/小时,路基宽度一般路段为8.5米,在经过村镇路段路基加宽至12~15米。6.2主要工程数量主要工程数量表表6-1名称单位工程数量龙穆尔沟至大武段公路等级级二级建设里程公里78.76路基宽度米8.5~15路基土方立方米648036路基石方立方米233539排水、防护工程立方米286610.3水泥砼路面立方米沥青砼路面立方米58860涵洞道305小桥及跨径<20米的中桥米/座147.76/5跨径>20米的中桥及大桥米/座335.68/1特大桥米/座平面交叉处11隧道米/座6.3建设用地和拆迁量建设用地和拆迁工程数量表表6-2名称单位龙穆尔沟至大武段占用土地亩(1)旱地亩9(2)水浇地亩(3)荒坡荒地亩255(4)宅基地亩9(5)河滩地亩36(6)林地亩8(7)草山亩1099(8)菜地亩(9)临时占地亩84拆迁量(1)砖砼房平方米(2)砖木房平方米223(3)砖瓦房平方米78(4)土木房平方米296(5)简易房平方米75(6)砖围墙平方米(7)土围墙平方米336(8)网围栏米3236(9)坟墓座(10)大门平方米(11)厕所座(12)成材树棵321(13)幼材树棵14584(14)成果树棵(15)幼果树棵(16)电力线杆根(17)电讯线杆根1846.4投资估算6.4.1编制依据:1、自一九九六年七月一日起施行的交工发〔1996〕612号《公路基本建设工程估算编制办法》以下简称《编制办法》。2、自一九九二年五月一日起施行的交工发〔1992〕65号《公路工程估算定额》和《公路工程预算定额》,以下简称《估算定额》和《预算定额》。3、自一九九六年七月一日起施行的交工发〔1996〕610号《公路工程机械台班费用定额》,以下简称《台班定额》。4、一九九八年二月十八日发布的青交计字(1998)第122号文关于发布《青海省公路基本建设工程概算、预算编制办法补充规定》的通知,简称“补充规定”。5、青海省交通建设工程造价管理站发布的青海省公路工程造价管理信息:(2006.3)。6、国家计委、经贸委计价格〔2000〕744号文件关于“调整供电贴费标准等问题的通知”不计列供电贴费。7、青海省交通厅文件青交公[2004]581号“关于调整青海省公路工程概(预)算人工工资标准的通知。”8、青海省交通厅青交公[2006]11号“关于执行交通部《关于完善公路基本建设工程概算、预算编制办法有关内容的通知》的通知”。6.4.2费率:●龙穆尔沟至大武段改建工程(K337+000—K415+760):1、冬季施工增加费:本项目在玛沁县境内,其费率采用冬三区标准。2、雨季施工增加费:按部颁编制办法项目所在地不计列雨季施工增加费。3、夜间施工增加费:按概、预算编制办法取定。4、高原地区施工增加费:该段路海拔3001米至3500米之间50.66公里,海拔3501米至4000米之间18.0公里,海拔4001米至4501米之间10.1公里,其费率采用补充规定中的费率加权计算所得。5、施工队伍按省级施工企业安排,施工队伍调谴从西宁按387.38公里计。6、现场管理费其它单项费用中的职工取暖补贴费率按冬三区费率计列。7、由于本项目为改建路线,行车干扰按101~500辆计取。8、主副食运费补贴费:粮食、蔬菜从玛沁县运,运距为38.38公里,水从沿线供应,运距为5公里。6.4.3费用计算采用青海省公路工程造价管理信息2006年第3期的材料单价、货物运价、车辆养路费和车船使用税及青海省公路工程定额站管理文件、法规及资料汇编作为计价依据。●龙穆尔沟至大武段改建工程(K337+000—K415+760):1、人工费:本路段在玛沁县境内,人工工资为37.2元/工日。2、材料费:.①外购材料由西宁供应,其供应价格以青海省公路工程定额站提供的2006年第3期价格信息资料计列。.②自采材料按1992年交通部发布的《公路工程预算定额》分析计算,辅助生产现场经费15%,高原施工增加费按50%计取。3、运费:.①外购材料由西宁运至工地,其中西宁至河西113公里为一类路,河西~龙穆尔沟236公里,龙穆尔沟~工地中...

1、当您付费下载文档后,您只拥有了使用权限,并不意味着购买了版权,文档只能用于自身使用,不得用于其他商业用途(如 [转卖]进行直接盈利或[编辑后售卖]进行间接盈利)。
2、本站所有内容均由合作方或网友上传,本站不对文档的完整性、权威性及其观点立场正确性做任何保证或承诺!文档内容仅供研究参考,付费前请自行鉴别。
3、如文档内容存在违规,或者侵犯商业秘密、侵犯著作权等,请点击“违规举报”。

碎片内容

投资估算与资金筹措

您可能关注的文档

确认删除?
VIP
微信客服
  • 扫码咨询
会员Q群
  • 会员专属群点击这里加入QQ群
客服邮箱
回到顶部