电脑桌面
添加小米粒文库到电脑桌面
安装后可以在桌面快捷访问

特种门安装工程分户质量验收记录表VIP免费

特种门安装工程分户质量验收记录表_第1页
1/2
特种门安装工程分户质量验收记录表_第2页
2/2
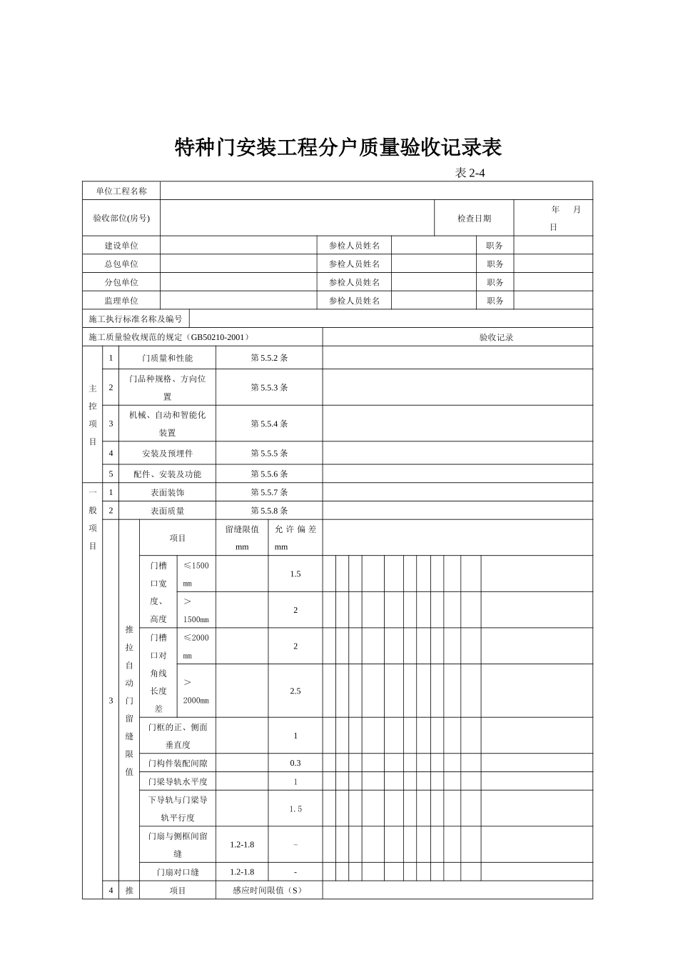
特种门安装工程分户质量验收记录表表2-4单位工程名称验收部位(房号)检查日期年月日建设单位参检人员姓名职务总包单位参检人员姓名职务分包单位参检人员姓名职务监理单位参检人员姓名职务施工执行标准名称及编号施工质量验收规范的规定(GB50210-2001)验收记录主控项目1门质量和性能第5.5.2条2门品种规格、方向位置第5.5.3条3机械、自动和智能化装置第5.5.4条4安装及预埋件第5.5.5条5配件、安装及功能第5.5.6条一般项目1表面装饰第5.5.7条2表面质量第5.5.8条3推拉自动门留缝限值项目留缝限值mm允许偏差mm门槽口宽度、高度≤1500mm1.5>1500mm2门槽口对角线长度差≤2000mm2>2000mm2.5门框的正、侧面垂直度1门构件装配间隙0.3门梁导轨水平度1下导轨与门梁导轨平行度1.5门扇与侧框间留缝1.2-1.8-门扇对口缝1.2-1.8-4推项目感应时间限值(S)拉自动门感应限值开门响应时间≤0.5堵门保护延时16-20门扇全开启后保持时间13-175旋转门安装允许偏差项目允许偏差实测值金属框架玻璃旋转门木质旋转门门扇正、侧垂直度1.51.5门扇对角线长度差1.51.5相邻扇高度差11扇与圆弧边留缝1.51.5扇与上顶间留缝22.5扇与地面间留缝22.5复查记录监理工程师(签章):年月日建设单位专业技术负责人(签章):年月日施工单位检查评定结果施工单位质量检查员(签章):年月日监理单位验收结论监理工程师(签章):年月日建设单位验收结论建设单位专业技术负责人(签章):年月日

1、当您付费下载文档后,您只拥有了使用权限,并不意味着购买了版权,文档只能用于自身使用,不得用于其他商业用途(如 [转卖]进行直接盈利或[编辑后售卖]进行间接盈利)。
2、本站所有内容均由合作方或网友上传,本站不对文档的完整性、权威性及其观点立场正确性做任何保证或承诺!文档内容仅供研究参考,付费前请自行鉴别。
3、如文档内容存在违规,或者侵犯商业秘密、侵犯著作权等,请点击“违规举报”。

碎片内容

特种门安装工程分户质量验收记录表

文泉书屋+ 关注
实名认证
内容提供者

热爱教学事业,对互联网知识分享很感兴趣

确认删除?
VIP
微信客服
  • 扫码咨询
会员Q群
  • 会员专属群点击这里加入QQ群
客服邮箱
回到顶部