电脑桌面
添加小米粒文库到电脑桌面
安装后可以在桌面快捷访问

无线对讲系统VIP免费

无线对讲系统_第1页
1/8
无线对讲系统_第2页
2/8
无线对讲系统_第3页
3/8
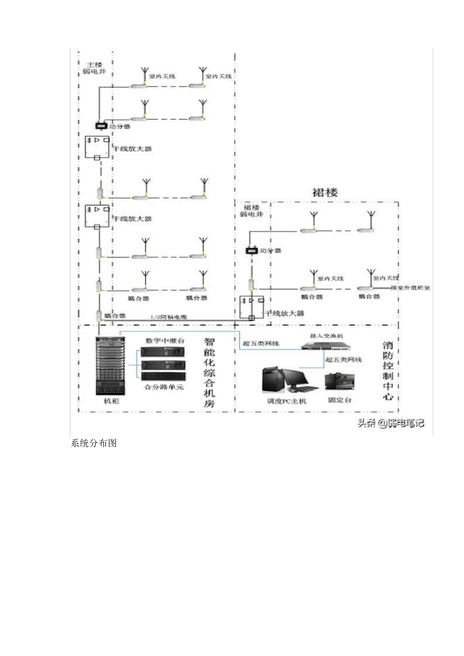
无线对讲系统无线信号覆盖系统作为移动通信的设备之一,其最大的特点就是系统主要用来解决大型建筑物内部的信号盲区,通过覆盖使信号在有关空间区域内有效,使客户不在受建筑物空间和屏蔽束缚,实现在有效域内的工作协调和指挥调度需求。由于中西医结合医院建筑物的金属屏蔽以及面积较大,无线电对讲机功率有限,无法满足所有楼层的信号覆盖,所以安全保卫工作无法保证。应付突发性事件的处理,都离不开快速反应的无线电对讲调度联系。简单的对讲机通讯远远不能满足管理工作的需要,必须要进一步完善和改造,满足随叫随通,大范围和地下室联系均有保障的通话效果。因此必须建立一套数字无线对讲覆盖系统,保证无线信号覆盖率达到95%以上。技术分析数字中继站覆盖无线通讯的解决方案,数字无线通讯系统在优质通信的基础上提供更强大的功能,带来通讯量的提升,频率的有效利用以及综合的数据通信和强大的语音通信。为建立较完美的无线覆盖系统,在设计时既要兼顾边缘场强的计算,保证天线末端及手持对讲机接收端达到指定的db数值,同时无线对讲覆盖系统必须对外界的干扰小,并且不易受到其他同类设备的干扰,不仅要考虑通信的覆盖范围,同时要达到客户的指定覆盖要求,必须依靠更合理的设计来避免对讲机的信号在传输过程中所经受及产生的各种问题。1)频率选择:考虑到医院结构所要覆盖区域的特殊性,应选用130-170MHZ或400-430MHZ频段,因为该频段的电波传播有一定的绕射性,并且该频段的抗干扰性较好。同时该频段也符合国家相关规定。2)技术指标:无线对讲的呼损率<2%;无线对讲的接通率>98%;无线对讲覆盖区内可接通率:要求在无线对讲覆盖区内的95%位置无盲区覆盖,对讲机所用信道根据客户要求;室内无线对讲覆盖的边缘场强:≥-85dBm,地下室及电梯≥-95dBm;外泄电平(建筑物50米左右)<-105dBm;覆盖区与周围各建筑内对讲机系统之间无互相干扰。系统结构系统结构图系统分布图大楼覆盖系统简单示意图系统的基站采用TDMA(时分多址)2时隙工作,节省了频率资源,一组频率相当于模拟中继台的两组频率(配备数字对讲机后两台中继台可同时满足四个部门使用)。此方案为全覆盖系统,系统搭建完毕后可实现地下区域(包括车库、设备间)及地上区域(包括室外、全部楼层走廊内、电梯内、首层大厅)整个建筑98%以上无盲区覆盖效果。中转台暂定放置于消防控制中心内,并且需符合安装工艺的要求。中继台输出的天线信号经由耦合器、功分器、馈线将信号送至各层的弱电井,然后经室内桥架将信号送至地上、地下各楼层待覆盖的区域。考虑线缆与元器件的信号衰减本系统将在地上安装干线放大器,来满足地上的覆盖要求。(干放应配备UPS供电,以满足不间断使用)。无线对讲覆盖系统中天线、功分器、耦合器的位置、数量和输出功率经工程师合理设计及计算,以确保系统可以达到良好的覆盖效果。中转台本身配备有交直流转换电源蓄电池浮充端口,可接蓄电池做备用应急电源,常态对电池充电,停断电时由电池供电。系统功能一、对讲系统主要功能1)保密性强通话语音采用压缩数字编码,空中传输的无线信号为数字调制,非本组或本网用户无法监听到通话语音。2)节省频率资源一个模拟信道系统的最小占用带宽是12.5KHZ,只能进行一个话路的通讯,采用数字系统后可提供两个通信话路,通信能力提高一倍。3)通讯质量提高因采用压缩语音编码数字调制技术,系统抗干扰能力提高,在同样传输参数或电磁环境下,通信范围扩大,通话质量提高。无线对讲系统能够在模拟和数字两种模式下工作,无线对讲系统是一种基于无线覆盖的数字对讲通讯系统,通过中继台及无线手持智能终端实现用户群体之间的群组通讯。二、调度系统主要功能1)全呼可一键全呼,通过全呼功能对系统内所有使用者进行呼叫,达到一呼百应的功能。2)组呼通过数字组呼呼叫,可对编辑好的通话组发起呼叫。3)单呼管理软件具有私密呼叫功能,用户可以通过调度软件选择人员列表与另一位对讲机用户进行通信。4)自动注册服务跟踪在线和脱机的无线对讲机用户,通过文本消息传送记录、通话录音、时间标记和位置跟踪,保存事件日志。系统设备介绍一、数字...

1、当您付费下载文档后,您只拥有了使用权限,并不意味着购买了版权,文档只能用于自身使用,不得用于其他商业用途(如 [转卖]进行直接盈利或[编辑后售卖]进行间接盈利)。
2、本站所有内容均由合作方或网友上传,本站不对文档的完整性、权威性及其观点立场正确性做任何保证或承诺!文档内容仅供研究参考,付费前请自行鉴别。
3、如文档内容存在违规,或者侵犯商业秘密、侵犯著作权等,请点击“违规举报”。

碎片内容

无线对讲系统

您可能关注的文档

确认删除?
VIP
微信客服
  • 扫码咨询
会员Q群
  • 会员专属群点击这里加入QQ群
客服邮箱
回到顶部