电脑桌面
添加小米粒文库到电脑桌面
安装后可以在桌面快捷访问

表1-1现浇结构外观尺寸偏差分户质量验收记录表14-33VIP免费

表1-1现浇结构外观尺寸偏差分户质量验收记录表14-33_第1页
1/175
表1-1现浇结构外观尺寸偏差分户质量验收记录表14-33_第2页
2/175
表1-1现浇结构外观尺寸偏差分户质量验收记录表14-33_第3页
3/175
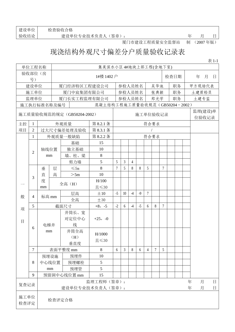
现浇结构外观尺寸偏差分户质量验收记录表表1-1单位工程名称集美滨水小区4#地块上部工程(含地下室)验收部位(房号)1#楼1401户检查日期年月日建设单位厦门经济特区工程建设公司参检人员姓名吴华池职务甲方现场代表施工单位厦门中宸集团有限公司参检人员姓名张典颖职务土建质检员监理单位厦门长实工程监理有限公司参检人员姓名郑光学职务土建专监施工执行标准名称及编号混凝土结构工程施工质量验收规范(GB50204-2002)施工质量验收规范的规定(GB50204-2002)施工单位验收记录监理(建设)单位验收记录主控项目1外观质量第8.2.1条符合要求2过大尺寸偏差处理及验收第8.3.1条/一般项目1外观质量一般缺陷第8.2.2条符合要求2轴线位置mm基础15独立基础10墙、柱、梁8剪力墙5245353垂直度mm层高≤5m8687578754>5m10全高(H)H/100且≤304标高mm层高±101079-97-5全高±305截面尺寸+8,-57-3-58-557-58-46电梯井mm井筒长、宽对定位中心线+25,-0井筒全高(H)垂直度H/1000且≤307表面平整度mm86857464758预埋设施中心线位置mm预埋件10预埋螺栓5预埋管59预留洞中心线位置mm15复查记录监理工程师(签章):年月日建设单位专业技术负责人(签章):年月日施工单位检查评定结果检查评定合格施工单位质量检查员(签章):年月日监理单位验收结论检查验收合格监理工程师(签章):年月日建设单位验收结论检查验收合格建设单位专业技术负责人(签章):年月日厦门市建设工程质量安全监督站制(2007年版)现浇结构外观尺寸偏差分户质量验收记录表表1-1单位工程名称集美滨水小区4#地块上部工程(含地下室)验收部位(房号)1#楼1402户检查日期年月日建设单位厦门经济特区工程建设公司参检人员姓名吴华池职务甲方现场代表施工单位厦门中宸集团有限公司参检人员姓名张典颖职务土建质检员监理单位厦门长实工程监理有限公司参检人员姓名郑光学职务土建专监施工执行标准名称及编号混凝土结构工程施工质量验收规范(GB50204-2002)施工质量验收规范的规定(GB50204-2002)施工单位验收记录监理(建设)单位验收记录主控项目1外观质量第8.2.1条符合要求2过大尺寸偏差处理及验收第8.3.1条/一般项目1外观质量一般缺陷第8.2.2条符合要求2轴线位置mm基础15独立基础10墙、柱、梁8剪力墙55343垂直度mm层高≤5m8758857>5m10全高(H)H/100且≤304标高mm层高±10-510-4-97全高±305截面尺寸+8,-5-26-4-56876电梯井mm井筒长、宽对定位中心线+25,-0井筒全高(H)垂直度H/1000且≤307表面平整度mm863864758预埋设施中心线位置mm预埋件10预埋螺栓5预埋管59预留洞中心线位置mm15复查记录监理工程师(签章):年月日建设单位专业技术负责人(签章):年月日施工单位检查评定检查评定合格结果施工单位质量检查员(签章):年月日监理单位验收结论检查验收合格监理工程师(签章):年月日建设单位验收结论检查验收合格建设单位专业技术负责人(签章):年月日厦门市建设工程质量安全监督站制(2007年版)现浇结构外观尺寸偏差分户质量验收记录表表1-1单位工程名称集美滨水小区4#地块上部工程(含地下室)验收部位(房号)1#楼1403户检查日期年月日建设单位厦门经济特区工程建设公司参检人员姓名吴华池职务甲方现场代表施工单位厦门中宸集团有限公司参检人员姓名张典颖职务土建质检员监理单位厦门长实工程监理有限公司参检人员姓名郑光学职务土建专监施工执行标准名称及编号混凝土结构工程施工质量验收规范(GB50204-2002)施工质量验收规范的规定(GB50204-2002)施工单位验收记录监理(建设)单位验收记录主控项目1外观质量第8.2.1条符合要求2过大尺寸偏差处理及验收第8.3.1条/一般项目1外观质量一般缺陷第8.2.2条符合要求2轴线位置mm基础15独立基础10墙、柱、梁8剪力墙5343垂直度mm层高≤5m838748>5m10全高(H)H/100且≤304标高mm层高±1010-9-7全高±305截面尺寸+8,-5-48-2476电梯井mm井筒长、宽对定位中心线+25,-0井筒全高(H)垂直度H/1000且≤307表面平整度mm8746858预埋设施中心线位置mm预埋件10预埋螺栓5预埋管59预留洞中心线位置mm15复查记录监理工程师(签章):年月日建设单位专业技术负责人(签章):年月日施工...

1、当您付费下载文档后,您只拥有了使用权限,并不意味着购买了版权,文档只能用于自身使用,不得用于其他商业用途(如 [转卖]进行直接盈利或[编辑后售卖]进行间接盈利)。
2、本站所有内容均由合作方或网友上传,本站不对文档的完整性、权威性及其观点立场正确性做任何保证或承诺!文档内容仅供研究参考,付费前请自行鉴别。
3、如文档内容存在违规,或者侵犯商业秘密、侵犯著作权等,请点击“违规举报”。

碎片内容

表1-1现浇结构外观尺寸偏差分户质量验收记录表14-33

文泉书屋+ 关注
实名认证
内容提供者

热爱教学事业,对互联网知识分享很感兴趣

确认删除?
VIP
微信客服
  • 扫码咨询
会员Q群
  • 会员专属群点击这里加入QQ群
客服邮箱
回到顶部