电脑桌面
添加小米粒文库到电脑桌面
安装后可以在桌面快捷访问

苏州供电公司托收付款管理VIP免费

苏州供电公司托收付款管理_第1页
1/7
苏州供电公司托收付款管理_第2页
2/7
苏州供电公司托收付款管理_第3页
3/7
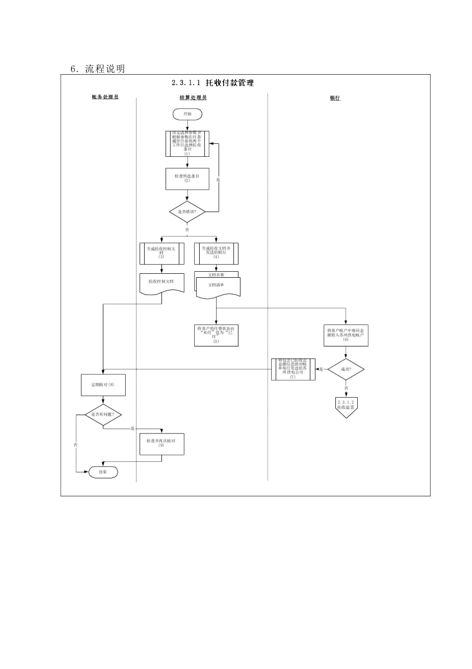
苏州供电公司托收付款管理1.范围本流程适用于苏州供电公司对托收付款方式的操作和管理,由电费结算中心负责生成托收文件,并交给银行进行具体托收业务。2.控制目标经济地提高电费回收的效率;通过合理、规范地进行托收方式的运作,增加客户对托收付款方式的信心,鼓励并吸引更多的客户采用这一方式付款。3.主要涉及部门结算处理员帐务处理员银行4.主要前提和假设系统将根据客户的付款截至日在前一个工作日生成托收需求在将托收文件正式发送给银行前,文件中所有托收内容已经过细致检查,可能包含的错误和运行中可能出现的异常情况已被更正银行处客户的帐户等信息与苏州供电公司提供的托收客户信息相一致5.主要控制点结算处理员负责检查托收文件传输状态,以确保文件能被及时、成功发送至银行在付款截至日当天银行将客户帐户的金额按照托收文件的金额规定将电费划至苏州供电公司银行帐户苏州供电公司需要决定是委托一家银行进行托收业务,还是直接与多个客户所使用的银行建立托收业务关系。如果只与一家银行打交道,就意味着苏州供电公司有效地将托收业务委托这家银行来管理,因为该银行将依据苏州供电发出的托收单对其他银行发出托收需求信息。这种方式的效率将取决于该银行与其他银行是如何开展相互间业务的。如果苏州供电公司选择直接和每一家银行建立托收业务联系,会需要投入相当多的精力进行管理。然而采用这种途径能够让苏州供电公司更有效地掌控托收流程的效率。两种方式的选择取决于某家被指定的代理银行如何与其他银行进行往来业务的处理。如果有一家银行能够高效地进行托收业务全权管理,则这应该是较可取的安排方式;如果没有一家银行有此能力,则苏州供电公司需要直接和每家银行建立托收业务关系6.流程说明步骤说明负责人输出1.设定选择参数并根据参数在付款截至日前的两个工作日选择托收条目1.1定义选择参数:目标群为使用托收方式付费的客户离付款截止日还差两天的条目1.2系统根据上述参数运行并选择托收条目1.3尽管一个客户帐户需要进行托收,应该可能冻结一些单独条目,不进行托收。比如,如果与苏州供电公司有争议的一项条目应该暂被排除出托收范围。或者,客户的电费金额应进行托收,而业扩相关费用也许暂不进行托收,因为该笔属于非常规费用,而且金额会相当巨大1.4为了让客户更信任托收业务流程,客户应该有权设定一个最高托收限额。该限额规定了可被直接托收的最大金额。当客户的费用超出了最高托收限额时,则客户无法通过托收方式进行付款(因此,客户需要采用其他方式付费)结算处理员2.检查所选条目2.1检查存在任何错误或者不正确信息的条目结算处理员3.生成托收控制文档3.1生成含有客户整体托收金额信息和某一天托收信息的控制文档。将该文档在帐务处理员处保留一份存档结算处理员托收控制文档4.生成托收文档并发送给银行4.1将两份托收文档发送给银行:标题(控制)文档和条目(详细)文档。这两份文档的内容应相互匹配。标题文档中应包含如下信息:接口文件名若使用磁带文件则需要包含文件序列号指定代理银行的帐号(即苏州供电公司银行帐号)付款截至日托收交易量托收总金额结算处理员给银行的托收文件步骤说明负责人输出在指定的代理银行帐户下的托收交易量在非代理银行帐户下的托收交易量条目文档中应包含如下内容:客户帐号帐单序号付款截止日帐单金额文档中客户的总金额4.2银行成功接收托收文档后会返回一份确认文件4.3从文件格式化的角度,苏州供电指定唯一一家代理银行进行托收业务更可取,由该银行再与其他银行发生业务往来。正如前面介绍过的,这将取决于是否能与某一家胜任此项业务的银行签订合作协议5.将客户的付费状态由“未付”设为“已付”5.1在将托收文档发送给银行的同时,将文档中客户的付费状态由“未付”设为“已付”5.2该项操作步骤的结果是贷客户帐户中的款项(清除未付金额),借银行托收中间帐户。由此应收帐款将由银行清偿,但仍需银行进一步确认5.3另一种可供选择的操作方法更符合现状。因为苏州供电公司目前和银行实施联网技术,在系统压力没有问题的情况下,可以在发出托收...

1、当您付费下载文档后,您只拥有了使用权限,并不意味着购买了版权,文档只能用于自身使用,不得用于其他商业用途(如 [转卖]进行直接盈利或[编辑后售卖]进行间接盈利)。
2、本站所有内容均由合作方或网友上传,本站不对文档的完整性、权威性及其观点立场正确性做任何保证或承诺!文档内容仅供研究参考,付费前请自行鉴别。
3、如文档内容存在违规,或者侵犯商业秘密、侵犯著作权等,请点击“违规举报”。

碎片内容

苏州供电公司托收付款管理

您可能关注的文档

确认删除?
VIP
微信客服
  • 扫码咨询
会员Q群
  • 会员专属群点击这里加入QQ群
客服邮箱
回到顶部