电脑桌面
添加小米粒文库到电脑桌面
安装后可以在桌面快捷访问

监控系统工程验收520VIP免费

监控系统工程验收520_第1页
1/11
监控系统工程验收520_第2页
2/11
监控系统工程验收520_第3页
3/11
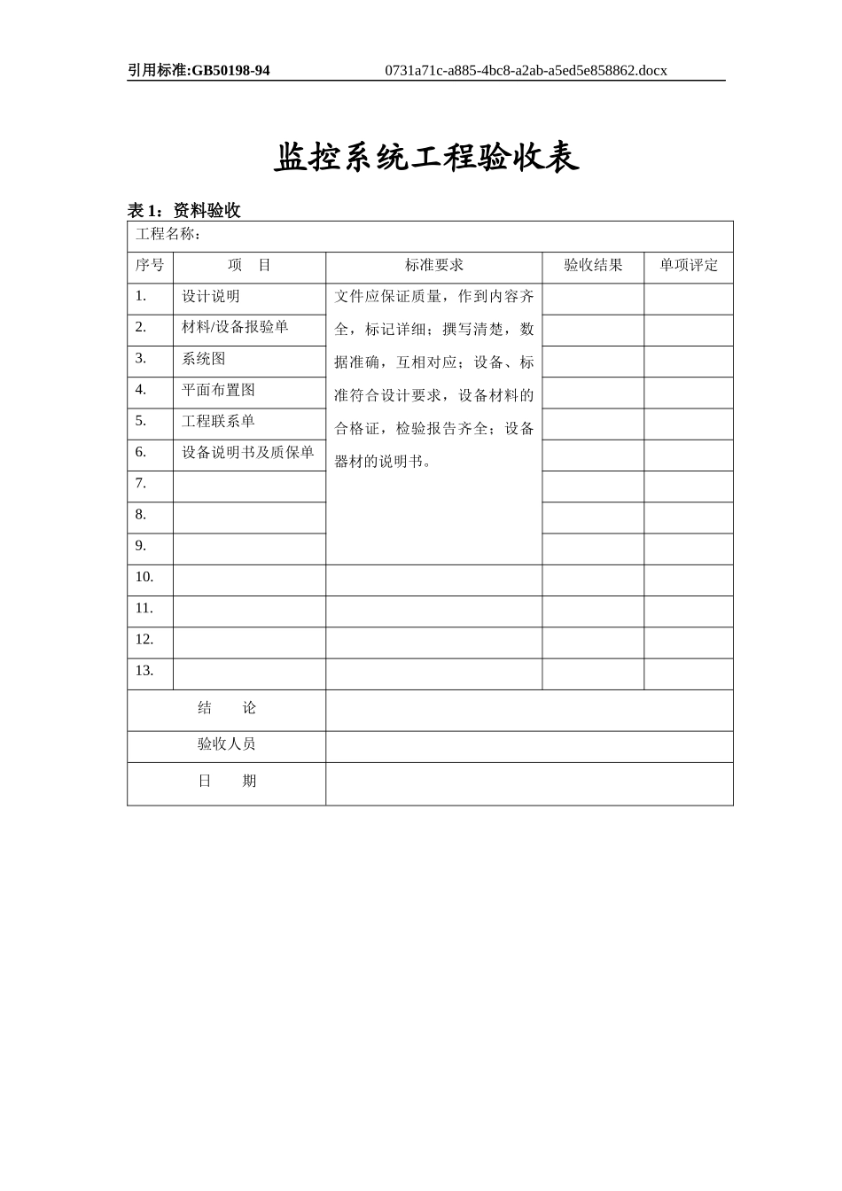
引用标准:GB50198-940731a71c-a885-4bc8-a2ab-a5ed5e858862.docx监控系统工程验收表表1:资料验收工程名称:序号项目标准要求验收结果单项评定1.设计说明文件应保证质量,作到内容齐全,标记详细;撰写清楚,数据准确,互相对应;设备、标准符合设计要求,设备材料的合格证,检验报告齐全;设备器材的说明书。2.材料/设备报验单3.系统图4.平面布置图5.工程联系单6.设备说明书及质保单7.8.9.10.11.12.13.结论验收人员日期引用标准:GB50198-940731a71c-a885-4bc8-a2ab-a5ed5e858862.docx监控系统工程验收表表2:施工质量验收工程名称:序号项目抽查百分数实际抽查数内容验收结果单项评定1.摄像机10%-15%10台以下至少验收1-2台设置位置,视野范围安装质量镜头,防护套,支承装置,云台安装质量与紧固情况100%通电试验2.监视器100%安装位置设置条件通电试验3.控制设备100%安装质量遥控内容与切换路数通电试验4.其它设备100%安装质量通电试验5.控制台与机架100%安装垂直水平度设备安装位置布线质量穿孔、连接处接触情况开关、按钮灵活情况通电情况6.接地接地材料接地线焊接质量接地电阻7.电(光)缆敷设30%敷设与布线电缆排列位置,布放和绑扎质量地沟、走道支铁吊架的安装质量埋设深度及架设质量焊接及插接头安装质量接线盒接线质量结论验收人员引用标准:GB50198-940731a71c-a885-4bc8-a2ab-a5ed5e858862.docx日期监控系统工程验收表表3:功能检测验收表工程名称:序号项目检测数量设计要求检测结果单项评定1.万向云台2.云台控制器控制功能:3.自动光圈镜头自动调节:4.电动三可变镜头光圈调节:调焦功能:变倍功能:5.矩阵切换器切换功能:控制功能:报警功能:6.画面处理器显示功能:报警功能:7.录像机记录功能:回访功能:报警功能:8.顺序切换切换功能:报警功能:9.其它结论验收人员日期引用标准:GB50198-940731a71c-a885-4bc8-a2ab-a5ed5e858862.docx监控系统工程验收表表4:主观评价试验收表工程名称:序号摄像机编号抽查百分数实际抽查数标准要求评价结果1.10%-15%10台以下至少验收1-2台(一)五级损伤制评分分级5级:图像上不觉察有损伤或干扰存在。4级:图像上有可觉察的损伤或干扰,但并不令人讨厌。3级:图像上有明显的损伤或干扰,令人感到讨厌。2级:图像上损伤或干扰较严重,令人相当讨厌。1级:图像上损伤或干扰极严重,不能观看(二)损伤的主观评价现象1、随机信噪比:噪波,即“雪花干扰”。2、单项干扰:图像中纵、斜、人字形或波浪的条纹,即“网纹”。3、电源干扰:图像中上下移动的黑白间置的水平横条,即“黑白滚道”。4、脉冲干扰:图像中不规则的闪烁,黑白麻点或跳动。2.3.4.5.6.7.8.9.10.11.12.13.14.15.结论验收人员引用标准:GB50198-940731a71c-a885-4bc8-a2ab-a5ed5e858862.docx日期监控系统工程验收表表5:客观评价试验收表工程名称:抽查百分数10%-15%10台以下至少验收1-2台实际抽查数序号摄像机编号检验项目标准要求检验结果单项评定1系统清晰度测试黑白400线彩色270线2系统灰度等级8级结论引用标准:GB50198-940731a71c-a885-4bc8-a2ab-a5ed5e858862.docx验收人员日期表1系统试运行记录日期/时间系统运行情况(含误,漏报警)备注值班人注:1系统运行情况栏中,正常打"√"并每天不少于填写一次;不正常的在备注栏内及时扼要说明情况(包括修复日期)。2系统有报警部分的,报警试验每天进行一次.无漏报警的,在对应空格内打"√",有漏报警的打"X",并在备注栏说明情况;出现误报警的也在相应备注栏内如实填写。表2施工质量抽查验收引用标准:GB50198-940731a71c-a885-4bc8-a2ab-a5ed5e858862.docx项目要求方法检查结果抽查百分数合格基本合格不合格前端设备1安装位置(方向)合理,有效现场抽查观察5%~10%(10台以下至少验收3台)2安装质量(工艺)牢固、整洁、美观、规范现场抽查观察3线缆连接视频电缆一线到位,接插件可靠,电源线与信号线、控制线分开,走向顺直,无扭绞复核、抽查或对照图纸资料4通电工作正常现场通电检查100%控制室终端设备5操作台、机架安装平稳、合理现场观察体会抽查6控制设备安装操作方便、安全现场观察体会7开关、按钮灵活、安全现场观察...

1、当您付费下载文档后,您只拥有了使用权限,并不意味着购买了版权,文档只能用于自身使用,不得用于其他商业用途(如 [转卖]进行直接盈利或[编辑后售卖]进行间接盈利)。
2、本站所有内容均由合作方或网友上传,本站不对文档的完整性、权威性及其观点立场正确性做任何保证或承诺!文档内容仅供研究参考,付费前请自行鉴别。
3、如文档内容存在违规,或者侵犯商业秘密、侵犯著作权等,请点击“违规举报”。

碎片内容

监控系统工程验收520

确认删除?
VIP
微信客服
  • 扫码咨询
会员Q群
  • 会员专属群点击这里加入QQ群
客服邮箱
回到顶部