电脑桌面
添加小米粒文库到电脑桌面
安装后可以在桌面快捷访问

给排水专业施工图审查内容及质量控制要求VIP免费

给排水专业施工图审查内容及质量控制要求_第1页
1/16
给排水专业施工图审查内容及质量控制要求_第2页
2/16
给排水专业施工图审查内容及质量控制要求_第3页
3/16
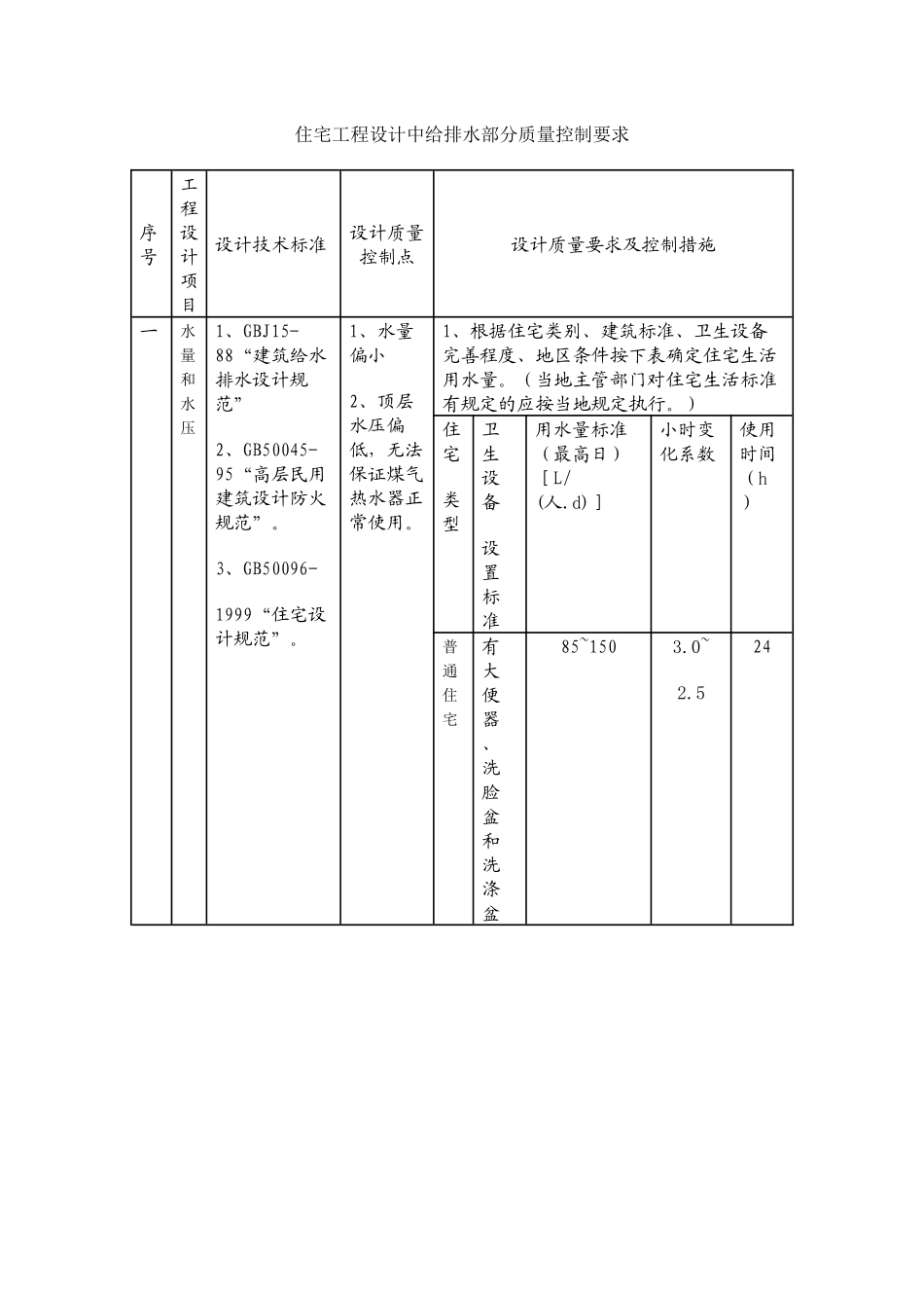
住宅工程设计中给排水部分质量控制要求序号工程设计项目设计技术标准设计质量控制点设计质量要求及控制措施一水量和水压1、GBJ15-88“建筑给水排水设计规范”2、GB50045-95“高层民用建筑设计防火规范”。3、GB50096-1999“住宅设计规范”。1、水量偏小2、顶层水压偏低,无法保证煤气热水器正常使用。1、根据住宅类别、建筑标准、卫生设备完善程度、地区条件按下表确定住宅生活用水量。(当地主管部门对住宅生活标准有规定的应按当地规定执行。)住宅类型卫生设备设置标准用水量标准(最高日)[L/(人.d)]小时变化系数使用时间(h)普通住宅有大便器、洗脸盆和洗涤盆85~1503.0~2.524有大便器、洗脸盆和洗涤盆和洗浴设备130~2202.8~2.324有大便器、洗脸盆和洗涤盆、洗浴设备和局部热水供应170~3002.5~2.024高级住宅有大便器、洗脸盆、洗涤盆、浴盆及其它设备(净身器、洗碗机、粉碎器、消毒机、酒吧等)和集300~4002.3~1.824中热水供应2、顶层最高用水点静水压力应不小于40kpa,以确保居民正常用水条件。序号工程设计项目设计技术标准设计质量控制点设计质量要求及控制措施二水质和防水质污染1、GB5749-86“生活饮用水卫生标准”。2、GB12941-91“景观娱乐用水水质标准”。1、水质菌量超标2、水变色3、水有异味1、凡设有二次升压给水系统的建筑,应在贮水池或高位水箱之后,增设二次消毒装置。2、生活贮水池与消防贮水池宜分开设置,生活贮水池贮水量不宜超过100M3时,水在池内停留时间不应超过24小时,当生活贮水池有效容积大于200M3时应分两格,水泵布置应按一格清洗时,另一格(另一组水泵)能正常使用。3、饮用水的水池或水箱不得利用建筑结构的底板和墙壁作为水池或水箱的底和壁。生活贮水池应设导流墙,避免死水区,饮用水的水池和水箱内壁应采取防止污染的涂层处理措施。4、生活供水管当管径不超过150mm时,一般应采用耐腐蚀、承压能力高、抗拉、抗压强度高、不产生二次污染的钢塑复合管、给水塑料管。对使用要求高的建筑宜采用铜管。5、生活饮用水不得因回流而被污染,不得与非饮用水管道连接。6、生活饮用水管道应避开毒物污染区,如受条件限制不能避开时,应采取防护措施。三系统选择1、GB15-88“建筑给水排水设计规范”。2、GB50045-95“高层民用建筑设计防火规范”。3、GBJ84-85“自动喷水灭火系统设计规范”。1、电损高,转供水费用高。2、局部配水点处静水压头高,阀门漏水严重。3、检修与维护困难。1、尽量利用室外给水管道的水压直接供水,高层肎竖向分区。低区由室外给水管道直接供水;中区、高区由升压给水装置供水,不提倡设置高位水箱。凡规模越过400户的住宅小区或高层住宅宜优先采用变频调速恒压泵供水。2、生活饮用水给水系统应与消防给水系统分开设置,在保证饮用水水质不被污染的条件下,贮水箱可以共用。3、卫生器具给水配件处的静水压力不宜大于350kpa,超过时应采取可调式减压阀减压。4、给水管网布置应保证用水设备有最佳水力条件,保证安全供水和方便使用,不影响建筑的使用和美观,有利检修和维护管理。序号工程设计项目设计技术标准设计质量控制点设计质量要求及控制措施四给水管布置和敷设GBJ15-88“建筑给排水设计规范”1、维修困难2、易受污染3、易爆管4、水击噪音1、小区干管宜按环网设计。2、室外给水管宜与道路中心线或主要建筑物呈平行敷设,并尽量减少与其它管道的交叉。3、给水管的埋设深度至少在冰冻线以下200mm,且管顶覆土尝试不小于0.7m。4、给水管和排水管离建筑物、构筑物及其它管线的最小净距离应符合有关规定。5、不允许间断供水的建筑和设备,应采用环状管网或贯通枝状、双向供水。6、给水管暗设时应遵守以下规定:a)横干管应敷设在地下室、技术层、管廊、吊顶或管沟内。b)立管应敷设在井内或竖向墙槽内。c)支管宜埋设在墙槽内,不提倡埋设在楼面(或地面)垫层内作法。d)暗设管道阀门处应留有检修门,并保证检修方便和安全,墙槽内支管上的阀门柄应留在墙外。e)管道应在适当位置装设法兰及活接。f)管沟应设更换管子的出入口装置。7、给水管表面如有可能结露或结冻时,应采取隔热或保温措施。8、高层立管高度超过30m时...

1、当您付费下载文档后,您只拥有了使用权限,并不意味着购买了版权,文档只能用于自身使用,不得用于其他商业用途(如 [转卖]进行直接盈利或[编辑后售卖]进行间接盈利)。
2、本站所有内容均由合作方或网友上传,本站不对文档的完整性、权威性及其观点立场正确性做任何保证或承诺!文档内容仅供研究参考,付费前请自行鉴别。
3、如文档内容存在违规,或者侵犯商业秘密、侵犯著作权等,请点击“违规举报”。

碎片内容

给排水专业施工图审查内容及质量控制要求

您可能关注的文档

确认删除?
VIP
微信客服
  • 扫码咨询
会员Q群
  • 会员专属群点击这里加入QQ群
客服邮箱
回到顶部