电脑桌面
添加小米粒文库到电脑桌面
安装后可以在桌面快捷访问

SY 4031-93 石油建设工程质量检验评定标准自动化仪表安装工程6VIP免费

SY 4031-93 石油建设工程质量检验评定标准自动化仪表安装工程6_第1页
1/19
SY 4031-93 石油建设工程质量检验评定标准自动化仪表安装工程6_第2页
2/19
SY 4031-93 石油建设工程质量检验评定标准自动化仪表安装工程6_第3页
3/19
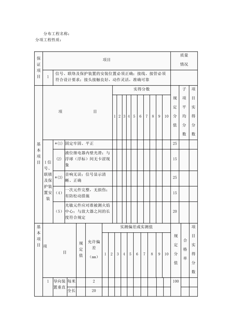
15信号、联锁及保护装置安装工程15.1保证项目15.1.1信号,联锁及保护装置的安装位置必须正确:接线,接管必须符合设计要求,接头接触良好,动作灵活,准确可靠。检验方法试动作和观察。15.2基本项目15.2.1信号、联锁及保护装置安装的质量要求及其检验方法、规定分值应符合表15.2.1的规定。信号、联锁及保护装置安装的质量要求及其检验方法、规定分值应表15.2.1质量要求固定牢固、平正液位继电器内壁光滑;与浮球(浮标)间无卡涩现象音响无误;信号显示清晰、正确一次元件完整,无损伤;有防松动措施光敏元件应对准被测火焰中心;与放大器之间的长度符合规定检验方法用手试动;观察试动作;观察用手试动观察用尺测量;观察规定分值*2515*251520检查数量全部检验。15.3允许偏差项目15.5.1液位继电器浮球(浮标)的导向装置应垂直,允许偏差每米不应大于2mm,全长不应大于20mm。检查数量全部检验。检验方法吊线用尺测量。15.4信号、联镜及保护装置安装分项工程质量检验评定表15.4.1信号、联锁及保护装置安装分项工程质量检验评定表的档式应符合表15.4.1的规定。信号、联锁及保护装置安装分项工程质量检验评定表表15.4.1单位工程名称:分项工程名称:分布工程名称:分项工程性质:保证项目项目质量情况1信号、联络及保护装置的安装位置必须正确;接线、接管必须符合设计要求;接头接触良好,动作灵活,准确可靠基本项目项目实得分数规定分值子项平均分数项目实得分数123456789101信号、联锁及保护装置安装*(1)固定牢固、平正25(2)液位继电器内壁光滑;与浮球(浮标)间无卡涩现象15*(3)音响无误;信号显示清晰、正确25(4)一次元件完整,无损伤;有防松动措施15(5)光敏元件应对准被测火焰中心;与放大器之间的长度符合规定20基本项目项目规定值允许偏差(mm)实测偏差或实测值规定分值合格率项目实得分数123456789101导向装置垂直每米2100全长20度检查结果保证项目符合要求的项,不符合要求的项基本项目检查项,合计分,总平均分允许偏差项目实测项,合计分评定等级技术负责人:班质量检查员:核定等级专职质量检查员:年月日16仪表调校工程16.1保证项目16.1.1仪表的规格,型号、位号必须符合设计要求。检验方法按设计检查,并核对产品合格证。16.1.2仪表的电气线路连接必须正确,绝缘电阻必须符合设计和产品说明书的规定。检验方法核对调校记录,必要时用兆欧裹测量(半导体和集成电路元件除外)。16.1.3仪表的气(液)动管路连接必须正确,无渗漏。检验方法观察或用肥皂水试漏。16.1.4调校用标准仪器,仪表必须具备有效的计量鉴定合格证书,其基本误差的绝对值不超过被校仪表基本误差绝对值的1/3。检验方法核对诵校记录。16.2基本项目16.2.1指示仪表单体调校的质量要求及其检验方法,规定分值应符合表16.2.1的规定。检查数量用于高压、负压、高温、易燃、易爆、有毒、有害介质处和重要工艺参数检测处的指示仪表必须全都检验;用于中低压常温等无害介质处和一般工艺参数检测处的指示仪表抽检30%。16.2.2记录仪表单体调校的质量要求及其检验方法、规定分在应符合表16.2.2的规定。检查数量用于高压、负压、高温,易燃、易爆、有毒、有害介质处和重要工艺参数处的记录仪表必须全部检验;用于中低压常温等无害介质处和一般工艺参数的记录仪表抽检30%。指示仪表单体调校的质量要求及其检验方法、规定分值表16.2.1质量要求外观完整无损;附件齐全调零灵活,有足够的调节幅度液柱修正值正确可动部分平衡指示值改变不应大于允许基本误差范围基本误差直和回差值应符合产品说明指针移动平稳,无跳动或卡涩现象报警偏差值符合产品说明;给指针动作灵活、可靠;接点通断正常调校记录,字迹清楚,数据准确,项目齐全,责任明确检验方法观察核对调校记录,必要时做调零检验核对调校记录核对调校记录,必要时用信号发生器输入气或电信号,在刻度20%、70%分度线上,前后左右倾30º检验核对调校记录,必要时用信号发生器输入信号检验观察核对调校记录,观察,用万用表检查观察规定分值101010*10*201010*2016.2.3变送器单体调校的质量要求及其检验方法,规定分值应符合表16.2.3的规定。检查数量用于高...

1、当您付费下载文档后,您只拥有了使用权限,并不意味着购买了版权,文档只能用于自身使用,不得用于其他商业用途(如 [转卖]进行直接盈利或[编辑后售卖]进行间接盈利)。
2、本站所有内容均由合作方或网友上传,本站不对文档的完整性、权威性及其观点立场正确性做任何保证或承诺!文档内容仅供研究参考,付费前请自行鉴别。
3、如文档内容存在违规,或者侵犯商业秘密、侵犯著作权等,请点击“违规举报”。

碎片内容

SY 4031-93 石油建设工程质量检验评定标准自动化仪表安装工程6

您可能关注的文档

确认删除?
VIP
微信客服
  • 扫码咨询
会员Q群
  • 会员专属群点击这里加入QQ群
客服邮箱
回到顶部