电脑桌面
添加小米粒文库到电脑桌面
安装后可以在桌面快捷访问

提高梗丝纯净度过程能力指数(六西格玛评审版)VIP免费

提高梗丝纯净度过程能力指数(六西格玛评审版)_第1页
1/33
提高梗丝纯净度过程能力指数(六西格玛评审版)_第2页
2/33
提高梗丝纯净度过程能力指数(六西格玛评审版)_第3页
3/33
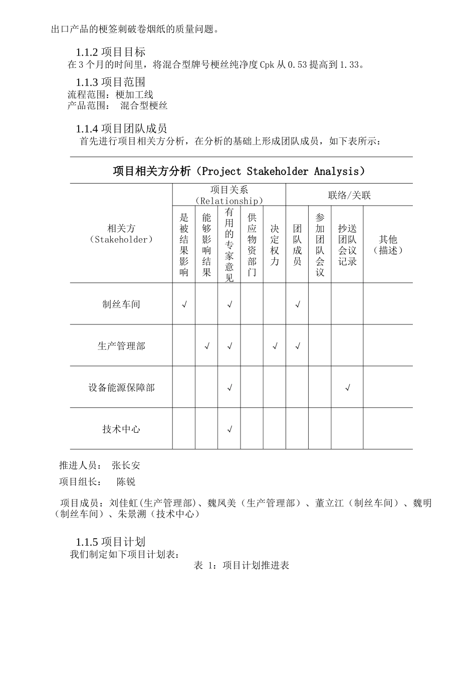
六西格玛绿带项目报告项目名称:提高梗丝纯净度过程能力指数项目负责人:陈锐单位:生产管理部时间:2008年3月项目背景2007年上半年我厂海外市场反馈,烟支的卷烟纸有破损现象,并将破损烟支寄回。我部收到反馈后,根据样品分析,发现烟支被梗签刺破,随后我们发现前期梗丝纯净度波动较大。以顾客为关注要点,提高并且稳定梗丝纯净度,解决这个问题就显得极为迫切。1.界定阶段1.1项目界定1.1.1问题/机会陈述:2007年5月我厂混合型牌号梗丝纯净度cpk为0.53。切梗质量波动较大,尤其出现出口产品的梗签刺破卷烟纸的质量问题。1.1.2项目目标在3个月的时间里,将混合型牌号梗丝纯净度Cpk从0.53提高到1.33。1.1.3项目范围流程范围:梗加工线产品范围:混合型梗丝1.1.4项目团队成员首先进行项目相关方分析,在分析的基础上形成团队成员,如下表所示:项目相关方分析(ProjectStakeholderAnalysis)相关方(Stakeholder)项目关系(Relationship)联络/关联是被结果影响能够影响结果有用的专家意见供应物资部门决定权力团队成员参加团队会议抄送团队会议记录其他(描述)制丝车间√√√生产管理部√√√√设备能源保障部√√技术中心√推进人员:张长安项目组长:陈锐项目成员:刘佳虹(生产管理部)、魏凤美(生产管理部)、董立江(制丝车间)、魏明(制丝车间)、朱景溯(技术中心)1.1.5项目计划我们制定如下项目计划表:表1:项目计划推进表1.2流程及顾客需求界定1.2.1概要SIPOC分析表2:SIPOC概要表SIPOC工作表(SIPOCWorksheet)(概要)供应商(Supplier)输入/需求(Inputs/Req’ts)过程(Process)输出/需求(Output/Req’ts)顾客(Customer)原梗供应厂商烟梗原料润梗、蒸梗入柜梗丝梗丝掺配压梗、切梗梗丝加料梗丝膨化及风选1.3项目收益分析1.3.1项目收益定性描述梗丝是成品烟丝重要的组成部分,占我厂普通混合型牌号配方比例约20%。目前梗丝纯净度Cpk为0.53,合格率仅为53.88%,对成品烟丝的质量造成较大的影响。如果将Cpk提高到1.33,合格率达到99.99%,将会大大提高梗丝和成品烟丝的质量,并减少不合格梗所造成的浪费。1.3.2项目收益计算公式直接收益=年度叶组个数×每叶组投料重量×配方中梗比例×梗原料单价×(改进后合格品率-改进前合格率)项目周期2007年6月-2007年10月任务第1周第2-4周第5周第6-7周第8-9周第10周6.1-6.96.11-6.307.2-7.77.9-7.217.23-7.318月界定测量分析改进控制项目完成★1.3.3项目预算以全年2330个叶组计算,每叶组5000kg投料,以20%的梗比例,每公斤梗原料以2元计算,则预计单月减少消耗为:直接收益=2330×5000×0.2×2×(0.9999-0.5388)=2148726元2.测量阶段2.1详细流程图我厂梗丝加工流程为:技术中心制定采购标准与产品制造规格,经营部按照采购标准购入原料,技术中心对来料进货检验,原料检验合格入库存放。生产管理部分解技术中心产品制造规格制定工艺卡,并根据年度生产计划及市场销售情况制定日生产计划,下发制丝车间,制丝车间按照生产计划及工艺卡组织生产,生产管理部对梗丝加工质量进行检验,合格梗丝进入三丝掺配工序,不合格梗丝按照《不合格品控制程序》的要求处置。如下图所示:图1:梗丝加工流程图2.2确定数据收集对象Y2.2.1定义Y梗丝纯净度(Y)是指梗丝中不纯物质量占总样品质量的比率,一般称取样品10g作为试样,将试样中的梗块、梗签、不合格梗丝(烟丝)及杂物等拣出,称重、记录。按下式计算:式中:Y──梗丝纯净度(%)。Yn──样品中梗块、梗签、不合格梗丝及杂物重(g)。G──被测样品重(g)。2.2.2Y的分层车间按照两个生产班组组织生产,我们将梗丝纯净度按照甲、乙两班分层。2.3确定数据收集计划表2、提高梗丝纯净度cpk项目数据收集计划表测量对象类型收集人测量工具时间范围样本量抽样方式测量系统分析方式YY1(甲班)连续型刘佳虹检验数据采集系统6月31系统抽样GRR%Y2(乙班)连续型陈锐检验数据采集系统6月31系统抽样GRR%我们根据数据收集计划表,按照生产计划,并且本着甲、乙两班组相对应的原则,收集6月份有关数据如下:表3、梗丝纯净度数据收集表牌号班次纯净度牌号班次纯净度牌号班次纯净度牌号班次纯净度1mg...

1、当您付费下载文档后,您只拥有了使用权限,并不意味着购买了版权,文档只能用于自身使用,不得用于其他商业用途(如 [转卖]进行直接盈利或[编辑后售卖]进行间接盈利)。
2、本站所有内容均由合作方或网友上传,本站不对文档的完整性、权威性及其观点立场正确性做任何保证或承诺!文档内容仅供研究参考,付费前请自行鉴别。
3、如文档内容存在违规,或者侵犯商业秘密、侵犯著作权等,请点击“违规举报”。

碎片内容

提高梗丝纯净度过程能力指数(六西格玛评审版)

您可能关注的文档

确认删除?
VIP
微信客服
  • 扫码咨询
会员Q群
  • 会员专属群点击这里加入QQ群
客服邮箱
回到顶部