电脑桌面
添加小米粒文库到电脑桌面
安装后可以在桌面快捷访问

SY 4031—93 石油建设工程质量检验评定标准自动化仪表安装工程_2VIP专享VIP免费

SY 4031—93 石油建设工程质量检验评定标准自动化仪表安装工程_2_第1页
1/19
SY 4031—93 石油建设工程质量检验评定标准自动化仪表安装工程_2_第2页
2/19
SY 4031—93 石油建设工程质量检验评定标准自动化仪表安装工程_2_第3页
3/19
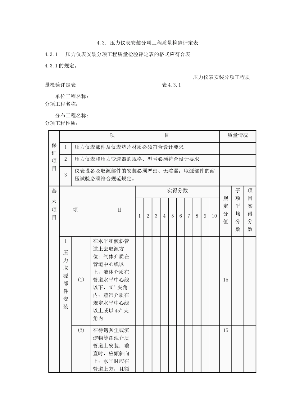
4.3.压力仪表安装分项工程质量检验评定表4.3.1压力仪表安装分项工程质量检验评定表的格式应符合表4.3.1的规定。压力仪表安装分项工程质量检验评定表表4.3.1单位工程名称:分项工程名称:分布工程名称:分项工程性质:保证项目项目质量情况1压力仪表部件及仪表垫片材质必须符合设计要求2压力仪表和压力变速器的规格、型号必须符合设计要求3仪表设备及取源部件的安装必须严密、无渗漏;取源部件的耐压试验必须符合规范规定。基本项目项目实得分数规定分值子项平均分数项目实得分数123456789101压力取源部件安装(1)在水平和倾斜管道上去取源方位:气体介质在管道中心线以上;液体介质在管道水平中心线以下,45º夹角内;蒸汽介质在规定水平中心线以上或以45º夹角内15(2)在待遇灰尘或沉淀物等浑浊介质管道上安装:垂直时,应倾斜向上;水平时应在管道上方,且额15定介质流向,成锐角。(3)取源部件短管管端深入管道或设备内壁时不应超出内壁15(4)取源部件短管管端深入管道或设备内壁时不应超出内壁15*(5)位置符合设计要求或选择介质流束稳定处152压力仪表安装(1)安装在操作维修方便、无剧烈振动地方40(2)外观完整,位号符合设计要求15(3)取源接头连接不应使仪表承受机械压力15(4)固定牢固、平整15*(5)接线正确20*(6)安装高度符合CBJ93-86第4.1.1条、第4.3.3条的规定。20续表4.3.1基本项目项目实测偏差或实测值规定分值合格率项目实得分数123456789105温度变送器安装(1)位号符合设计要求10(2)外观完整,附件齐全10(3)集中安装时排列整齐10(4)固定牢固、平整10(5)取源接头连接不应使仪表承受机械压力10(6)线端连接牢固;导电良好;线号标志正确、清晰10*(7)空气管路连接正确、无渗漏、电气线路连接正确20*(8)位置符合设计要求CBJ93-86第4.1.1条的规定。20检查结果保证项目符合要求的项,不符合要求的项基本项目检查项,合计分,总平均分允许偏差项目实测项,合计分评定等级技术负责人:班质量检查员:核定等级专职质量检查员:年月5节流装置安装工程5.1保证项目5.1.1节流元件的材质、规格、型号必须符合设计要求。检验方法:按设计检查,并核对产品合格证。5.1.2节流元件的孔径和允许偏差必须符合设计和现行国家标准的规定。检验方法:用卡尺测量并核对设计。5.1.3节流元件的进、出口方向必须正确。检验方法:观察或核对安装记录。5.2基本项目5.2.1节流装置安装的质量要求及其枪验方法,规定分值应符合表5.2.1的规定。节流装置安装的质量要求及其检验方法、规定分值表5.2.1质量要求孔板入口及喷嘴出口边缘无毛刺、无圆角节流元件前后直管段最小长度应符合设计要求或CBJ93-86第2.4.1条、第2.4.2条规定法兰与管道焊接后,管口与法兰面平齐在水平和倾斜管道上取压方位正确温度设计与节流元件的上下游距离应符合CBJ93-86第2.4.3条、第2.4.4条规定严密,无渗漏耐压符合CBJ93-86第八章第六节规定检验方法观察用尺测量观察:核对安装记录观察用尺测量核对试漏记录核对试压记录规定分值*25*251010101010检查数量;用于高压、负压、高温、易燃、易爆、有毒、有害介质检测的节流装置必须全部检验;用于中低压、常温等无害介质检测的节流元件应抽检30%,且不应少于一个。取压方位规定:a.气体介质,在管道水平中心线以上;b.液体介质,在管道水平中心线以下,45º夹角内;c.蒸汽介质,在管道水平中心线以上,45º夹角内。5.2.2不同取压方式安装的质量要求及其检验方法、规定分值应符合表5.2.2的规定。不同取压方式安装的质量要求及其检验方法、规定分值表5.2.2质量要求单独钻孔角接取压:上下游取压孔直径相等,其轴线与节流元件上下侧端面距离为孔直径的一半法兰取压:上下游取压孔直径相等,其轴线与工艺管道轴线垂直相交D和D/2取压:上下游取压孔直径相等,其轴线与工艺管道轴线垂直相交均压环取压:上下游取压孔数相等,且在同一截面上皮托管,文丘里管,均速管取压:取压部件轴线与规定轴线垂直相交,上下游直管段最小长度符合设计要求检验方法用尺测量观察:用尺测量观察用尺测量规定分值*20202020*20检查数量:用于高压,负压、高温,易燃、易爆,有毒、有害介质处的元...

1、当您付费下载文档后,您只拥有了使用权限,并不意味着购买了版权,文档只能用于自身使用,不得用于其他商业用途(如 [转卖]进行直接盈利或[编辑后售卖]进行间接盈利)。
2、本站所有内容均由合作方或网友上传,本站不对文档的完整性、权威性及其观点立场正确性做任何保证或承诺!文档内容仅供研究参考,付费前请自行鉴别。
3、如文档内容存在违规,或者侵犯商业秘密、侵犯著作权等,请点击“违规举报”。

碎片内容

SY 4031—93 石油建设工程质量检验评定标准自动化仪表安装工程_2

确认删除?
VIP
微信客服
  • 扫码咨询
会员Q群
  • 会员专属群点击这里加入QQ群
客服邮箱
回到顶部