电脑桌面
添加小米粒文库到电脑桌面
安装后可以在桌面快捷访问

工程材料及成型技术基础复习总结VIP免费

工程材料及成型技术基础复习总结_第1页
1/9
工程材料及成型技术基础复习总结_第2页
2/9
工程材料及成型技术基础复习总结_第3页
3/9
..工程材料与成型技术根底1.材料强度是指材料在到达允的变形程度或断裂前所能承受的最大应力。2.工程上常用的强度指标有屈服强度和抗拉强度。3.弹性模量即引起单位弹性变形所需的应力。4.载荷超过弹性极限后,假设卸载,试样的变形不能全部消失,将保存一局部剩余成形,这种不恢复的参与变形,成为塑性变形。5.产生塑性变形而不断裂的性能称为塑性。6.抗拉强度是试样保持最大均匀塑性变形的极限应力,即材料被拉断前的最大承载能力。7.发生塑性变形而力不增加时的应力称为屈服强度。8.硬度是指金属材料外表抵抗其他硬物体压入的能力,是衡量金属材料软硬程度的指标。9.硬度是检验材料性能是否合格的根本依据之一。10.应用围具有粗大晶粒或组成相得金属材料的硬度用于淬火钢、退火钢、铝合金等硬度稍软的金属维氏硬度渗碳、镀层等工艺处理效果测试原理测量外表压痕,即测量面积,损害较大测试件深度,即压痕深度增量布氏硬度洛氏硬度硬度分类测试小件,检验氧化、氮化、单个晶粒微粒11.12.13.14.布氏硬度最硬,洛氏硬度小于布氏硬度,维氏硬度小于前面两种硬度。冲击韧性:在冲击试验中,试样上单位面积所吸收的能量。当交变载荷的值远远低于其屈服强度是发生断裂,这种现象称为疲劳断裂。疲劳度是指材料在无限屡次的交变载荷作用而不会产生破坏的最大应力。..word.zl...15.16.原子在空间呈规那么排列的固体物质称为晶体,晶体具有固定的熔点。晶格:表示金属部原子排列规律的抽象的空间格子。晶面:晶格中各种位的原子面。晶胞:构成晶格的最根本几单元。17.体心立晶格:α-Fe、鉻〔Cr〕、钼〔Mo〕、钨〔W〕。面心立晶格:铝〔Al〕、铜〔Cu〕、银〔Ag〕、镍(Ni)、金〔Au〕。密排六晶格:镁〔Mg〕、锌〔Zn〕、铍〔Be〕、镉〔Cd〕。18.19.20.21.22.23.24.25.点缺陷是指长、宽、高三个向上尺寸都很小的缺陷,如:间隙原子、置换原子、空位。线缺陷是指在一个向上尺寸较大,而在另外两个向上尺寸很小的缺陷,呈线状分布,其具体形式是各种类型的位错。面缺陷是指在两个向上尺寸较大,而在另一个向上尺寸很小的缺陷,如晶界和亚晶界。原子从一种聚集状态转变成另一种规那么排列的过程,称为结晶。结晶过程由形成晶核和晶核长大两个阶段组成。纯结晶是在恒温下进展的。实际结晶温度Tn低于理论结晶温度Tm的现象,称为过冷,其差值称为过冷度ΔT,即ΔT=Tm﹣Tn。同一液态金属,冷却速度愈大,过冷度也愈大。浇注时,向液态金属中参加一些高熔点、溶解度的金属或合金,当其构造与液态金属的晶体构造相似时使形核率大大提高,获得均匀细小的晶粒。这种法称为变质处理。26.液态金属结晶后获得具有一定晶格构造的晶体,高温状态下的晶体,在冷却过程中晶格构造法发生改变的现象,称为同素异构转变,又称重结晶。27.28.一种金属具有两种或两种以上的晶体构造,称为同素异构性。当溶质原子溶入溶剂晶格,使溶剂晶格发生畸变,导致固溶体强度、硬度提高,塑性和韧性略有下降的下降,称为固溶强化。..word.zl...29.30.31.32.合金的种类碳的质量分数室温组织力学性能金属化合物呈细小颗粒均匀分布在固溶体基体上时,使合金的强度、硬度、耐热性和耐磨性明显提高,这一现象称为弥散强化。杠杆定律→大题(P26)。相图分析→大题(P32)。铁碳合金的分类碳钢工业纯铁亚共析钢共析钢过共析钢亚共晶铸铁白口铸铁亚共晶铸铁晶铸铁﹤0.0218F0.0218-0.770.77P综合0.77-2.11P+FeCⅡ2.11-4.3P+FeCⅡ+Ld’4.3Ld4,3-6.69FeCⅠ+Ld’P+F软塑性、韧性好力学性能好硬度大硬而脆33.34.碳钢是指碳的质量分数小于2.11%的铁碳合金。碳钢的分类钢种低碳钢质量分数wc≦0.25%wc=0.025%-0.6%wc﹥0.6%好强度较高、但塑性和焊接性差塑性和焊接性差,强度和硬度高特点强度低、塑性和焊接性分类法按碳的质量分数中碳钢高碳钢35.36.铸铁是应用广泛的一种铁碳合金,其wc﹥2.11%.按照墨形貌的不同,这一类铸铁可以分为灰铸铁〔片状墨〕、可锻铸铁〔团絮状墨〕、球墨铸铁〔球状墨〕和蠕墨铸铁〔蠕虫状墨〕四种。37.38.钢的热处理是将固态钢采用适当的式进展加热、保温、和冷却,以获得所需组织构造与性能的一种工艺。热处理的特点是改变零...

1、当您付费下载文档后,您只拥有了使用权限,并不意味着购买了版权,文档只能用于自身使用,不得用于其他商业用途(如 [转卖]进行直接盈利或[编辑后售卖]进行间接盈利)。
2、本站所有内容均由合作方或网友上传,本站不对文档的完整性、权威性及其观点立场正确性做任何保证或承诺!文档内容仅供研究参考,付费前请自行鉴别。
3、如文档内容存在违规,或者侵犯商业秘密、侵犯著作权等,请点击“违规举报”。

碎片内容

工程材料及成型技术基础复习总结

您可能关注的文档

确认删除?
VIP
微信客服
  • 扫码咨询
会员Q群
  • 会员专属群点击这里加入QQ群
客服邮箱
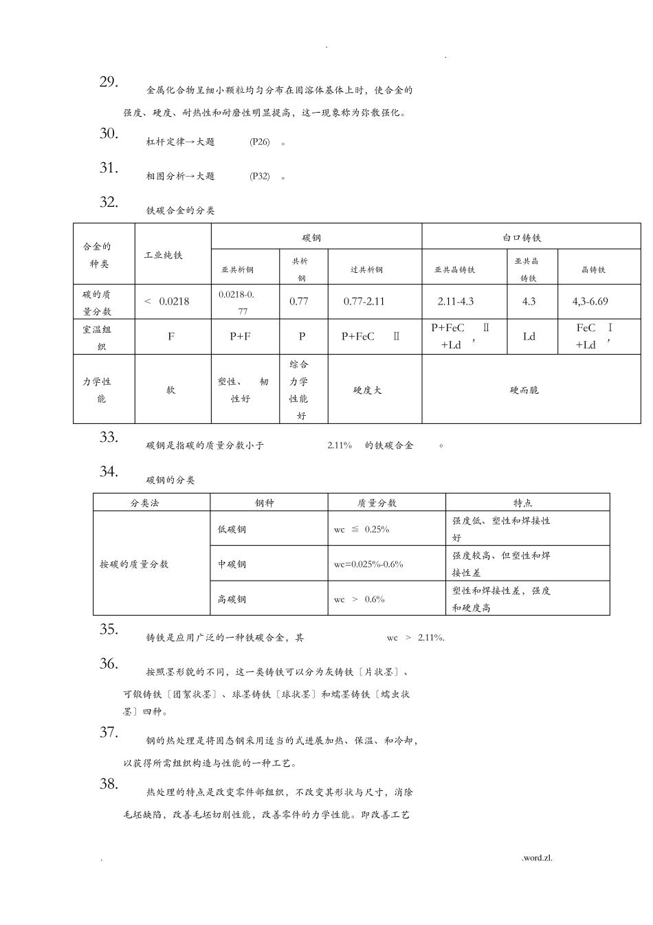
回到顶部