电脑桌面
添加小米粒文库到电脑桌面
安装后可以在桌面快捷访问

质量环境管理体系一体化内部审核检查表VIP免费

质量环境管理体系一体化内部审核检查表_第1页
1/18
质量环境管理体系一体化内部审核检查表_第2页
2/18
质量环境管理体系一体化内部审核检查表_第3页
3/18
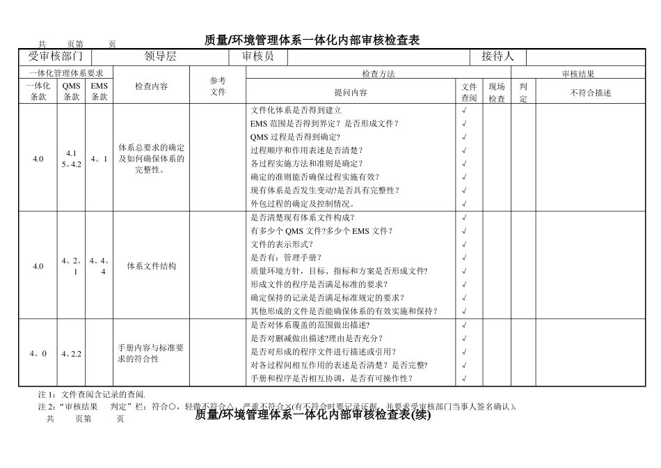
共页第页质量/环境管理体系一体化内部审核检查表领导层审核员参考文件提问内容文件化体系是否得到建立EMS范围是否得到界定?是否形成文件?QMS过程是否得到确定?受审核部门一体化管理体系要求一体化条款QMS条款EMS条款检查方法接待人文件现场判查阅检查定√√√√√√√√√√√√√√√√√√√√√审核结果不符合描述检查内容4.04.14。15。4.2体系总要求的确定及如何确保体系的完整性。过程顺序和作用表述是否清楚?各过程实施方法和准则是确定?确定的准则能否确保过程实施有效?现有体系是否发生变动?是否具有完整性?外包过程的确定及控制情况。是否清楚现有体系文件构成?有多少个QMS文件?多少个EMS文件?文件的表示形式?是否有:管理手册?4.04。2。4。4。14体系文件结构质量环境方针,目标、指标和方案是否形成文件?形成文件的程序是否满足标准的要求?确定保持的记录是否满足标准规定的要求?其他形成的文件是否能确保体系的有效实施和保持?4。04。2.2手册内容与标准要求的符合性是否对体系覆盖的范围做出描述?是否对删减做出描述?理由是否充分?是否对形成的程序文件进行描述或引用?对各过程间相互作用的表述是否清楚?是否完整?手册和程序是否相互协调,是否有可操作性?注1:文件查阅含记录的查阅.注2:“审核结果判定”栏:符合○,轻微不符合△,严重不符合×(有不符合时要记录证据,并要求受审核部门当事人签名确认)。共页第页质量/环境管理体系一体化内部审核检查表(续)一体化管理体系要求一体化条款QMS条款5.05.1a5.5。15.05.25.5.1以顾客为关注焦点的体现EMS条款检查内容最高管理者对满足法律法规和顾客重要性宣传情况。参考文件检查方法提问内容总经理是否清楚主要的法律法规名称及要求?是否向全体员工宣传其中内容及满足这些要求的重要性?是否向全体员工宣传满足顾客要求对公司生存发展重要?文件查阅√√√√现场检查判定审核结果不符合描述1.05。35.5。15.1b4.2质量环境方针是否符合标准的要求1.05.4.14。3。质量/环境目标5。1c3的制定.5.5.1宣传的渠道是否畅通?方法是否可行?请总经理回答对以顾客为关注焦点的认识,查对顾客要求识别是否完整?是否准确地传达到相关部门?是否对顾客满意进行了监视和测量?有无顾客投诉?如有,是否及时予以处理?处理结果如何?请总经理介绍质量环境方针的制定经过。现有质量环境方针是否形成文件?是否发布前得到批准?质量方针是否体现公司宗旨?是否对持续改进作出承诺?环境方针是否对遵守法律法规和污染预防作出承诺?是否通过相应的方法对公众进行宣传?是否对质量环境方针的适宜性进行评审?如已进行,结论如何?请总经理介绍质量目标和环境目标的制定经过.质量目标是否包括了满足产品要求的内容?是否可测量?质量目标是否进行了分解?分解是否覆盖了手册中确定的相关部门和岗位?1)目标分解分解的内容是否与本职工作相结合?是否可测量?2)环境目标、环境目标、指标是否包括污染预防和遵守法律法规承诺?指标和方案环境目标、指标是否可测量?是否进行分解?3)目标完成情分解是否覆盖了手册中确定的相关部门和岗位?况统计表。分解的内容是否与本职工作相结合?是否可测量?是否针对目标指标制定相应的方案?如已制定,是否对职责和实现的时间作出规定?是否对质量环境目标完成情况进行统计?共页第页质量/环境管理体系一体化内部审核检查表(续)一体化管理体系要求一体化条款QMS条款EMS条款检查内容参考文件检查方法提问内容与质量/环境有关的岗位职责是得到了规定?总经理是否清楚自己的质量环境职责?如何确保已规定的职责在内部得到有效的沟通?是否指定了质量/环境管理者代表?文件查阅现场检查判定审核结果不符合描述5.15.54.4。1职责权限的规定如已指定,是否为本公司职员?管理者代表对自己的职责是否清楚?职责履行是否与规定相符?是否规定了内部沟通的方法和实施要求?内部沟通是否畅通?总经理是否清楚管理评审的目的、职责?以往管理评审资料是否保存?上次管理评审改进决定的实施效果如何?本年度管理评审准备何时进行?是否确定了评审输入?查确定的输入是否满足标准的要求?询问总经理为确保质量环境...

1、当您付费下载文档后,您只拥有了使用权限,并不意味着购买了版权,文档只能用于自身使用,不得用于其他商业用途(如 [转卖]进行直接盈利或[编辑后售卖]进行间接盈利)。
2、本站所有内容均由合作方或网友上传,本站不对文档的完整性、权威性及其观点立场正确性做任何保证或承诺!文档内容仅供研究参考,付费前请自行鉴别。
3、如文档内容存在违规,或者侵犯商业秘密、侵犯著作权等,请点击“违规举报”。

碎片内容

质量环境管理体系一体化内部审核检查表

您可能关注的文档

爱的疯狂+ 关注
实名认证
内容提供者

该用户很懒,什么也没介绍

确认删除?
VIP
微信客服
  • 扫码咨询
会员Q群
  • 会员专属群点击这里加入QQ群
客服邮箱
回到顶部