电脑桌面
添加小米粒文库到电脑桌面
安装后可以在桌面快捷访问

高三物理二轮复习 选考题15分强化练(选修3-3)-人教版高三选修3-3物理试题VIP免费

高三物理二轮复习 选考题15分强化练(选修3-3)-人教版高三选修3-3物理试题_第1页
1/7
高三物理二轮复习 选考题15分强化练(选修3-3)-人教版高三选修3-3物理试题_第2页
2/7
高三物理二轮复习 选考题15分强化练(选修3-3)-人教版高三选修3-3物理试题_第3页
3/7
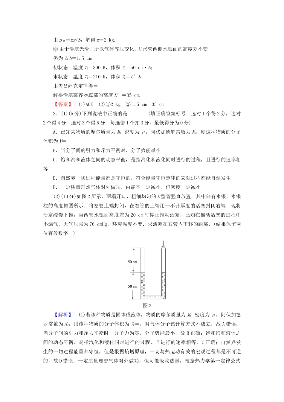
选考题15分强化练(选修3-3)1.(1)(5分)给体积相同的两个容器A、B分别装满温度为60℃的热水和6℃的冷水.下列说法中正确的是()A.由于温度是分子平均动能的标志,所以容器A中水分子的平均动能比容器B中水分子的平均动能大B.由于温度越高,布朗运动越剧烈,所以容器A中水分子的布朗运动比容器B中水分子的布朗运动更剧烈C.若把A、B两个容器靠在一起,则A、B两容器内水的内能都将发生改变,这种改变内能的方式叫热传递D.由于A、B两容器内水的体积相等,所以A、B两容器中水分子间的平均距离相等E.已知水的相对分子质量是18,若容器B中水的质量为3kg,水的密度为1.0×103kg/m3,阿伏加德罗常数NA=6.02×1023mol-1,则容器B中水分子个数约为1.0×1026图1(2)(10分)如图1所示,在圆柱形气缸中用具有质量的光滑导热活塞密闭有一定质量的理想气体,在气缸底部开有一小孔,与U形水银管相连,已知外界大气压为p0=75cmHg,室温t0=27℃,稳定后两边水银面的高度差为Δh=1.5cm,此时活塞离容器底部的高度为L=50cm.已知柱形容器横截面积S=0.01m2,75cmHg=1.0×105Pa.①求活塞的质量;②使容器内温度降至-63℃,求此时U形管两侧水银面的高度差和活塞离容器底部的高度L′.【解析】(1)布朗运动不是水分子的运动,而是水中小颗粒的无规则运动,所以选项B错误;由于A、B两容器中水的密度不同(热水的密度较小),所以A、B两容器中水的质量不同,水分子的个数不同,水分子间的平均距离也不相等,选项D错误;根据题意,水的摩尔质量为18g/mol,容器B中水的物质的量为n=mol=mol,所以容器B中水分子个数约为N=nNA=1.0×1026,选项E正确.(2)①根据U形管两侧水银面的高度差为Δh=1.5cm,可知A中气体压强pA1=p0+pΔh=75cmHg+1.5cmHg=76.5cmHg而pA1=p0+p塞所以活塞产生的压强p塞=1.5cmHg=1.5××105Pa=0.02×105Pa由p塞=mg/S,解得m=2kg.②由于活塞光滑,所以气体等压变化,U形管两侧水银面的高度差不变仍为Δh=1.5cm初状态:温度T1=300K,体积V1=50cm·S;末状态:温度T2=210K,体积V2=L′S由盖吕萨克定律得=解得活塞离容器底部的高度L′=35cm.【答案】(1)ACE(2)①2kg②1.5cm35cm2.(1)(5分)下列说法中正确的是________(填正确答案标号.选对1个得2分,选对2个得4分,选对3个得5分.每选错1个扣3分,最低得分为0分)A.已知某物质的摩尔质量为M,密度为ρ,阿伏加德罗常数为NA,则这种物质的分子体积为V=B.当分子间的引力和斥力平衡时,分子势能最小C.饱和汽和液体之间的动态平衡,是指汽化和液化同时进行的过程,且进行的速率相等D.自然界一切过程能量都是守恒的,符合能量守恒定律的宏观过程都能自然发生E.一定质量理想气体对外做功,内能不一定减小,但密度一定减小(2)(10分)如图2所示,两端开口、粗细均匀的U型管竖直放置,其中储有水银,水银柱的高度如图所示.将左管上端封闭,在右管的上端用一不计厚度的活塞封闭右端.现将活塞缓慢下推,当两管水银面高度差为20cm时停止推动活塞,已知在推动活塞的过程中不漏气,大气压强为76cmHg,环境温度不变.求活塞在右管内下移的距离.(结果保留两位有效数字.)图2【解析】(1)若该种物质是固体或液体,物质的摩尔质量为M,密度为ρ,阿伏加德罗常数为NA,则该种物质的分子体积为V0=,对气体分子该计算方式不成立,故A错误;当分子间的引力和斥力平衡时,分子力为零,分子势能最小,故B正确;饱和汽和液体之间的动态平衡,是指汽化和液化同时进行的过程,且进行的速率相等,C正确;自然界发生的一切过程能量都守恒,但是根据熵增原理,一切与热运动有关的宏观过程都是不可逆的,故D错误;一定质量理想气体对外做功,但可能吸收热量,根据热力学第一定律公式ΔU=W+Q,内能不一定减少;体积变大,密度变小,故E正确,选B、C、E.(2)设活塞下移xcm,U型管的截面积为SL′左=40cmL′右=(60-x)cmp′右=(p′左+20)cmHgp左L左S=p′左L′左Sp右L右S=p′右L′右S解得:p′左=95cmHgp′右=115cmHgx=27cm.【答案】(1)BCE(2)27cm3.(1)(5分)下列有关热现象的说法正确的是________(填正确答案标号.选对1个得2分,选对2个得...

1、当您付费下载文档后,您只拥有了使用权限,并不意味着购买了版权,文档只能用于自身使用,不得用于其他商业用途(如 [转卖]进行直接盈利或[编辑后售卖]进行间接盈利)。
2、本站所有内容均由合作方或网友上传,本站不对文档的完整性、权威性及其观点立场正确性做任何保证或承诺!文档内容仅供研究参考,付费前请自行鉴别。
3、如文档内容存在违规,或者侵犯商业秘密、侵犯著作权等,请点击“违规举报”。

碎片内容

高三物理二轮复习 选考题15分强化练(选修3-3)-人教版高三选修3-3物理试题

确认删除?
VIP
微信客服
  • 扫码咨询
会员Q群
  • 会员专属群点击这里加入QQ群
客服邮箱
回到顶部