电脑桌面
添加小米粒文库到电脑桌面
安装后可以在桌面快捷访问

质量管理体系五种核心工具教材(五)VIP免费

质量管理体系五种核心工具教材(五)_第1页
1/24
质量管理体系五种核心工具教材(五)_第2页
2/24
质量管理体系五种核心工具教材(五)_第3页
3/24
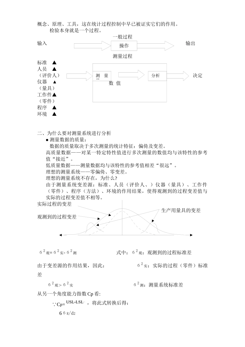
质量管理体系五种核心工具培训教材(五)MSA测量系统分析MeasurementSystemsAnalysis上海XX汽车科技有限公司目录一、何谓测量系统-----------------------------3二、为什么对测量系统进行分析---------------------3三、对测量系统析要分析什么------------------------5四、如何分析测量系统的“五性”--------------------6五、对测量系统进行研究分析了怎么办----------------23前言测量系统分析(MSA)是汽车行业在采用质量管理体系标准ISO/TS16949:2002时所涉及的五种核心工具之一。本教材简明阐述了五个问题:何谓测量系统?为什么要对测量系统进行分析?对测量系统分析要分析什么?如何分析测量系统的五性?对测量系统进行研究分析了怎么办?一、何谓测量系统定义:是对测量单元进行量化或对被测的特性进行评估,其所使用的仪器或量具、标准、操作、方法、夹具、软件、人员、环境及假设的集合。也就是说,用来获得测量结果的整个过程。由这个定义可以将测量过程看作一个制造过程,其产生的输出就是数值(数据)。这样看待一个测量系统是很有用的,因为这样让我们明白已经说明的所有概念、原理、工具,这在统计过程控制中早已被证实它们的作用。检验本身就是一个过程。一般过程输入输出测量过程标准▲人员▲(评价人)决定仪器▲(量具)工作件▲(零件)程序▲环境▲二、为什么要对测量系统进行分析测量数据的质量:数据的质量取决于多次测量的统计特征:偏倚及变差。高质量数据——对某一特定特性值进行多次测量的数值均与该特性的参考值“接近”。低质量数据——测量数据均与该特性的参考值相差“很远”。理想的测量系统——零偏倚、零变差。理想的测量系统不存在,为什么?由于测量系统变差源:标准、人员(评价人、)仪器(量具)、工作件(零件)、程序(方法)、环境的作用结果,使得观测到的过程变差值与实际的过程变差值不相等。实际过程的变差生产用量具的变差观测到的过程变差б2观=б2实+б2测式中:б2观:观测到的过程标准差由于变差源的作用结果,因此:б2实:实际的过程(零件)标准差б2观>б2实б2测:测量系统标准差从另一个角度能力指数Cp看:C p=USL-LSL,将此式转换后得:6бR/d2操作数值测量量分析(Cp)观−2=(Cp)实−2+(Cp)测−2事实上,由于测量系统变差源的作用结果,∴Cp观<Cp实例如:Cp测为2,Cp实必须大于或等于1.79时,才得到Cp观为1.33只有在测量过程没有任何变差源作用时,Cp观=Cp测,这是不可能的。再比如:当R&R为10%时,Cp实为2,Cp观为1.96当R&R为30%时,Cp实为2,Cp观为1.71当R&R为60%时,Cp实为2,Cp观为1.28可以看出,Cp观由1.96到1.28之间的区别就是由于测量系统的不同所造成的。为此,我们要对测量系统进行分析,要识别测量系统的普通原因和特殊原因,以便采取决策措施,使测量系统的变差减小到最小程度,使得测量系统观测到的过程变差值尽可能接近和真实地反映过程的变差值。这就要求,测量系统的最大(最坏)的变差必须小于过程变差或规范公差。三、对测量系统分析要分析什么前面我们谈到,数据的质量取决于处于稳定条件下进行操作的测量系统中,多次测量的统计特征:偏倚和变差。为此,我们引伸出如下一些术语:1.位置变差偏倚:观测到的测量值的平均值与参考值之间的差值。准确度:与真值(或参考值)“接近”的程度。稳定性:别名:漂移。随时间变化的偏倚值线性:在量具正常工作量程内的偏倚变化量。2.宽度变差精确度:每个重复读数之间的“接近”程度。重复性(设备变差):E、V一个评价人、同一种仪器、同一零件的某一特性,在固定的和已定义的测量条件下,连续(短期内)多次测量中的变差。再现性(评价人变差):A、V不同评价人、同一种仪器、同一零件的某一特性的测量平均值的变差。GRR或量具的重复性和再现性:是重复性和再现性的联合估计值。测量系统能力:短期评估,是对测量误差合成变差的估计222б能力=б偏倚(线性)+бR&R*短期的一致性和均匀性(重复性误差)被包含在能力评价中。测量系统性能:性能量化了合成测量误差的长期评估。2222б性能=б能力+б稳定性+б一致性*测量量...

1、当您付费下载文档后,您只拥有了使用权限,并不意味着购买了版权,文档只能用于自身使用,不得用于其他商业用途(如 [转卖]进行直接盈利或[编辑后售卖]进行间接盈利)。
2、本站所有内容均由合作方或网友上传,本站不对文档的完整性、权威性及其观点立场正确性做任何保证或承诺!文档内容仅供研究参考,付费前请自行鉴别。
3、如文档内容存在违规,或者侵犯商业秘密、侵犯著作权等,请点击“违规举报”。

碎片内容

质量管理体系五种核心工具教材(五)

您可能关注的文档

黄金阁书苑+ 关注
实名认证
内容提供者

热爱教学事业,对互联网知识分享很感兴趣

确认删除?
VIP
微信客服
  • 扫码咨询
会员Q群
  • 会员专属群点击这里加入QQ群
客服邮箱
回到顶部