电脑桌面
添加小米粒文库到电脑桌面
安装后可以在桌面快捷访问

备件修复管理办法VIP免费

备件修复管理办法_第1页
1/7
备件修复管理办法_第2页
2/7
备件修复管理办法_第3页
3/7
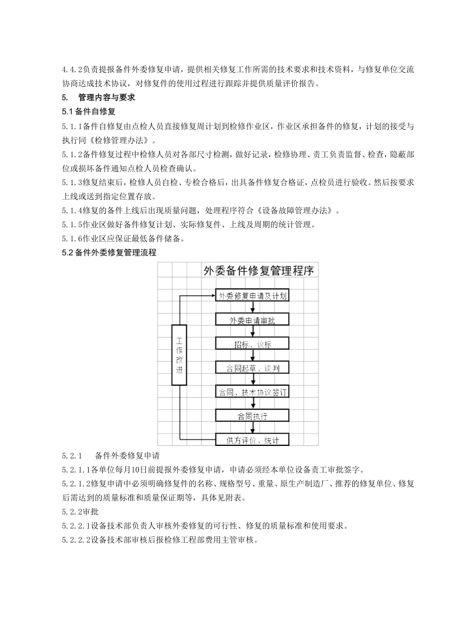
备件修复管理办法1目的为规范备件修复管理程序,规范外委修复的申报、审批、修复合同的订立以及结算等管理程序,特制定本办法。2适用范围适用于检修工程公司各单位备件自修复和备件外委修复管理。3术语/定义3.1备件:为满足生产设备正常运转而进行的设备维修所需要的零部件称为备件。3.2备件修复:指在生产经营过程中,对所使用的备件等进行修复,使其功能达到或接近原新品的质量和使用标准。按专业分为机械备件修复、液压元件修复、电气元件修复和仪表元件修复四类。3.3备件自修复:在线生产设备检修后更换下来的零部件,点检人员直接下修复计划到检修作业区,由检修作业区承担的备件修复,使其恢复使用功能,并满足经济要求的。3.4备件外委修复:在线生产设备检修后更换下来的零部件,委托外协人员或厂家修复,使其恢复使用功能,并满足经济要求的。4.职责4.1设备技术部职责4.1.1负责备件修复管理办法的制定、修订。4.1.2负责备件可修复率的统计。4.1.3负责外委修复备件技术协议的签订,审核外委修复的可行性、修复的质量标准、使用要求。4.2检修工程部职责4.2.1是备件修复的主管部门,负责监督、检查、考核各作业区备件修复管理过程。4.2.2负责备件外委修复申请的审批、修复合同的签订以、结算。4.2.3负责备件修复问题的调查处理,质量异议的处理。4.2.4负责修复件外出厂区的审核。4.3保障作业区职责4.3.1负责修复件的接货、外观验收、储存、发放,负责所管修复件库存、验收、发放、信息传递及修复件出库的统计。4.3.2负责生产小工具的制作和供应。4.4作业区职责4.4.1作业区负责备件修复的计划编制,承接备件自修复任务,保证合格的自修复备件,检修人员对备件检修质量负责,点检人员对所提供的零件质量负责。4.4.1负责备件可修复率、修复件使用周期的统计、分析,提出降低成本措施。4.4.2负责提报备件外委修复申请,提供相关修复工作所需的技术要求和技术资料,与修复单位交流协商达成技术协议,对修复件的使用过程进行跟踪并提供质量评价报告。5.管理内容与要求5.1备件自修复5.1.1备件自修复由点检人员直接修复周计划到检修作业区,作业区承担备件的修复,计划的接受与执行同《检修管理办法》。5.1.2备件修复过程中检修人员对各部尺寸检测,做好记录,检修协理、责工负责监督、检查,隐蔽部位或损坏备件通知点检人员检查确认。5.1.3修复结束后,检修人员自检、专检合格后,出具备件修复合格证,点检员进行验收。然后按要求上线或送到指定位置存放。5.1.4修复的备件上线后出现质量问题,处理程序符合《设备故障管理办法》。5.1.5作业区做好备件修复计划、实际修复件、上线及周期的统计管理。5.1.6作业区应保证最低备件储备。5.2备件外委修复管理流程5.2.1备件外委修复申请5.2.1.1各单位每月10日前提报外委修复申请,申请必须经本单位设备责工审批签字。5.2.1.2修复申请中必须明确修复件的名称、规格型号、重量、原生产制造厂、推荐的修复单位、修复后需达到的质量标准和质量保证期等,具体见附表。5.2.2审批5.2.2.1设备技术部负责人审核外委修复的可行性、修复的质量标准和使用要求。5.2.2.2设备技术部审核后报检修工程部费用主管审核。5.2.2.3检修工程部报公司领导审批。5.2.3根据审批结果,检修工程部费用主管组织招标、议标。5.2.4合同的订立5.2.4.1签订修复合同必须遵守国家的法律、政策及有关规定。5.2.4.2修复合同一律采用书面格式,并采用统一的经济合同文本,符合《经济合同法》中的规定与条款要求,文字表达要清楚、准确。5.2.4.3修复件应具体写明牌号、规格型号(技术参数)、等级、数量、到货时间、修复厂家等。合同中必须明确质量标准和质量保证期。5.2.4.4修复件的合同价格由检修工程部与修复件使用单位共同确定,合同谈判程序符合《合同管理办法》,并按照规定的程序会签。5.2.5合同的批准合同的签订和批准按照《合同管理办法》中的有关要求进行。5.2.6修复件的出厂手续:设备责工开具出厂证明,检修工程部审核,综合部开具出厂证。5.2.7存储与结算5.2.7.1按合同要求修复的备件直接入到储运公司相应的库房。5.2.7.2库房保管员接到实物后必须办理验收入库,在未经...

1、当您付费下载文档后,您只拥有了使用权限,并不意味着购买了版权,文档只能用于自身使用,不得用于其他商业用途(如 [转卖]进行直接盈利或[编辑后售卖]进行间接盈利)。
2、本站所有内容均由合作方或网友上传,本站不对文档的完整性、权威性及其观点立场正确性做任何保证或承诺!文档内容仅供研究参考,付费前请自行鉴别。
3、如文档内容存在违规,或者侵犯商业秘密、侵犯著作权等,请点击“违规举报”。

碎片内容

备件修复管理办法

您可能关注的文档

确认删除?
VIP
微信客服
  • 扫码咨询
会员Q群
  • 会员专属群点击这里加入QQ群
客服邮箱
回到顶部