电脑桌面
添加小米粒文库到电脑桌面
安装后可以在桌面快捷访问

垂直运输和吊装方案VIP免费

垂直运输和吊装方案_第1页
1/9
垂直运输和吊装方案_第2页
2/9
垂直运输和吊装方案_第3页
3/9
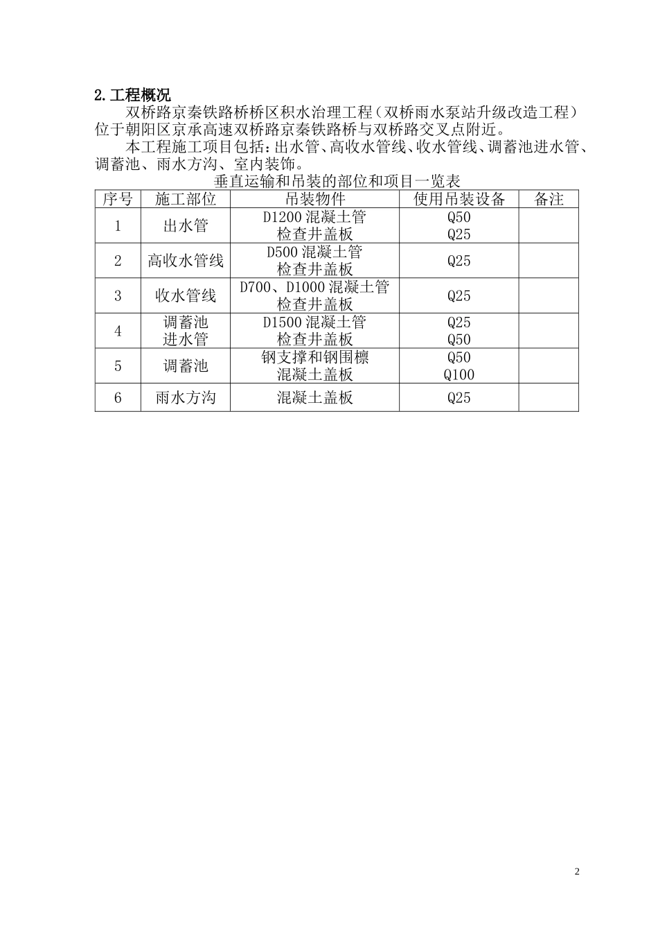
目录1.编制依据及原则.............................................11.1.编制依据..............................................11.2.编制原则..............................................12.工程概况...................................................23.吊装前准备工作.............................................33.1.现场准备..............................................33.2.机具准备..............................................33.3.劳动力配备............................................34.构配件运输和卸装...........................................44.1.构配件运输............................................44.2.构件的卸车和堆放......................................45.吊装施工...................................................55.1.吊装流程..............................................55.2.吊装作业..............................................55.3.吊车移位..............................................66.安装作业措施...............................................76.1.起重吊装安全作业基本要点..............................76.2.起重机司机“十不吊”..................................76.3.起重机械的安全使用....................................86.4.卡环的使用............................................86.5.绳卡的使用............................................96.6.吊钩的使用............................................96.7.钢丝绳的使用..........................................9双桥路京秦铁路桥桥区积水治理工程(双桥雨水泵站升级改造工程)垂直运输和吊装方案1.编制依据及原则1.1.编制依据⑴双桥路京秦铁路桥桥区积水治理工程(双桥雨水泵站升级改造工程)施工图纸;⑵双桥路京秦铁路桥桥区积水治理工程(双桥雨水泵站升级改造工程)施工组织设计;⑶《市政工程施工手册》⑷《建设工程安全生产管理条例》(国务院第393号令)⑸我公司现场踏勘所掌握的情况和资料;⑹我公司现有的施工技术、管理水平和机械设备配备能力;⑺我公司从事同类工程所积累的施工经验。1.2.编制原则⑴在采用先进、合理、经济、可行、成熟的施工技术及方案的前提下将“四新”技术应用到工程建设中。⑵重点进行施工部署及总体施工计划安排,多专业、多作业队同时施工,体现我公司的管理优势。⑶对本工程的重点、难点及对策进行重点论述。⑷施工工艺及方法体现设计要求,符合国家标准和北京市标准及规范,保证优质的工程质量。⑸根据施工地的实际情况制定一系列施工保证措施。⑹体现环保意识,保护施工地环境。12.工程概况双桥路京秦铁路桥桥区积水治理工程(双桥雨水泵站升级改造工程)位于朝阳区京承高速双桥路京秦铁路桥与双桥路交叉点附近。本工程施工项目包括:出水管、高收水管线、收水管线、调蓄池进水管、调蓄池、雨水方沟、室内装饰。垂直运输和吊装的部位和项目一览表序号施工部位吊装物件使用吊装设备备注1出水管D1200混凝土管检查井盖板Q50Q252高收水管线D500混凝土管检查井盖板Q253收水管线D700、D1000混凝土管检查井盖板Q254调蓄池进水管D1500混凝土管检查井盖板Q25Q505调蓄池钢支撑和钢围檩混凝土盖板Q50Q1006雨水方沟混凝土盖板Q2523.吊装前准备工作3.1.现场准备吊装前,必须对施工现场进行勘察,根据施工现场的实际情况,确定吊车的行进路线。清理现场障碍物,保证道路畅通。现场堆放场地,吊装区域场地已处理完毕,必须坚实平整,满足吊装要求。确定吊车的停放位置,以及构件的堆放位置,配置枕木,施工临时用电,机具、支架,安全设施等已经准备就绪。施工人员已进行技术、安全交底。构件按吊装先后顺序分类进场,并进行校对,对有缺陷的构件作退场处理。3.2.机具准备本工程吊装设备均采用自行式吊车,型号包括:Q25、Q50、Q100。所有吊车均采用租赁方式,与供应方提前签订供应合同,合同中约定工程设备的型号、性能、配套工具等。设备检修、维护、保养等均有供应方负责。3.3.劳动...

1、当您付费下载文档后,您只拥有了使用权限,并不意味着购买了版权,文档只能用于自身使用,不得用于其他商业用途(如 [转卖]进行直接盈利或[编辑后售卖]进行间接盈利)。
2、本站所有内容均由合作方或网友上传,本站不对文档的完整性、权威性及其观点立场正确性做任何保证或承诺!文档内容仅供研究参考,付费前请自行鉴别。
3、如文档内容存在违规,或者侵犯商业秘密、侵犯著作权等,请点击“违规举报”。

碎片内容

垂直运输和吊装方案

您可能关注的文档

确认删除?
VIP
微信客服
  • 扫码咨询
会员Q群
  • 会员专属群点击这里加入QQ群
客服邮箱
回到顶部