电脑桌面
添加小米粒文库到电脑桌面
安装后可以在桌面快捷访问

天津电气专业(含报审表)VIP免费

天津电气专业(含报审表)_第1页
1/52
天津电气专业(含报审表)_第2页
2/52
天津电气专业(含报审表)_第3页
3/52
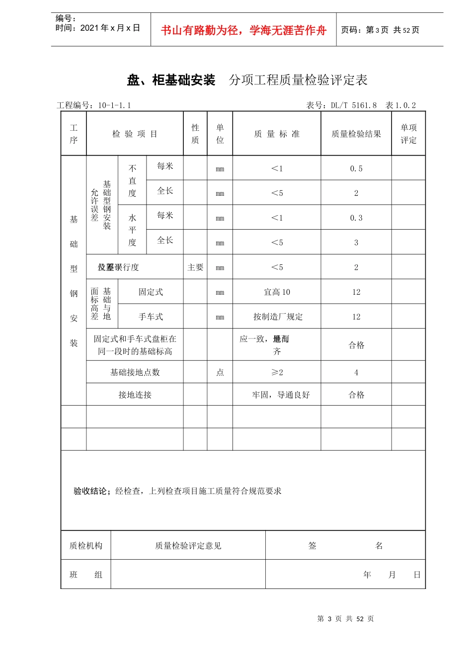
第1页共52页编号:时间:2021年x月x日书山有路勤为径,学海无涯苦作舟页码:第1页共52页表A.14验收申请表工程名称:天津晨兴力克环保科技发展有限公司技改3#炉及热电联供编号:致:天津市特种设备工程建设监理公司(监理单位)我方已完成除尘除灰系统控制设备安装分部工程,经三级自检合格,现报上该工程验收申请表,请予以审查验收。承包单位(章):项目经理:日期:项目监理部审查意见:项目监理部(章):总监理工程师专业监理工程师日期本表一式三份,由承包商填报,项目监理部、建设管理单位、承包商各存一份。第2页共52页第1页共52页编号:时间:2021年x月x日书山有路勤为径,学海无涯苦作舟页码:第2页共52页除尘除灰系统控制设备安装分部工程质量验收评定表工程编号:10-1表号:DL/T5210.4表4.0.2序号分项工程名称性质评定结果备注1陈尘除灰系统控制及保护屏安装合格2除尘除灰系统二次回路检查接线合格验收结论:经检查,上列检查项目施工质量符合规范要求质检机构质量验收评定意见签名工地年月日质检部年月日监理年月日建设单位年月日第3页共52页第2页共52页编号:时间:2021年x月x日书山有路勤为径,学海无涯苦作舟页码:第3页共52页盘、柜基础安装分项工程质量检验评定表工程编号:10-1-1.1表号:DL/T5161.8表1.0.2工序检验项目性质单位质量标准质量检验结果单项评定基础型钢安装基础型钢安装允许误差不直度每米mm<10.5全长mm<52水平度每米mm<10.3全长mm<53位置误差及不平行度主要mm<52基础与地面标高差固定式mm宜高1012手车式mm按制造厂规定12固定式和手车式盘柜在同一段时的基础标高应一致,且与地面平齐合格基础接地点数点≥24接地连接牢固,导通良好合格验收结论;经检查,上列检查项目施工质量符合规范要求质检机构质量检验评定意见签名班组年月日第4页共52页第3页共52页编号:时间:2021年x月x日书山有路勤为径,学海无涯苦作舟页码:第4页共52页工地年月日控制及保护屏台安装分项工程质量检验评定表工程编号:10-1-1.2表号:DL/T5161.8表5.0.2工序检验项目性质单位质量标准质量检验结果单项评定屏台就位找正安装位置主要按设计规定符合要求合格垂直度误差(每米)主要mm<1.50.7合格水平误差相邻两盘顶部mm<21.2合格成列盘顶部mm<53合格盘面误差相邻两盘边mm<10.2合格成列盘面mm<52合格盘间接缝mm<21合格屏台固定固定连接主要牢固牢固合格紧固件检查完好、齐全、紧固完好、齐全、紧固合格紧固件表面处理镀锌镀锌合格屏台接地底架与基础间连接主要牢固,导通良好牢固,导通良好合格有防震垫的盘接地每段盘有两点以上明显接地四点合格装有电器可开启屏门的接地用软铜导线可靠接地用软铜导线可靠接地合格屏台设备盘面检查平整、齐全平整、齐全合格设备及附件检查主要按设计规定按设计规定合格设备外观检查完好、无损伤完好、无损伤合格第5页共52页第4页共52页编号:时间:2021年x月x日书山有路勤为径,学海无涯苦作舟页码:第5页共52页检查电器元件固定牢固牢固合格盘上标志正确齐全、清晰、不易脱色正确齐全、清晰、不易脱色合格控制及保护屏台安装分项工程质量检验评定表工程编号:10-1-1.2表号:DL/T5161.8表5.0.2续工序检验项目性质单位质量标准质量检验结果单项评定屏台设备检查安全距离电气间隙mm按GB50171-1992中表3.0.6规定200合格爬电距离mm按GB50171-1992中表3.0.6规定120合格小母线安装检查铜棒或铜管直径mm≥68合格安装间距电气间隙mm≥1218合格爬电距离mm≥2032合格固定牢固牢固合格平直度无局部扭曲无合格接触面处理搪锡符合要求合格母线标志正确清晰、不易脱色符合要求合格验收结论:经检查,以上各检验项目均全部达到质量标准要求,该分项工程评为合格。质检机构质量检验评定意见签名班组年月日工地年月日第6页共52页第5页共52页编号:时间:2021年x月x日书山有路勤为径,学海无涯苦作舟页码:第6页共52页二次回路检查及控制电缆接线分项工程质量检验评定表工程编号:10-1-2表号:DL/T5161.8表7.0.2工序检验指标性质单位质量标准质量检验结果单项评定配线导线外观主要绝缘层完好,无中间接头符合要求配线连接(螺接、插接、焊接或压接)...

1、当您付费下载文档后,您只拥有了使用权限,并不意味着购买了版权,文档只能用于自身使用,不得用于其他商业用途(如 [转卖]进行直接盈利或[编辑后售卖]进行间接盈利)。
2、本站所有内容均由合作方或网友上传,本站不对文档的完整性、权威性及其观点立场正确性做任何保证或承诺!文档内容仅供研究参考,付费前请自行鉴别。
3、如文档内容存在违规,或者侵犯商业秘密、侵犯著作权等,请点击“违规举报”。

碎片内容

天津电气专业(含报审表)

您可能关注的文档

确认删除?
VIP
微信客服
  • 扫码咨询
会员Q群
  • 会员专属群点击这里加入QQ群
客服邮箱
回到顶部