电脑桌面
添加小米粒文库到电脑桌面
安装后可以在桌面快捷访问

车间钳工职位说明书VIP免费

车间钳工职位说明书_第1页
1/3
车间钳工职位说明书_第2页
2/3
车间钳工职位说明书_第3页
3/3
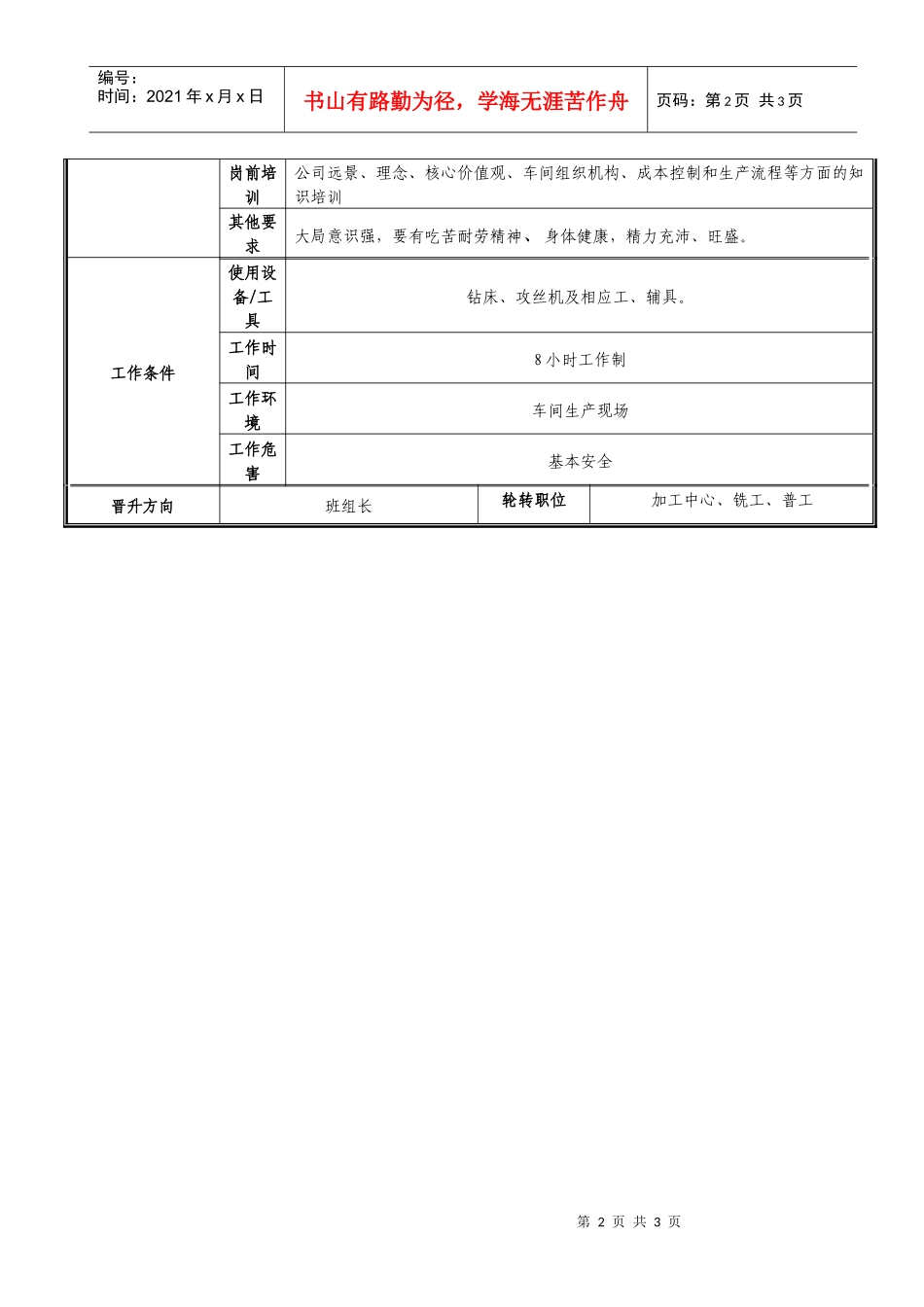
第1页共3页编号:时间:2021年x月x日书山有路勤为径,学海无涯苦作舟页码:第1页共3页机加车间钳工职位说明书基本情况职位名称钳工职位编号所属部门机加车间直接上级职位编制职系操作工直接下级所辖人数编制人彭晓明审核人职位概要对本职工作尽职尽责,遵守各项规章制度,执行力强。工作职责与工作任务:1、遵守公司、车间各项规章制度。2、负责使用设备的日常维护保养。3、负责加工过程中各种记录的及时、准确的填写。4、严格执行设备的操作规程和工艺规程5、负责现场“6S”的实施、保持、改进。6、保证安全生产,必须保质、保量完成各项生产任务。7、积极参加公司和车间组织的各项文体培训活动。8、服从公司、车间、班组安排。工作职权1、对车间管理工作的建议权。2、对工艺改进、质量、安全、加工方法改善的建议权。3、对处理结果的申诉权。4、对违章、违纪的举报权。内部关系汇报不定期向直接上级口头汇报相关工作事宜。督导对公司、车间违章、违纪的监督。任职资格学历初中及以上专业不限年龄35以下性别不限技能具有较强的质量、安全意识、以及较强的团队意识。学习能力及适应接收能力较强。语言表达能力强。自觉、自律性强。必备知识通过学习熟练掌握钻床、攻丝机的正确使用和加工工艺要求,法律知识。第2页共3页第1页共3页编号:时间:2021年x月x日书山有路勤为径,学海无涯苦作舟页码:第2页共3页岗前培训公司远景、理念、核心价值观、车间组织机构、成本控制和生产流程等方面的知识培训其他要求大局意识强,要有吃苦耐劳精神、身体健康,精力充沛、旺盛。工作条件使用设备/工具钻床、攻丝机及相应工、辅具。工作时间8小时工作制工作环境车间生产现场工作危害基本安全晋升方向班组长轮转职位加工中心、铣工、普工第3页共3页第2页共3页编号:时间:2021年x月x日书山有路勤为径,学海无涯苦作舟页码:第3页共3页

1、当您付费下载文档后,您只拥有了使用权限,并不意味着购买了版权,文档只能用于自身使用,不得用于其他商业用途(如 [转卖]进行直接盈利或[编辑后售卖]进行间接盈利)。
2、本站所有内容均由合作方或网友上传,本站不对文档的完整性、权威性及其观点立场正确性做任何保证或承诺!文档内容仅供研究参考,付费前请自行鉴别。
3、如文档内容存在违规,或者侵犯商业秘密、侵犯著作权等,请点击“违规举报”。

碎片内容

车间钳工职位说明书

确认删除?
VIP
微信客服
  • 扫码咨询
会员Q群
  • 会员专属群点击这里加入QQ群
客服邮箱
回到顶部