电脑桌面
添加小米粒文库到电脑桌面
安装后可以在桌面快捷访问

拨叉831007 工艺设计说明书VIP免费

拨叉831007 工艺设计说明书_第1页
1/8
拨叉831007 工艺设计说明书_第2页
2/8
拨叉831007 工艺设计说明书_第3页
3/8
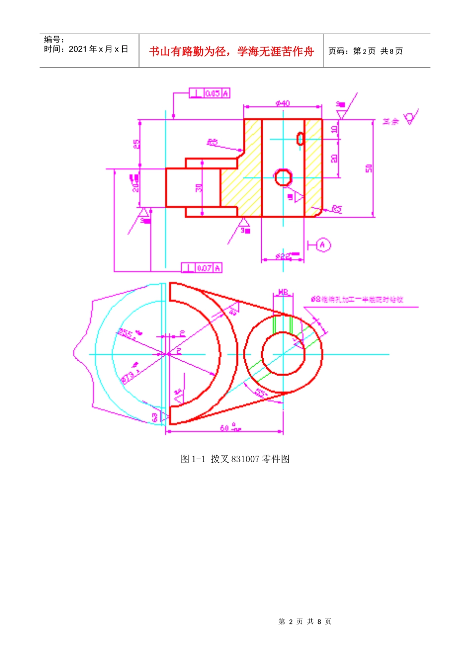
第1页共8页编号:时间:2021年x月x日书山有路勤为径,学海无涯苦作舟页码:第1页共8页课程设计与综合训练题目设计“CA604拨叉831007”零件的机械加工工艺规则第1章零件分析1.1零件的作用题目所给零件为CA6140车床的拨叉831007。拨叉位于车床变速机构中,主要起换档,使主轴回转运动按照工作者的要求工作,获得所需的速度和扭矩的作用。零件上方的φ22孔与操纵机构相连,而下方的φ55半孔则是用于与所控制齿轮所在的轴接触。通过上方的力拨动下方的齿轮变速。1.2设计任务根据所给零件的尺寸和精度要求,查阅有关手册资料,应用所学机械制造技术和机械制造装备的相关知识,设计出零件合理的加工工艺过程,制成工艺流程卡片,并写出工艺设计的说明书。具体内容如下:1、零件图(如图1-1)1张2、毛坯图(如图1-2)1张3、机械加工工艺过程综合卡片1份4、课程设计说明书1份第2页共8页第1页共8页编号:时间:2021年x月x日书山有路勤为径,学海无涯苦作舟页码:第2页共8页图1-1拨叉831007零件图第3页共8页第2页共8页编号:时间:2021年x月x日书山有路勤为径,学海无涯苦作舟页码:第3页共8页图1-2毛坯图1.3主要加工面零件的材料为HT200,灰铸铁生产工艺简单,铸造性能优良,但塑性较差、脆性高,不适合磨削,为此以下是拨叉需要加工的表面以及加工表面之间的位置要求:1.3.1需要加工的表面第4页共8页第3页共8页编号:时间:2021年x月x日书山有路勤为径,学海无涯苦作舟页码:第4页共8页1圆柱Ф40的上下端面、孔Ф60的上下端面;2孔Ф22mm以及与此孔相通的Ф8mm的锥孔、M8螺纹孔;3大头半圆孔Ф60mm。1.3.2位置要求大头半圆孔两端面与小头孔中心线的垂直度误差为0.07mm,小头孔上端面与其中心线的垂直度误差为0.05mm。由上面分析可知,可以粗加工拨叉底面,然后以此作为粗基准采用专用夹具进行加工,并且保证位置精度要求。再根据各加工方法的经济精度及机床所能达到的位置精度,并且此拨叉零件没有复杂的加工曲面,所以根据上述技术要求采用常规的加工工艺均可保证。1.4确定定位基准基面选择是工艺规程设计中的重要工作之一。基面选择得正确与合理可以使加工质量得到保证,生产率得以提高。否则,加工工艺过程中回问题百出,更有甚者,还会造成零件的大批报废,是生产无法正常进行。1.4.1粗基准的选择对于零件而言,尽可能选择不加工表面为粗基准。而对有若干个不加工表面的工件,则应以与加工表面要求相对位置精度较高的不加工表面作粗基准。根据这个基准选择原则,现选取φ22孔的不加工外轮廓表面作为粗基准,利用一组共两块V形块支承这两个φ40作主要定位面,限制5个自由度,再以一个销钉限制最后1个自由度,达到完全定位,然后进行铣削。第5页共8页第4页共8页编号:时间:2021年x月x日书山有路勤为径,学海无涯苦作舟页码:第5页共8页1.4.2精基准的选择精基准的选择主要应该考虑基准重合的问题。当设计基准与工序基准不重合时,应该进行尺寸换算,这在以后还要专门计算,此处不再重复。考虑要保证零件的加工精度和装夹准确方便,依据“基准重合”原则和“基准统一”原则,以粗加工后的底面为主要的定位精基准,以两个小头孔外圆柱表面为辅助的定位精基准。1.5工艺规程的制定1.5.1确定生产类型由生产类型的规范表一、零件的年生产纲领为轻型机械所、中批生产,所以初步确定工艺安排为:加工过程划分阶段;工序适当集中;加工设备以通用设备为主,大量采用专用工装。表一:生产类型零件的年生产纲领重型机械中型机械轻型机械单件生产≤5≤20≤100小批生产>5~100>20~200>100~500中批生产>100~300>200~500>500~5000大批生产>300~1000>500~5000>5000~50000大量生产>1000>5000>500001.5.2确定工艺路线一、确定毛坯的制造形式加工阶段的划分确定毛坯种类:零件材料为HT200。考虑零件在机床运行过程中所受冲击不大,零件结构又比较简单,生产类型为中批生产,故选择铸件毛坯。查《机械制造工艺及设备设计指导手册》(后称《指导手册》)选用铸件尺寸公差等级IT9级。第6页共8页第5页共8页编号:时间:2021年x月x日书山有路勤为径,学海无涯苦作舟页码:第6页共8页二、加工阶段的划分该...

1、当您付费下载文档后,您只拥有了使用权限,并不意味着购买了版权,文档只能用于自身使用,不得用于其他商业用途(如 [转卖]进行直接盈利或[编辑后售卖]进行间接盈利)。
2、本站所有内容均由合作方或网友上传,本站不对文档的完整性、权威性及其观点立场正确性做任何保证或承诺!文档内容仅供研究参考,付费前请自行鉴别。
3、如文档内容存在违规,或者侵犯商业秘密、侵犯著作权等,请点击“违规举报”。

碎片内容

拨叉831007 工艺设计说明书

您可能关注的文档

确认删除?
VIP
微信客服
  • 扫码咨询
会员Q群
  • 会员专属群点击这里加入QQ群
客服邮箱
回到顶部