电脑桌面
添加小米粒文库到电脑桌面
安装后可以在桌面快捷访问

电梯设备开箱检验记录VIP免费

电梯设备开箱检验记录_第1页
1/37
电梯设备开箱检验记录_第2页
2/37
电梯设备开箱检验记录_第3页
3/37
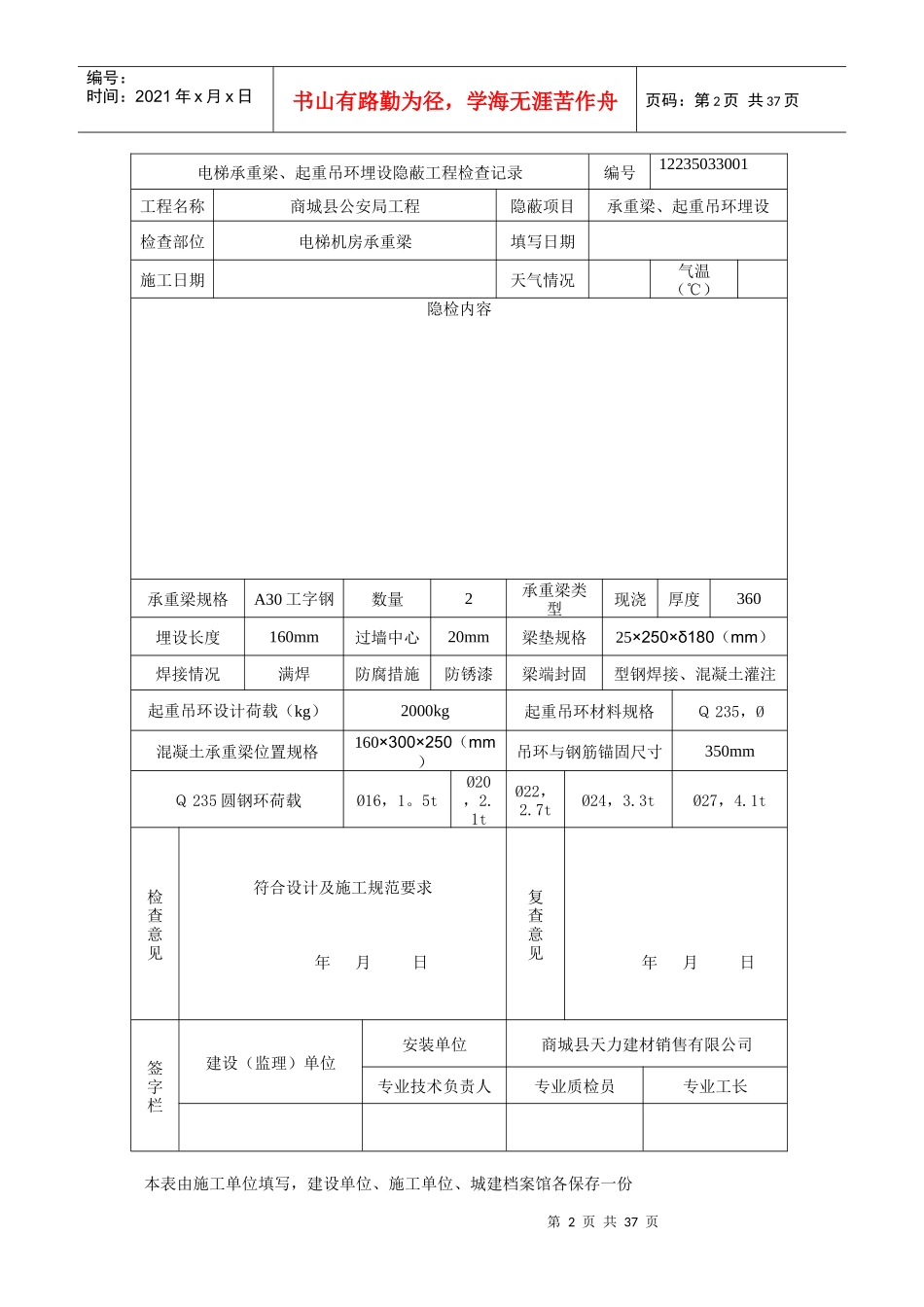
第1页共37页编号:时间:2021年x月x日书山有路勤为径,学海无涯苦作舟页码:第1页共37页本表由施工单位填写,建设单位、施工单位各保存一份。电梯设备开箱检验记录编号TS3344780-2017工程名称商城县公安局工程产品合同号12235033001设备名称及规格型号曳引式客梯MAX1000-CO1.75出厂日期2013-04-01装箱单号检验数量开箱日期检查内容及规范标准要求检查结果包装情况零部件应按类别及装箱单完好地装入箱内,并应垫平、卡紧、固定,精密加工、表面装饰的部件应防止相对移动。驱动主机应整体包装。包装及密封应完好,规格应符合设计要求,附件、备件齐全。设备、材料、零部件无损伤、锈蚀及其他异常情况完整齐全随机文件1.文件目录:2.装箱清单:3.产品合格证:4机房布置图:5.使用维护说明书:6。电气原理图、接线图及其符号说明:7.安全部件型式试验报告完整齐全机械部件曳引机标牌应注明:1.产品名称、型号:2额定速度:3.额定载重量:4.减速比:5出厂编号:6标准编号:7.质量等级标志:8。厂名、商标;9.出厂日期。限速器、缓冲器、安全钳装置、门锁等安全部件的标牌应标明;1.名称、型号及主要性能、参数:2.厂名:3.型式试验标志及实验单位完整齐全电气部件电动机、控制柜等各种电气部件应装入防潮箱内并应作防震处理,必须存放室内。控制柜标牌应标明;型号、规格、制造厂名称及其识别标志或商标完整齐全进口设备还应有进口货物报关单、商检合格证书及国际标准化组织认证的产品证书、产品检验标准和有关资料。产品各部件的标志、标识、须知、说明等,均应清晰、易懂、耐用,并优先使用中文文字处理意见经开箱检查,电梯设备包装完好,随机文件齐全完整,部件齐全无损坏签字栏建设(监理)单位供应单位安装单位第2页共37页第1页共37页编号:时间:2021年x月x日书山有路勤为径,学海无涯苦作舟页码:第2页共37页本表由施工单位填写,建设单位、施工单位、城建档案馆各保存一份电梯承重梁、起重吊环埋设隐蔽工程检查记录编号12235033001工程名称商城县公安局工程隐蔽项目承重梁、起重吊环埋设检查部位电梯机房承重梁填写日期施工日期天气情况气温(℃)隐检内容承重梁规格A30工字钢数量2承重梁类型现浇厚度360埋设长度160mm过墙中心20mm梁垫规格25×250×δ180(mm)焊接情况满焊防腐措施防锈漆梁端封固型钢焊接、混凝土灌注起重吊环设计荷载(kg)2000kg起重吊环材料规格Q235,Ø混凝土承重梁位置规格160×300×250(mm)吊环与钢筋锚固尺寸350mmQ235圆钢环荷载Ø16,1。5tØ20,2.1tØ22,2.7tØ24,3.3tØ27,4.1t检查意见符合设计及施工规范要求年月日复查意见年月日签字栏建设(监理)单位安装单位商城县天力建材销售有限公司专业技术负责人专业质检员专业工长第3页共37页第2页共37页编号:时间:2021年x月x日书山有路勤为径,学海无涯苦作舟页码:第3页共37页电梯导轨、层门的支架、螺旋埋设隐蔽工程检查记录编号12235033001工程名称商城县公安局工程检验项目导轨、层门的支架、螺旋埋设检查部位电梯井道内填写日期年月日施工日期年月日天气情况气温(C°)井壁结构现浇混凝土适用工艺膨胀螺栓适应图号a、b、c、d、e、f埋铁厚度よ≮16螺栓规格型钢规格燕尾夹角≮60°埋设深度≮120墙洞尺寸清渣冲水混凝土配合比(水泥:砂:豆石)护养(d)检查意见符合设计及施工规范要求年月日复查意见年月日签字栏建设(监理)单位安装单位商城县天力建材销售有限公司专业技术负责人专业质检员专业工长第4页共37页第3页共37页编号:时间:2021年x月x日书山有路勤为径,学海无涯苦作舟页码:第4页共37页本表由施工单位填写,建设单位、施工单位、城建档案馆各保存一份本表由施工单位填写,建设单位、施工单位各保存一份电梯电气装置安装检查记录(一)编号12235033001施工名称商城县公安局工程日期年月日序检验项目检验内容及其规范标准要求检查结果1主电源开关位置在机房入口,各台易识别,容量适当,距地面1.3-1.5m合格不应切断与电梯有关的照明、通风、插座及报警电路合格2机房照明与电梯电源分开,在机房入口处设开关,地面照度≮200lx合格3轿顶照明和通风电路电源可由相应的主开关进线侧...

1、当您付费下载文档后,您只拥有了使用权限,并不意味着购买了版权,文档只能用于自身使用,不得用于其他商业用途(如 [转卖]进行直接盈利或[编辑后售卖]进行间接盈利)。
2、本站所有内容均由合作方或网友上传,本站不对文档的完整性、权威性及其观点立场正确性做任何保证或承诺!文档内容仅供研究参考,付费前请自行鉴别。
3、如文档内容存在违规,或者侵犯商业秘密、侵犯著作权等,请点击“违规举报”。

碎片内容

电梯设备开箱检验记录

您可能关注的文档

确认删除?
VIP
微信客服
  • 扫码咨询
会员Q群
  • 会员专属群点击这里加入QQ群
客服邮箱
回到顶部