电脑桌面
添加小米粒文库到电脑桌面
安装后可以在桌面快捷访问

初级制丝(切烘)设备修理工鉴定规范VIP免费

初级制丝(切烘)设备修理工鉴定规范_第1页
1/67
初级制丝(切烘)设备修理工鉴定规范_第2页
2/67
初级制丝(切烘)设备修理工鉴定规范_第3页
3/67
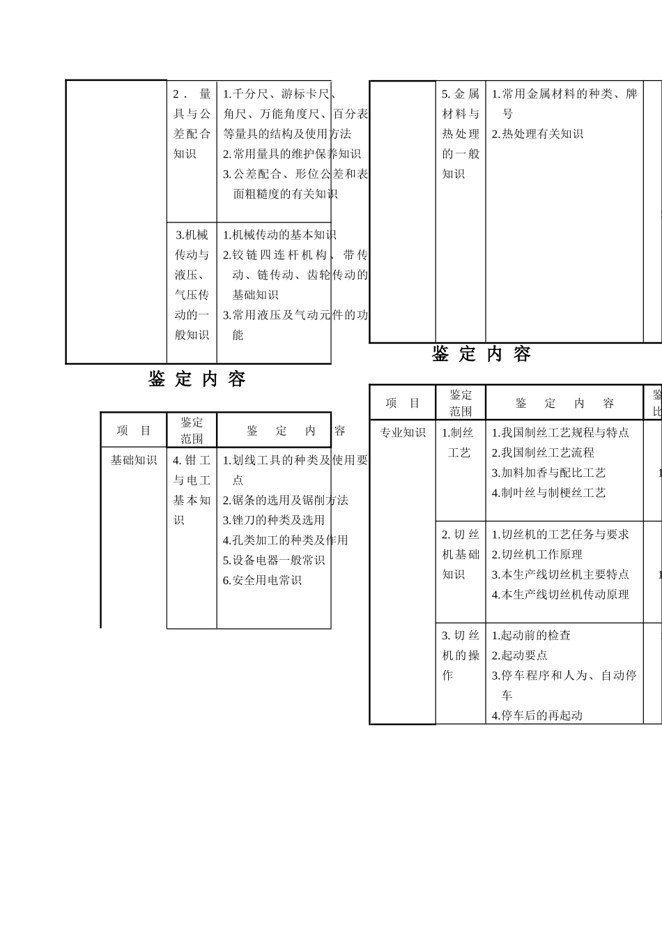
初级制丝(切烘)设备修理工鉴定规范(试行稿)鉴定要求一、适用对象制丝(切烘)设备维修与保养的人员(不包括大修)二、申报条件1.文化程度:初中毕业2.现有的技术等级:学徒期满3.本工种工作年限:1本工种工作三年2学徒工学徒期满或经各类初级职业技能培训、经自学达到初级水平4.身体状况:健康三、考生与考评员比例1.知识:20:12.技能:5:1四、鉴定方式1.知识:笔试2.技能:实际操作五、考试要求1.知识要求:60~90min;满分100,60分为及格2.技能要求:时间按实际需要;满分100分,60分为及格鉴定内容项目鉴定范围鉴定内容鉴定比重知识要求100基本知识1.机械识图知识1.正投影的基本原理2.简单零件剖视(剖面)的表达方法3.常用零件的规定画法及代号标注方法4.简单装配图的识读知识52.量具与公差配合知识1.千分尺、游标卡尺、角尺、万能角度尺、百分表等量具的结构及使用方法2.常用量具的维护保养知识3.公差配合、形位公差和表面粗糙度的有关知识3.机械传动与液压、气压传动的一般知识1.机械传动的基本知识2.铰链四连杆机构、带传动、链传动、齿轮传动的基础知识3.常用液压及气动元件的功能鉴定内容项目鉴定范围鉴定内容基础知识4.钳工与电工基本知识1.划线工具的种类及使用要点2.锯条的选用及锯削方法3.锉刀的种类及选用4.孔类加工的种类及作用5.设备电器一般常识6.安全用电常识5.金属材料与热处理的一般知识1.常用金属材料的种类、牌号2.热处理有关知识5鉴定内容项目鉴定范围鉴定内容鉴定比重专业知识1.制丝工艺1.我国制丝工艺规程与特点2.我国制丝工艺流程3.加料加香与配比工艺4.制叶丝与制梗丝工艺102.切丝机基础知识1.切丝机的工艺任务与要求2.切丝机工作原理3.本生产线切丝机主要特点4.本生产线切丝机传动原理103.切丝机的操作1.起动前的检查2.起动要点3.停车程序和人为、自动停车4.停车后的再起动54.切丝机的维修和保养1.设备保养周期及进刀、加料系统的保养知识2.各润滑点的油脂要求及润滑周期的确定3.一般易损部件的调换、调节及修整鉴定内容项目鉴定范围鉴定内容专业知识5.切丝机的传动机构1.进刀机构原理2.磨刀机构原理6.烘丝机基本知识1.烘丝机工艺任务与要求2.烘丝机顺流与逆流运行方式的特点3.本生产线烘丝机干燥原理7.烘丝机的操作1.操作过程注意要点1.筒体蒸汽量、空气量及热风温度控制8.烘丝机维护保养及故障排除1.一般常见故障的预防、检查与排除2.烘丝机蒸汽加热、风力去湿与筒体传动系统的项目检查知识鉴定内容项目鉴定范围鉴定内容相关知识1.安全及其他1.生产线安全操作规程2.设备安全装置3.设备危险源4.润滑剂知识52.文明生产与定置管理1.文明生产与定置管理的意义2.文明生产与定置管理的要求3.怎样进行文明生产与定置管理5鉴定内容项目鉴定范围鉴定内容鉴定比重技能要求100钳工操作技能划线、测量工件及简单装配1.能准确划线,并线条清晰、均匀,尺寸公差在±0.20mm,角度差在15’内2.对有三个方向加工面的零件进行立体划线,划线中对有缺陷的毛坯进行进行合理借料3.会装配齿轮、轴等一般零件4.使用游标卡尺、千分尺、刀口尺万能角度尺测量工件设备操作技能1.切丝机各零部件调换及保养1.变速齿轮调换2.切丝机刀片调换3.砂轮调换4.传动同步带及三角带调换5.金刚石修整器的清洁与调换鉴定内容项目鉴定范围鉴定内容设备操作技能2.切、烘丝设备零部件调整1.传动带及传动链的张紧2.进刀量改变的刀片调整3.金刚石修整器的调整4.刀门间隙调整5.上下排链张紧度及跑偏现象调整6.传动张紧轮的调整3.切、烘丝设备一般故障判断与排除1.常见机器停机故障2.刀片不进给故障3.烘丝机蒸汽系统故障20鉴定内容项目鉴定范围鉴定内容鉴定比重工具与设备使用1.工量具使用1.设备维修专用工量具使用2.常用钳工工量具使用52.开机操作1.开机前准备工作2.设备运行中规范操作能力3.规定操作时间内的有效作业率、质量合格率、单耗指标符合率10安全生产及其他1.安全与文明1.物料、工具定置安放规范2.保持设备、场地整洁能力3.安全操作规程执行能力5中级制丝(切烘)设备修理工鉴定规范(试行稿)鉴定要求一、适用对象制丝(切烘)设备维修与保养的人员(不包括大修)二、申报条件1.文化程...

1、当您付费下载文档后,您只拥有了使用权限,并不意味着购买了版权,文档只能用于自身使用,不得用于其他商业用途(如 [转卖]进行直接盈利或[编辑后售卖]进行间接盈利)。
2、本站所有内容均由合作方或网友上传,本站不对文档的完整性、权威性及其观点立场正确性做任何保证或承诺!文档内容仅供研究参考,付费前请自行鉴别。
3、如文档内容存在违规,或者侵犯商业秘密、侵犯著作权等,请点击“违规举报”。

碎片内容

初级制丝(切烘)设备修理工鉴定规范

您可能关注的文档

确认删除?
VIP
微信客服
  • 扫码咨询
会员Q群
  • 会员专属群点击这里加入QQ群
客服邮箱
回到顶部