电脑桌面
添加小米粒文库到电脑桌面
安装后可以在桌面快捷访问

无菌技术(模拟现场)操作程序及考核评分标准VIP免费

无菌技术(模拟现场)操作程序及考核评分标准_第1页
1/13
无菌技术(模拟现场)操作程序及考核评分标准_第2页
2/13
无菌技术(模拟现场)操作程序及考核评分标准_第3页
3/13
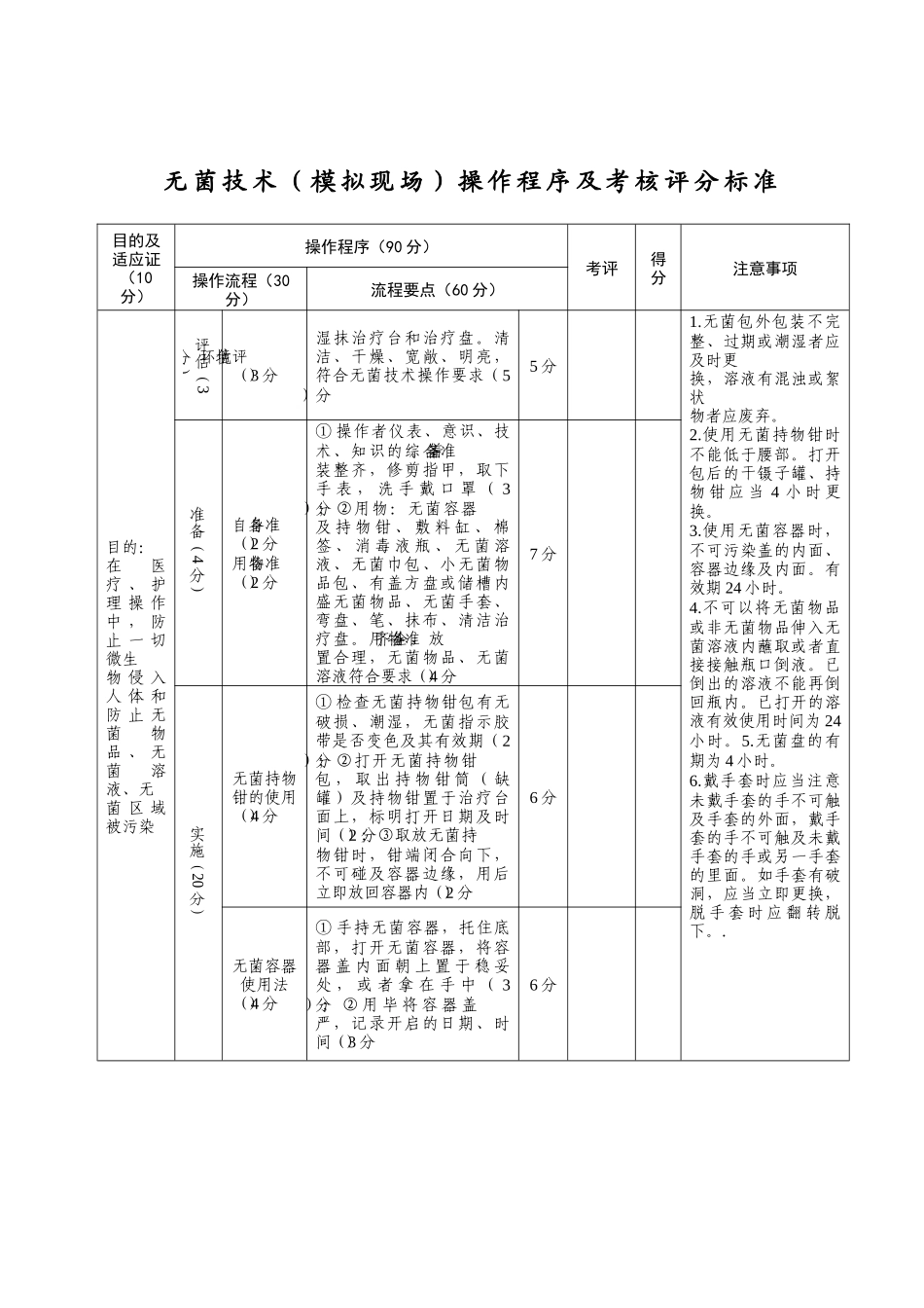
无菌技术(模拟现场)操作程序及考核评分标准目的及适应证(10分)操作程序(90分)考评得分注意事项操作流程(30分)流程要点(60分)目的:在医疗、护理操作中,防止一切微生物侵入人体和防止无菌物品、无菌溶液、无菌区域被污染评估(3分)评估环境(3分)湿抹治疗台和治疗盘。清洁、干燥、宽敞、明亮,符合无菌技术操作要求(5分)5分1.无菌包外包装不完整、过期或潮湿者应及时更换,溶液有混浊或絮状物者应废弃。2.使用无菌持物钳时不能低于腰部。打开包后的干镊子罐、持物钳应当4小时更换。3.使用无菌容器时,不可污染盖的内面、容器边缘及内面。有效期24小时。4.不可以将无菌物品或非无菌物品伸入无菌溶液内蘸取或者直接接触瓶口倒液。已倒出的溶液不能再倒回瓶内。已打开的溶液有效使用时间为24小时。5.无菌盘的有期为4小时。6.戴手套时应当注意未戴手套的手不可触及手套的外面,戴手套的手不可触及未戴手套的手或另一手套的里面。如手套有破洞,应当立即更换,脱手套时应翻转脱下。.准备(4分)自身准备(2分)用物准备(2分)①操作者仪表、意识、技术、知识的综合准备。着装整齐,修剪指甲,取下手表,洗手戴口罩(3分);②用物:无菌容器及持物钳、敷料缸、棉签、消毒液瓶、无菌溶液、无菌巾包、小无菌物品包、有盖方盘或储槽内盛无菌物品、无菌手套、弯盘、笔、抹布、清洁治疗盘。用物准备齐全,放置合理,无菌物品、无菌溶液符合要求(4分)7分实施(20分)无菌持物钳的使用(4分)①检查无菌持物钳包有无破损、潮湿,无菌指示胶带是否变色及其有效期(2分);②打开无菌持物钳包,取出持物钳筒(缺罐)及持物钳置于治疗台面上,标明打开日期及时间(2分);③取放无菌持物钳时,钳端闭合向下,不可碰及容器边缘,用后立即放回容器内(2分)6分无菌容器使用法(4分)①手持无菌容器,托住底部,打开无菌容器,将容器盖内面朝上置于稳妥处,或者拿在手中(3分);②用毕将容器盖严,记录开启的日期、时间(3分)6分铺无菌盘及取无菌溶液(8分)1.单巾铺盘法:①取一方盘置于治疗台适当位置(1分);②查对无菌巾包有无破损、潮湿,灭菌指示标签是否变色及有无过期(1分);③逐层打开无菌巾包,查看包内灭菌指示卡是否变色,用无菌持物钳夹取无菌巾1块(1分);④将无菌巾轻轻抖开,双折铺于方盘内,双手捏住无菌巾上层两角的外面,远端呈扇形折叠,开口边向外(2分);⑤夹取无菌物品放入无菌盘内(2分);⑥将上层盖严,上下边缘对齐,开口处向上反折2次,两边向下反折1次,注明铺盘、开包时间及方盘开启时间。(2分);2.双巾铺盘法:①取一治疗盘放于治疗台适当的位置(1分);②取无菌巾包,查对包有无破损、潮湿,灭菌指示标签是否变色及开包时间(1分);③打开无菌巾包,用无菌持物钳夹出1块无菌巾,余物按折痕折好(1分);④展开无菌巾,由对侧向近侧平铺于治疗盘上,无菌面向上(1分);⑤取小无菌物品包,查对无菌巾包有无破损、潮湿,灭菌指示标签是否变色及其有效期,将包内物品放入无菌区内,将包布折好放于治疗车的下层(2分);⑥查看灭菌日期及开启时间,用无菌持物钳在有盖方盒或储槽内夹取所需物品,并在敷料缸内夹取纱布1块,放入无菌区内(1分);⑦取无菌溶液,查看瓶签、瓶盖及溶液的质量,揭开瓶盖,手握标签面倒少许溶液冲洗瓶口,再由原处倒出所需液量于无菌容器内,套上瓶塞(3分);⑧查看无菌巾包灭菌日期及开包时间,打开无菌巾包,用无菌持物钳先将治疗碗移至无菌盘中央,再夹取无菌巾1块,双手展开,无菌面朝外,由近侧向对侧覆盖于无菌盘上,边缘对合整齐,剩余部分向上反折,不暴露无菌物23分戴无菌手套(4分)①查看铺盘时间,打开无菌盘上层无菌巾1小部分(2分);②取手套包,对号码,查看灭菌日期、指示胶带是否变色(1分);③打开手套包,取出滑石粉,背对操作台将滑石粉扑在双手上(1分);④持手套反折部分向前向上取出手套,拇指相对,一手伸入手套内戴好,再以戴好手套之手伸入另一手套之反折部分依法戴好(2分);⑤揭开上层无菌巾,取纱布擦手套,使其贴合(1分)⑥操作完毕,脱下手套,整理用物,洗手,取下口罩(1...

1、当您付费下载文档后,您只拥有了使用权限,并不意味着购买了版权,文档只能用于自身使用,不得用于其他商业用途(如 [转卖]进行直接盈利或[编辑后售卖]进行间接盈利)。
2、本站所有内容均由合作方或网友上传,本站不对文档的完整性、权威性及其观点立场正确性做任何保证或承诺!文档内容仅供研究参考,付费前请自行鉴别。
3、如文档内容存在违规,或者侵犯商业秘密、侵犯著作权等,请点击“违规举报”。

碎片内容

无菌技术(模拟现场)操作程序及考核评分标准

确认删除?
VIP
微信客服
  • 扫码咨询
会员Q群
  • 会员专属群点击这里加入QQ群
客服邮箱
回到顶部