电脑桌面
添加小米粒文库到电脑桌面
安装后可以在桌面快捷访问

5S检查评分表VIP免费

5S检查评分表_第1页
1/9
5S检查评分表_第2页
2/9
5S检查评分表_第3页
3/9
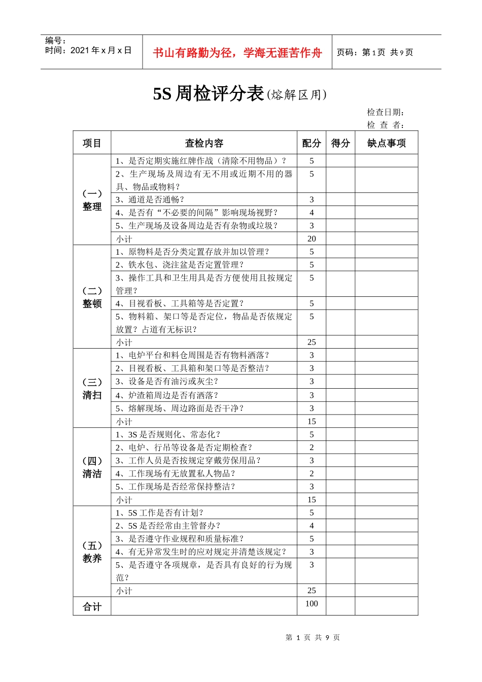
第1页共9页编号:时间:2021年x月x日书山有路勤为径,学海无涯苦作舟页码:第1页共9页5S周检评分表(熔解区用)检查日期:检查者:项目查检内容配分得分缺点事项(一)整理1、是否定期实施红牌作战(清除不用物品)?52、生产现场及周边有无不用或近期不用的器具、物品或物料?53、通道是否通畅?34、是否有“不必要的间隔”影响现场视野?45、生产现场及设备周边是否有杂物或垃圾?3小计20(二)整顿1、原物料是否分类定置存放并加以管理?52、铁水包、浇注盆是否定置管理?53、操作工具和卫生用具是否方便使用且按规定管理?54、目视看板、工具箱等是否定置?55、物料箱、架口等是否定位,物品是否依规定放置?占道有无标识?5小计25(三)清扫1、电炉平台和料仓周围是否有物料洒落?32、目视看板、工具箱和架口等是否整洁?33、设备是否有油污或灰尘?34、炉渣箱周边是否有洒落?35、熔解现场、周边路面是否干净?3小计15(四)清洁1、3S是否规则化、常态化?52、电炉、行吊等设备是否定期检查?23、工作人员是否按规定穿戴劳保用品?34、工作现场有无放置私人物品?25、工作现场是否经常保持整洁?3小计15(五)教养1、5S工作是否有计划?52、5S是否经常由主管督办?43、是否遵守作业规程和质量标准?54、有无异常发生时的应对规定并清楚该规定?35、是否遵守各项规章,是否具有良好的行为规范?3小计25合计100第2页共9页第1页共9页编号:时间:2021年x月x日书山有路勤为径,学海无涯苦作舟页码:第2页共9页5S周检评分表(造型区用)检查日期:检查者:项目查检内容配分得分缺点事项(一)整理1、是否定期实施红牌作战(清除不用物品)?52、生产现场及周边有无不用或近期不用的器具、物品或物料?43、通道是否通畅?44、是否有“不必要的间隔”影响现场视野?45、生产现场及设备周边是否有杂物或垃圾?3小计20(二)整顿1、操作平台上的物料是否定置并加以管理?42、称重、测量和记录用具是否依规定放置?43、卫生用具是否方便使用且按规定管理?54、目视看板、工具箱等是否定置?55、炉渣是否按规定存放并加以管理?36、模具架口是否定置并加以管理?小计25(三)清扫1、造型线设备表面是否有油污、砂子和灰尘?目视看板等是否整洁?32、浇注机现场是否有废渣或废铁?33、下芯机现场是否有废砂芯?34、捅箱机现场是否有废砂和粉尘?35、造型线现场及周边路面是否干净?3小计15(四)清洁1、3S是否规则化、常态化?52、造型主机等设备是否定期点检?23、工作人员是否按规定穿戴劳保用品?34、工作现场有无放置私人物品?35、工作现场是否经常保持整洁?2小计15(五)教养1、有无日程管理表?52、4S是否经常由主管督办?43、是否遵守作业规程和质量标准?54、有无异常发生时的应对规定并清楚该规定?35、是否遵守各项规章,是否具有良好的行为规范?3小计25第3页共9页第2页共9页编号:时间:2021年x月x日书山有路勤为径,学海无涯苦作舟页码:第3页共9页合计1005S周检评分表(砂处理区用)检查日期:检查者:项目查检内容配分得分缺点事项(一)整理1、是否定期实施红牌作战(清除不用物品)?52、生产现场及周边有无不用或近期不用的器具、物品?43、生产现场及周边有无近期不用的物料?44、是否有“不必要的间隔”影响现场视野?45、生产现场及设备周边是否有杂物或垃圾?3小计20(二)整顿1、砂料及其它原料是否定置管理且码放整齐?42、目视看板、工具箱等是否定置?43、操作工具和卫生用具是否方便取用且按规定管理?54、倒下来的包装袋是否定置管理且叠放整齐?55、铁桶、木托等是否定置管理且摆放整齐?3小计25(三)清扫1、砂处理设备表面是否有油污、砂子和灰尘?32、供砂圆盘四周有没有砂子堆积情况?33、卸灰区有没有洒落或灰尘堆积情况?34、回砂区是否有砂子堆积情况35、砂处理现场及周边路面是否干净?3小计15(四)清洁1、3S是否规则化、常态化?52、供砂、混砂等设备是否定期检查?23、工作人员是否按规定穿戴劳保用品?34、工作现场有无放置私人物品?35、工作现场是否经常保持整洁?2小计15(五)教养1、有无日程管理表?52、4S是否经常由主管督办?43、是否遵守作...

1、当您付费下载文档后,您只拥有了使用权限,并不意味着购买了版权,文档只能用于自身使用,不得用于其他商业用途(如 [转卖]进行直接盈利或[编辑后售卖]进行间接盈利)。
2、本站所有内容均由合作方或网友上传,本站不对文档的完整性、权威性及其观点立场正确性做任何保证或承诺!文档内容仅供研究参考,付费前请自行鉴别。
3、如文档内容存在违规,或者侵犯商业秘密、侵犯著作权等,请点击“违规举报”。

碎片内容

5S检查评分表

中小学教育精品资料+ 关注
实名认证
内容提供者

中小学教育资料,优质文档创作者

确认删除?
VIP
微信客服
  • 扫码咨询
会员Q群
  • 会员专属群点击这里加入QQ群
客服邮箱
回到顶部