电脑桌面
添加小米粒文库到电脑桌面
安装后可以在桌面快捷访问

5S管理活动的作用与推行方法VIP免费

5S管理活动的作用与推行方法_第1页
1/26
5S管理活动的作用与推行方法_第2页
2/26
5S管理活动的作用与推行方法_第3页
3/26
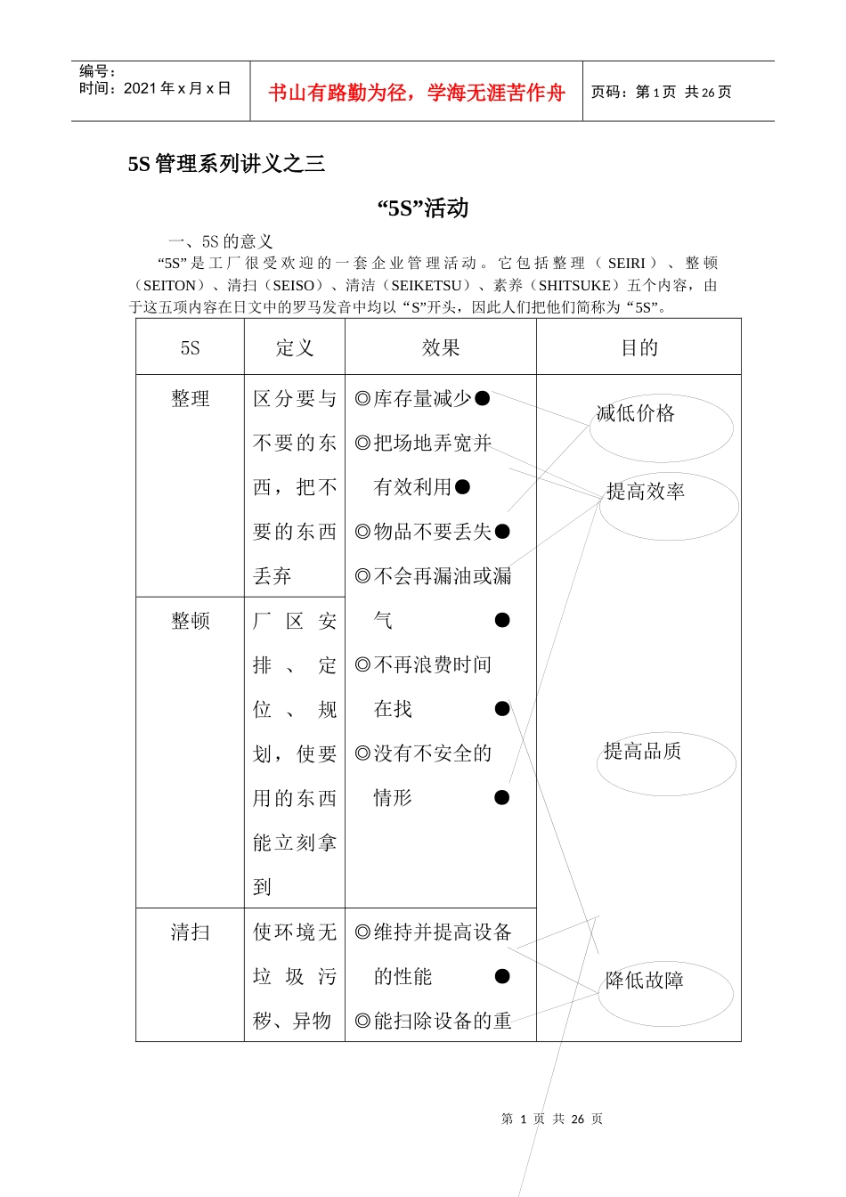
第1页共26页编号:时间:2021年x月x日书山有路勤为径,学海无涯苦作舟页码:第1页共26页5S管理系列讲义之三“5S”活动一、5S的意义“5S”是工厂很受欢迎的一套企业管理活动。它包括整理(SEIRI)、整顿(SEITON)、清扫(SEISO)、清洁(SEIKETSU)、素养(SHITSUKE)五个内容,由于这五项内容在日文中的罗马发音中均以“S”开头,因此人们把他们简称为“5S”。5S定义效果目的整理区分要与不要的东西,把不要的东西丢弃◎库存量减少●◎把场地弄宽并有效利用●◎物品不要丢失●◎不会再漏油或漏气●◎不再浪费时间在找●◎没有不安全的情形●整顿厂区安排、定位、规划,使要用的东西能立刻拿到清扫使环境无垃圾污秽、异物◎维持并提高设备的性能●◎能扫除设备的重减低价格提高效率提高品质降低故障第2页共26页第1页共26页编号:时间:2021年x月x日书山有路勤为径,学海无涯苦作舟页码:第2页共26页要地方,并给予检查●◎把工作环境弄好●◎削弱灾害发生的的原因●清洁无论在卫生或公害方面都要保持整洁素养养成遵守既定的习惯◎大意减少●◎遵守规定的事●◎有好的人际关系●“5S”活动有以下的作用:1、提高企业形象①推行“5S”,使企业有一个清爽、明亮、洁净的环境,能使客户对企业产生信心。如果客户进入工厂的第一感觉是见到企业的工作步调紧凑,工作态度严谨,员工士气高昂工厂的任何物品都摆放得整整齐齐,井然有序,那么客人对这个企业的产品质量就相当放心,很自然就很有信心跟企业签订订单。但如果客人一走进工厂的大门就看到车辆停放凌乱不堪。垃圾满地,办公室的办公桌面用品乱七八糟。卫生间奇臭难闻,那么客户肯定从内心里怀疑企业的管理能力,对这个企业的产品质量更是没有信心,哪还谈得上跟企业签订订单呢?②“5S”推行得好,必然会有很多人到企业来观摩,从而提高企业的知名度和形象。③随着企业知名度和形象的提高,客户下单的意愿不断增强,那么企业的市场占有率也就相对提高了。2、减少浪费:①“5S”活动可节省消耗品、用具及原材料。②节省工作场所(物品定位摆放,通道通畅节省地方)③减少准备时间(物品定位摆放,随手可拿到,不用费时去找)。3、安全有保障:①有推行“5S”的场所必然是舒适亮丽、流程明畅,可减少意外发生。②全体员工遵守作业规程,比较容易发生工作伤害。③危险点有防止和警告(标志)。④“5S”活动强调危险预知训练,每个人都有危险预知的能力(如知道这样做没有危安全公害保证提高干劲第3页共26页第2页共26页编号:时间:2021年x月x日书山有路勤为径,学海无涯苦作舟页码:第3页共26页险,那样做就会出现危险),安全得以保障。4、标准化推动者:①“5S”活动强调作业标准的重要性。②员工能遵守作业标准,服务质量提高且稳定。③通过目视管理的运用与标准化,预防问题的发生。5、增加员工归属感:①“5S”创造了明朗的环境。可使工作时心情愉快,员工有被尊重的感觉。②经过“5S”活动,员工的意识慢慢产生改变,有助于工作的推展。③员工归属感增强,人与人之间、主管与部属之间均有良好的互动关系。④领导参与“5S”活动,能塑造出良性的企业文化。二、整理(一)、整理定义:对现场的材料、物品进行分类,不要和必要的加以分开,同时处理不要的东西。对机器上清扫下来的切削物,制定回收方法,并遵行处理。另外确保通道顺畅。屋顶、门窗、通道有破损现象应及时处理。(二)、整理要领:1.去除不必要之物。2.决定一个放置场所。3.要与不要东西区分。要不要1.可再加工利用2.可检修再用3.可成为其他替代品4.可成为别行业的原材料5.资源利用:纸、塑胶、铜、铝、铁、锌……6.废弃物:找合法商处理按规定手续办理报废品可按下表进行具体区分:现场物品“不要”与“要”类别表序号现场“不要”的物品序号现场要的物品1地板杂物、纸屑、无用的风扇1使用的机器设备、电气装置2不再使用的工装、夹具、模具2在用工作台、凳、材料架、箱3不再使用的办公用品3在用的工、夹、模具4破烂的垃圾筒、篓、柜、纸箱4原材料、在制品、半成品、成品第4页共26页第3页共26页编号:时间:2021年x月x日书山有路勤为径,学海无涯苦作舟页...

1、当您付费下载文档后,您只拥有了使用权限,并不意味着购买了版权,文档只能用于自身使用,不得用于其他商业用途(如 [转卖]进行直接盈利或[编辑后售卖]进行间接盈利)。
2、本站所有内容均由合作方或网友上传,本站不对文档的完整性、权威性及其观点立场正确性做任何保证或承诺!文档内容仅供研究参考,付费前请自行鉴别。
3、如文档内容存在违规,或者侵犯商业秘密、侵犯著作权等,请点击“违规举报”。

碎片内容

5S管理活动的作用与推行方法

确认删除?
VIP
微信客服
  • 扫码咨询
会员Q群
  • 会员专属群点击这里加入QQ群
客服邮箱
回到顶部