电脑桌面
添加小米粒文库到电脑桌面
安装后可以在桌面快捷访问

砼缺陷处理施工作业指导书VIP免费

砼缺陷处理施工作业指导书_第1页
1/34
砼缺陷处理施工作业指导书_第2页
2/34
砼缺陷处理施工作业指导书_第3页
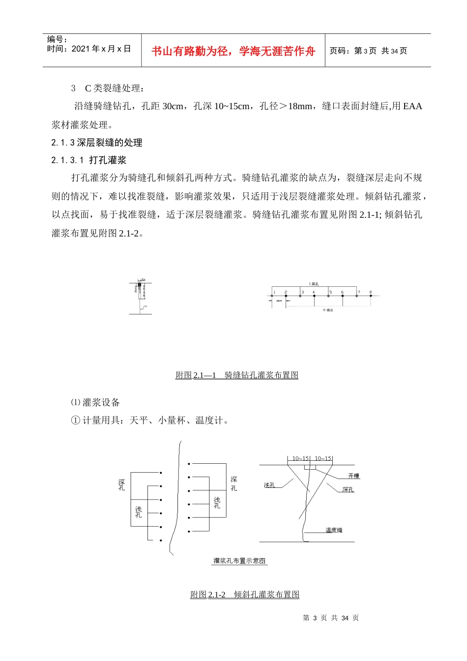
3/34
第1页共34页编号:时间:2021年x月x日书山有路勤为径,学海无涯苦作舟页码:第1页共34页砼缺陷处理施工作业指导书三峡永久船闸地下输水系统砼表面质量要求高,缺陷处理工艺要求高。为使缺陷处理工作做到程序化和规范化,以确保缺陷处理质量,特编写《永久船闸地下输水系统砼缺陷处理施工作业指导书》,用于指导缺陷处理施工作业。本作业规程是结合永久船闸地下输水系统砼缺陷的特点,依据《三峡一、二期工程主体建筑物砼表面缺陷处理技术要求(试行)》及缺陷处理相关设计文件编制而成。1缺陷类型永久船闸地下输水隧洞砼质量缺陷分为五个类型:温度裂缝,层面缝渗水;结构缝渗水;砼点面渗及砼表面缺陷。砼表面缺陷包括:层间缝错台挂帘、蜂窝、麻面(水波纹)、灌浆管和拉筋露头、水气泡、砂线、表面不平整等。2各类缺陷的处理措施和质量要求2.1砼温度裂缝砼裂缝采用打孔和贴嘴两种方式进行化灌处理,打孔灌浆分为骑缝孔和交叉孔种布孔形式,贴嘴灌浆直接在缝口上贴灌浆嘴,不造孔。2.1.1温度缝的分类根据裂缝的深度来划分(通过灌前取芯来判断)裂缝类型:⑴表层裂缝:深度小于等于钢筋保护层厚度的裂缝。表层裂缝按裂缝宽度又分为三类:①裂缝宽度<0.1mm为A类裂缝;②裂缝宽度0.1mm~0.2mm为B类裂缝;③裂缝宽度≥0.2mm为C类裂缝。⑵深层裂缝:深度大于钢筋保护层厚度的裂缝。深层裂缝分成二类:①无渗水的为干缝;②有渗水的为湿缝。2.1.2灌浆材料温度裂缝化灌处理采用EAA、LPL两种环氧树脂补强材料。EAA环氧灌浆材料是由第2页共34页第1页共34页编号:时间:2021年x月x日书山有路勤为径,学海无涯苦作舟页码:第2页共34页广州泰勒斯研制生产,是以环氧树脂、丙酮、脂肪胺为主要体系的新型防渗补强材料,具有可灌性好、耐老化、无毒、亲水等特点;LPL灌浆材料是由上海麦斯特研制生产,它是用于注射灌浆系统的一种双组分(A组分和B组分),无溶剂的低黏度环氧树脂。其浆材配比(体积比)见表2.1-1、2.1-2;主要性能参数见附表2.1-3、2.1-4。表2.1-1EAA环氧材料现场固化剂加入配比表材料名称EAA主剂EAA固化剂EAA促进剂配比1006~100.8~1.0表2.1-2注射树脂LPL现场配比表材料名称A组分B组分配比1.351表2.1-3EAA化学浆材主要性能粘度(250C/2h)胶凝时间(h)28d抗压强度(MPa)28d粘接劈拉强度(MPa)抗渗现场压水(Lu)1.3~37.43036.2~85.75.7~23.9<0.001表2.1-4注射树脂LPL性能参数表抗拉强度抗压强度抗折强度粘结强度>12MPa50MPa30MPa>砼抗拉强度2.1.3表面裂缝的处理1A类裂缝处理:沿裂缝0.2cm宽范围用钢丝刷刷毛,再用丙酮清洗,然后将表面烘干,涂一道环氧胶泥。2B类裂缝处理:沿骑裂缝凿一条宽4cm、深1.5~3.0cm的矩形槽,槽长两端应各超出裂缝长度30cm。清理干净后,用丙乳砂浆或氧砂进行填补。第3页共34页第2页共34页编号:时间:2021年x月x日书山有路勤为径,学海无涯苦作舟页码:第3页共34页3C类裂缝处理:沿缝骑缝钻孔,孔距30cm,孔深10~15cm,孔径>18mm,缝口表面封缝后,用EAA浆材灌浆处理。2.1.3深层裂缝的处理2.1.3.1打孔灌浆打孔灌浆分为骑缝孔和倾斜孔两种方式。骑缝钻孔灌浆的缺点为,裂缝深层走向不规则的情况下,难以找准裂缝,影响灌浆效果,只适用于浅层裂缝灌浆处理。倾斜钻孔灌浆,以点找面,易于找准裂缝,适于深层裂缝灌浆。骑缝钻孔灌浆布置见附图2.1-1;倾斜钻孔灌浆布置见附图2.1-2。附图2.1—1骑缝钻孔灌浆布置图⑴灌浆设备①计量用具:天平、小量杯、温度计。附图2.1-2倾斜孔灌浆布置图第4页共34页第3页共34页编号:时间:2021年x月x日书山有路勤为径,学海无涯苦作舟页码:第4页共34页②钻孔设备:进口BHS冲击钻和4DFE冲击钻(有利于不同角度操作)。③查缝取芯钻机MODELHP-518型号,最大取芯直径56mm。质量检查取芯钻机HILTI—DD—160E型号,取芯直径89mm。④通风设备:无油式空气压缩机。⑤灌浆设备:采用水电部华东院HD-1型密封式手压注浆泵;容积10L,压力1.6Mpa。⑵施工程序工艺流程:裂缝开展情况描述→取芯查缝→布孔、造孔→清孔、清缝→封缝或嵌缝→通风压水检查→灌浆→灌后检查。处理每道施工工序由质检员和监理工程师检查验收...

1、当您付费下载文档后,您只拥有了使用权限,并不意味着购买了版权,文档只能用于自身使用,不得用于其他商业用途(如 [转卖]进行直接盈利或[编辑后售卖]进行间接盈利)。
2、本站所有内容均由合作方或网友上传,本站不对文档的完整性、权威性及其观点立场正确性做任何保证或承诺!文档内容仅供研究参考,付费前请自行鉴别。
3、如文档内容存在违规,或者侵犯商业秘密、侵犯著作权等,请点击“违规举报”。

碎片内容

砼缺陷处理施工作业指导书

您可能关注的文档

中小学教育精品资料+ 关注
实名认证
内容提供者

中小学教育资料,优质文档创作者

确认删除?
VIP
微信客服
  • 扫码咨询
会员Q群
  • 会员专属群点击这里加入QQ群
客服邮箱
回到顶部