电脑桌面
添加小米粒文库到电脑桌面
安装后可以在桌面快捷访问

IEC60870-5-103规约基本要点VIP免费

IEC60870-5-103规约基本要点_第1页
1/29
IEC60870-5-103规约基本要点_第2页
2/29
IEC60870-5-103规约基本要点_第3页
3/29
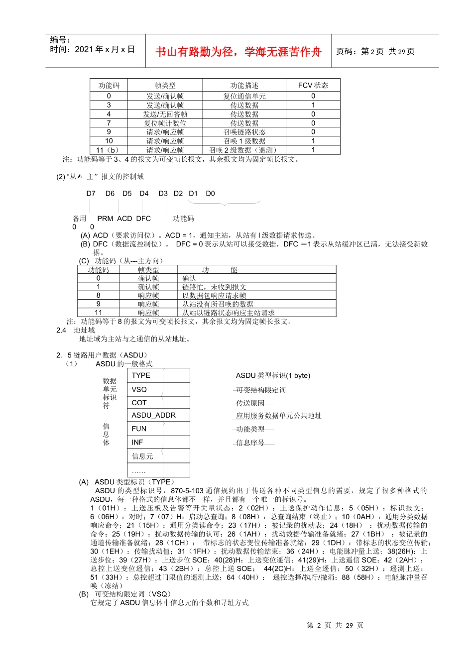
第1页共29页编号:时间:2021年x月x日书山有路勤为径,学海无涯苦作舟页码:第1页共29页一、DL/T667-1999(IEC60870-5-103)通信规约基本要点1.通信接口1.1接口标准:RS232、RS485、光纤。1.2通信格式:异步,1位起始位,8位数据位,1位偶校验位,1位停止位。字符和字节传输由低至高。线路空闲状态为1,字符间无需线路空闲间隔,两帧之间线路空闲间隔至少33位(3个字节)1.3通信速率:可变。1.4通信方式:主从一对多,Polling方式。2.报文格式870-5-103通信规约有固定帧长报文和可变帧长报文两种报文格式,前者主要用于传送“召唤、命令、确认、应答”等信息,后者主要用于传送“命令”和“数据”等信息。2.1固定帧长报文10H启动字符CODE控制域ADDR地址域CS代码和16H结束字符注:代码和=控制域+地址域(不考虑溢出位,即256模和)2.2可变帧长报文68H————启动字符1(1byte)Length————长度(1byte)Length————长度(重复)(1byte)68H————启动字符2(重复)(1byte)CODE————控制域(1byte)ADDR————地址域(1byte)ASDU————链路用户数据[(length-2)byte]CS————代码和(1byte)16H————结束字符(1byte)注:(1)代码和=控制域+地址域+ASDU代码和(不考虑溢出位,即256模和)(2)ASDU为“链路用户数据”包,具体格式将在下文介绍(3)Length=ASDU字节数+22.3控制域控制域分“主从”和“从主”两种情况。(1)“主从”报文的控制域D7D6D5D4D3D2D1D0备用PRMFCBFCV功能码011(A)PRM(启动报文位)表明信息传输方向,PRM=1由主站至子站;PRM=0由子站至主站。(B)FCB(桢记数位)。FCB=0/1——主站每向从站发送新一轮的“发送/确认”或“请求/响应”传输服务时,将FCB取反。主站为每个从站保存一个FCB的拷贝,若超时未收到应答,则主站重发,重发报文的FCB保持不变,重发次数最多不超过3次。若重发3次后仍未收到预期应答,则结束本轮传输服务。(C)FCV(桢记数有效位),FCV=0表明FCB的变化无效,FCV=1表明FCB的变化有效。发送/无回答服务、广播报文不考虑报文丢失和重复传输,无需改变FCB状态,这些桢FCV常为0(D)功能码定义(主---从方向)第2页共29页第1页共29页编号:时间:2021年x月x日书山有路勤为径,学海无涯苦作舟页码:第2页共29页功能码帧类型功能描述FCV状态0发送/确认帧复位通信单元03发送/确认帧传送数据14发送/无回答帧传送数据07复位帧计数位传送数据09请求/响应帧召唤链路状态010请求/响应帧召唤1级数据111(b)请求/响应帧召唤2级数据(遥测)1注:功能码等于3、4的报文为可变帧长报文,其余报文均为固定帧长报文。(2)“从主”报文的控制域D7D6D5D4D3D2D1D0备用PRMACDDFC功能码00(A)ACD(要求访问位)。ACD=1,通知主站,从站有I级数据请求传送。(B)DFC(数据流控制位)。DFC=0表示从站可以接受数据,DFC=1表示从站缓冲区已满,无法接受新数据。(C)功能码(从---主方向)功能码帧类型功能0确认帧确认1确认帧链路忙,未收到报文8响应帧以数据包响应请求帧9响应帧从站没有所召唤的数据11响应帧从站以链路状态响应主站请求注:功能码等于8的报文为可变帧长报文,其余报文均为固定帧长报文。2.4地址域地址域为主站与之通信的从站地址。2.5链路用户数据(ASDU)(1)ASDU的一般格式数据单元标识符TYPEASDU类型标识(1byte)VSQ可变结构限定词COT传送原因ASDU_ADDR应用服务数据单元公共地址信息体FUN功能类型INF信息序号信息元……(A)ASDU类型标识(TYPE)ASDU的类型标识号,870-5-103通信规约出于传送各种不同类型信息的需要,规定了很多种格式的ASDU,每一种格式的信息体都不一样,并且都有一个唯一的标识号。1(01H):上送压板及告警等开关量状态;2(02H):上送保护动作信息;5(05H):标识报文;6(06H):对时;7(07)H:启动总查询;8(08H):总查询结束(终止);10(0AH):通用分类数据响应命令;21(15H):通用分类读命令;23(17H):被记录的扰动表;24(18H):扰动数据传输的命令;25(19H):扰动数据传输的认可;26(1AH):扰动数据传输准备就绪;27(1BH):被记录的通道传输准备就绪;28(...

1、当您付费下载文档后,您只拥有了使用权限,并不意味着购买了版权,文档只能用于自身使用,不得用于其他商业用途(如 [转卖]进行直接盈利或[编辑后售卖]进行间接盈利)。
2、本站所有内容均由合作方或网友上传,本站不对文档的完整性、权威性及其观点立场正确性做任何保证或承诺!文档内容仅供研究参考,付费前请自行鉴别。
3、如文档内容存在违规,或者侵犯商业秘密、侵犯著作权等,请点击“违规举报”。

碎片内容

IEC60870-5-103规约基本要点

您可能关注的文档

确认删除?
VIP
微信客服
  • 扫码咨询
会员Q群
  • 会员专属群点击这里加入QQ群
客服邮箱
回到顶部