电脑桌面
添加小米粒文库到电脑桌面
安装后可以在桌面快捷访问

导热油锅炉钻孔工艺守则VIP专享VIP免费

导热油锅炉钻孔工艺守则_第1页
1/7
导热油锅炉钻孔工艺守则_第2页
2/7
导热油锅炉钻孔工艺守则_第3页
3/7
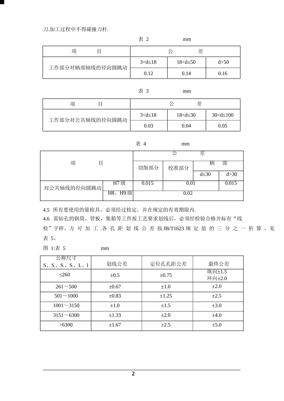
导热油锅炉钻孔工艺守则泰安开元环保成套设备有限公司Http://www.takygl.com1主题内容与适用范围本守则规定了导热油锅炉锅筒、管板、集箱等钻孔(包括钻、刮、扩、铰孔、锪沉头孔等)工艺的技术要求和操作方法.、本守则适用于导热油锅炉锅筒、管扳、集箱等的钻孔、刮孔、扩铰孔、锪沉头孔的加工.2引用标准GB/T1438-1996锥柄麻花钴GB/T4245-2004机用铰刀技术条件GB/T4257-2004扩孔钻技术条件JB/T1623-1992锅炉管孔中心距尺寸偏差3总则3.1本守则适用于钻孔设备在各项性能完好状态下的加工.3.2本守则要求设备操作者必须经过有关部门培训并考核合格,取得操作合格证,方可上机操作.4准备工作4.1操作者在操作前必须对设备、工装的完好状况按有关要求进行检查和准备.4.2准备好冷却液,检查冷却液箱的冷却液是否充足及供液泵是否正常.冷却液应保证浓度适当、颜色正常,严禁用水冷却以免锈蚀工件及设备.机床所带冷却管道、阀门均应畅通.常用冷却液见表l:表1名称防锈乳化油极压乳化油1号金属乳化切削液成分乳化油水乳化油水乳化油水含量(%)2~598~9520~2580~751.5~298.5~98用途适用于一般切削加工,可代替肥皂水,具有较好的防锈性能,不能用硬水调制.适用于攻丝、铰孔等工序及单轴、多轴自动车床作润滑剂,不能用硬水调制.适用于车、磨等工序中冷却、润滑、清洗、及工序的防锈,防锈性能好、不易发臭、变色,使用周期长.4.3按加工要求领用或选用刀具和刀杆.4.4刀具、刀杆在使用前需试用,试用超差者不得使用,允许公差按GB/T1438、GB/T4257、GB/T4245等标准规定(钻头位置公差见表2,扩孔钻位置公差见表3,机用铰刀位置公差见表4).刀杆装夹前,需将主轴孔及刀具刀杆尾部擦净,装入主轴后应撞紧,以防加工过程中掉1刀.加工过程中不得碰撞刀杆.表2mm项目350工作部分对柄部轴线的径向圆跳动0.120.140.16项目表3mm公差3300.0154.5所有要使用的量检具,必须经过检定,并在规定的有效期限内.4.6需钻孔的锅筒、管板、集箱等工件按工艺要求划线后,必须经检验合格并标有“线检”字样,方可加工.各孔距划线公差按JB/T1623规定值的三分之一折算,见表5、图1:表5mm公称尺寸S、S1、S2、S3、L、l≤260261~500501~10001001~31503151~6300>6300划线公差±0.5±0.67±0.83±1.0±1.33±1.672定位孔孔距公差±0.75±1.0±1.25±1.5±2.0±2.5最终公差纵向±1.5环向±2.0±2.0±2.5±3.0±4.0±5.0图14.7锅筒、集箱、管板(封头)钻孔中心的样冲眼位置应正确、清晰,样冲眼锥夹角为90º\u65374Xl20º\u65292X样冲眼直径应小于2.不清晰及冲歪的样冲眼应重新描冲.4.8待钻孔工件表面应清理干净,不准有电焊残渣及其它脏物.4.9工件必须按指定的起吊部位进行起吊,工件吊装时禁止碰撞机床表面.锅筒、集箱转动角度钻孔时不得损坏管孔及已加工部位.4.10工件应选择合适的工装和装夹位置,工件应装稳、找正、夹牢.圆柱形工件装夹时应保证通过待加工孔中心的母线与钻头(刀杆)中心线处于同一平面内,且通过圆柱形工件中心线.加工时尽量减少工件移动次数.4.11安装管板的工作平台,在每次装夹管板前必须打扫干净,管板必须用压板、螺栓、螺帽牢固装夹在工作台上.4.12采用钻模钻孔时,工件上必须先加工出2只定位孔,然后将钻模用定位销正确定位在工件上.5钻、刮、扩、铰孔5.1在钻、刮、扩、铰管孔时,应密切注意刀具变化情况,发现异常声响时,须先退刀,停车后检查,不得中途任意停车.5.2加工过程中合理添加冷却液,做到连续供给,保证刀具的充分冷却,防止切削刃因过热而磨损.5.3手动进给时压力要均匀,当刮、钻通孔将通时,要减小进给力,防止刀具、工件损伤或发生其它问题.5.4定位小孔必须钻正、钻通,自检孔距尺寸公差值应符合表5要求,小孔的孔壁与扩铰刀体、刮刀定位轴的间隙保持在0.05~0.2mm,且不得留有毛刺.35.5试钻、刮浅窝后,测量浅窝孔径.对胀接管孔浅窝孔径最大公差值应小于图样规定公差的50%,见表6;对焊接管孔(开...

1、当您付费下载文档后,您只拥有了使用权限,并不意味着购买了版权,文档只能用于自身使用,不得用于其他商业用途(如 [转卖]进行直接盈利或[编辑后售卖]进行间接盈利)。
2、本站所有内容均由合作方或网友上传,本站不对文档的完整性、权威性及其观点立场正确性做任何保证或承诺!文档内容仅供研究参考,付费前请自行鉴别。
3、如文档内容存在违规,或者侵犯商业秘密、侵犯著作权等,请点击“违规举报”。

碎片内容

导热油锅炉钻孔工艺守则

确认删除?
VIP
微信客服
  • 扫码咨询
会员Q群
  • 会员专属群点击这里加入QQ群
客服邮箱
回到顶部