电脑桌面
添加小米粒文库到电脑桌面
安装后可以在桌面快捷访问

龙江设备施工方案VIP免费

龙江设备施工方案_第1页
1/36
龙江设备施工方案_第2页
2/36
龙江设备施工方案_第3页
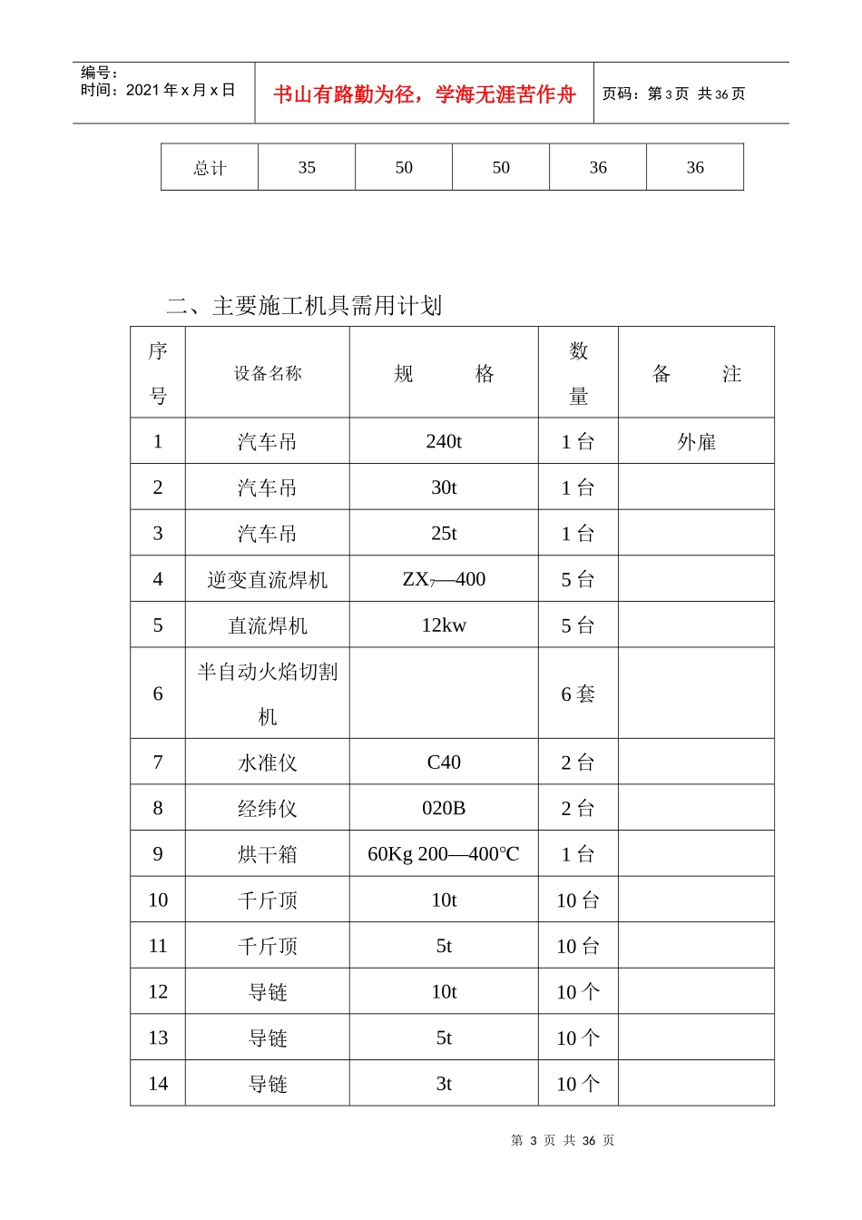
3/36
第1页共36页编号:时间:2021年x月x日书山有路勤为径,学海无涯苦作舟页码:第1页共36页第一章工程概况和编制依据一.工程概况1、工程名称:中粮生化能源(龙江)有限公司60万吨/年玉米加工工程2、工程地址:黑龙江省龙江县白山工业园区3、工程范围:淀粉车间设备、淀粉包装车间设备、副产品包装车间设备、粕库车间设备、预榨车间设备、玉米净化车间设备。4、工程工期:本工程合同工期为109天,计划开工日期为2010年10月15日,计划竣工日期为2011年2月1日。5、工程质量标准:合格。6、主要实物工程量:附表1。7、工程进度计划:附表2二、编制依据1、《现场设备、工业管道焊接工程施工及验收规》GB50236-19982、《压缩机、风机、泵安装工程施工及验收规范》GB50276-983、《机械设备安装工程施工及验收通用规范》GB50231-984、《静设备安装工程施工及验收规范》GB50461-20085、《起重设备安装工程施工及验收规范》GB50277-986、《破碎、粉磨设备安装工程施工及验收规范》GB50276-987、《连续输送设备安装工程施工及验收规范》GB50270-98第2页共36页第1页共36页编号:时间:2021年x月x日书山有路勤为径,学海无涯苦作舟页码:第2页共36页8、《焊接用不锈钢丝》YB-T5092-20059、《压力容器安全技术监察规程》质技监局锅发[1999]154号10、《压力容器无损检测》JB4730—2005第二章施工组织机构项目经理:赵福林责任工程师:孙月领材料设备负责人:王成立质检员:于景田安全员:闫友斌专业工程师:唐武林第三章主要资源计划一、主要劳动力需用计划工种类别10月11月12月1月2月电焊工44444起重工48844钳工9111166辅助工918181313管理人员99999第3页共36页第2页共36页编号:时间:2021年x月x日书山有路勤为径,学海无涯苦作舟页码:第3页共36页总计3550503636二、主要施工机具需用计划序号设备名称规格数量备注1汽车吊240t1台外雇2汽车吊30t1台3汽车吊25t1台4逆变直流焊机ZX7—4005台5直流焊机12kw5台6半自动火焰切割机6套7水准仪C402台8经纬仪020B2台9烘干箱60Kg200—400℃1台10千斤顶10t10台11千斤顶5t10台12导链10t10个13导链5t10个14导链3t10个第4页共36页第3页共36页编号:时间:2021年x月x日书山有路勤为径,学海无涯苦作舟页码:第4页共36页第四章塔器安装一.塔器安装1.蒸发器蒸发器共4台(第一效、第二效、第三效蒸发器与MVR蒸发器),蒸发器现场分两部分到场,裙座与蒸发器本体,用240t汽车吊装就位。拼组装时,筒体段高空组对焊缝采用手工电弧焊。筒体拼组装前必须在平台上对每一片壁板的几何尺寸、圆弧度进行检查,不符合要求时应进行矫正。拼组时必须严格控制分段处上下口的周长差及椭圆度,对口时严禁强力组对,以减少焊接后的残余应力。2.分段到货立式设备分段到货的设备共4台,由机械厂制造并运到现场。各设备分段及现场拼装组成段情况如下:序号设备位号设备名称设备规格(mm)到货分段数量现场拼组成段数量1E-1一效蒸发器Φ2666/3666×20222mm212E-2二效蒸发器Φ2062/3366×20239mm213E-3三效蒸发器Φ2062/3366×20239mm214MVRMVR蒸发器Φ2716/4520×20642mm21第五章压力容器安装第5页共36页第4页共36页编号:时间:2021年x月x日书山有路勤为径,学海无涯苦作舟页码:第5页共36页一.压力容器安装前准备工作1.到当地技术质量监督局办理压力容器安装告知手续;2.基础验收;3.基础的尺寸检查;4.基础混凝土强度符合设计要求,表面无疏松,孔洞,露筋等缺陷;5、设备(压力容器验收或交接)开箱检查;6、技术、质量、安全交底。二.压力容器安装1.垫铁的安装,垫铁规格,位置大部符合规范要求,不松动接触较好,找正后定位焊固定。垫铁每组不超过四块,设备整齐,外露均匀,(10—30mm)搭接长度应不小于全长的3/4。2.设备安装的允许偏差项次项目允许偏差(mm)检验方法1标高小型贮罐(平底)±10钢卷尺测量2中心线位置卧式设备±10钢卷尺测量第6页共36页第5页共36页编号:时间:2021年x月x日书山有路勤为径,学海无涯苦作舟页码:第6页共36页3卧式设备水平度轴向≤l/1000水平仪测量径向≤20/1000第六章一般设备施工方法一.设备开箱和清点、基础验收及处理㈠设备开箱...

1、当您付费下载文档后,您只拥有了使用权限,并不意味着购买了版权,文档只能用于自身使用,不得用于其他商业用途(如 [转卖]进行直接盈利或[编辑后售卖]进行间接盈利)。
2、本站所有内容均由合作方或网友上传,本站不对文档的完整性、权威性及其观点立场正确性做任何保证或承诺!文档内容仅供研究参考,付费前请自行鉴别。
3、如文档内容存在违规,或者侵犯商业秘密、侵犯著作权等,请点击“违规举报”。

碎片内容

龙江设备施工方案

确认删除?
VIP
微信客服
  • 扫码咨询
会员Q群
  • 会员专属群点击这里加入QQ群
客服邮箱
回到顶部