电脑桌面
添加小米粒文库到电脑桌面
安装后可以在桌面快捷访问

施工现场常见危险源清单-2VIP专享VIP免费

施工现场常见危险源清单-2_第1页
1/77
施工现场常见危险源清单-2_第2页
2/77
施工现场常见危险源清单-2_第3页
3/77
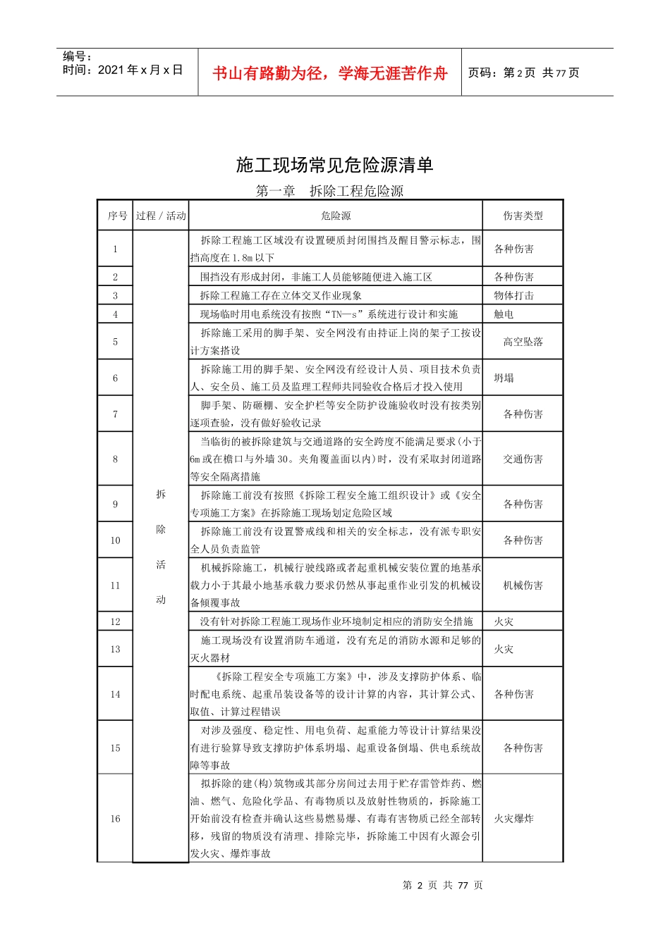
第1页共77页编号:时间:2021年x月x日书山有路勤为径,学海无涯苦作舟页码:第1页共77页施工现场常见危险源清单(共计2042条)目录第一章拆除工程危险源..............................................................................................................2第二章基坑土方工程危险源.......................................................................................................5第三章土石方工程危险源.........................................................................................................11第四章钢筋工程危险源............................................................................................................15第五章脚手架工程危险源.........................................................................................................18第六章模板工程危险源............................................................................................................21第七章混凝土工程危险源.........................................................................................................23第八章垂直运输机械安拆作业危险源.....................................................................................25第九章砌体工程危险源............................................................................................................26第十章屋面工程危险源............................................................................................................28第十一章防水工程危险源.........................................................................................................34第十二章室内装饰工程危险源.................................................................................................35第十三章建筑给水排水及采暖工程危险源.............................................................................42第十四章给水排水管道工程危险源.........................................................................................43第十五章通风与空调工程危险源.............................................................................................45第十六章电缆敷设工程危险源.................................................................................................46第十七章照明工程危险源.........................................................................................................48第十八章钢结构安装危险源.....................................................................................................50第十九章幕墙工程危险源.........................................................................................................59第二十章化工石油安装工程危险源.........................................................................................63第二十一章办公、出行............................................................................................................72第2页共77页第1页共77页编号:时间:2021年x月x日书山有路勤为径,学海无涯苦作舟页码:第2页共77页施工现场常见危险源清单第一章拆除工程危险源序号过程/活动危险源伤害类型1拆除活动拆除工程施工区域没有设置硬质封闭围挡及醒目警示标志,围挡高度在1.8m以下各种伤害2围挡没有形成封闭,非施工人员能够随便进入施工区各种伤害3拆除工程施工存在立体交叉作业现象物体打击4现场临时用电系统没有按煦“TN—s”系统进行设计和实施触电5拆除施工采用的脚手架、安全网没有由持证上岗的架子工按设计方案搭设高空坠落6拆除施工用的脚手架、安全网没有经设计人员、项目技术负责人、安全员、施工员...

1、当您付费下载文档后,您只拥有了使用权限,并不意味着购买了版权,文档只能用于自身使用,不得用于其他商业用途(如 [转卖]进行直接盈利或[编辑后售卖]进行间接盈利)。
2、本站所有内容均由合作方或网友上传,本站不对文档的完整性、权威性及其观点立场正确性做任何保证或承诺!文档内容仅供研究参考,付费前请自行鉴别。
3、如文档内容存在违规,或者侵犯商业秘密、侵犯著作权等,请点击“违规举报”。

碎片内容

施工现场常见危险源清单-2

确认删除?
VIP
微信客服
  • 扫码咨询
会员Q群
  • 会员专属群点击这里加入QQ群
客服邮箱
回到顶部