电脑桌面
添加小米粒文库到电脑桌面
安装后可以在桌面快捷访问

建筑业10项新技术申报VIP免费

建筑业10项新技术申报_第1页
1/102
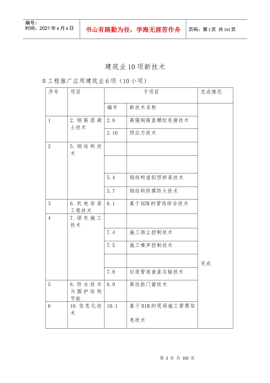
建筑业10项新技术申报_第2页
2/102
建筑业10项新技术申报_第3页
3/102
第1页共102页编号:时间:2021年x月x日书山有路勤为径,学海无涯苦作舟页码:第1页共102页建筑业10项新技术编制人:王少强王昊审核人:樊佃喜示范工程名称:内蒙古建筑职业技术学院新校区三期西教学实训区教学与实训基地1号楼工程示范工程执行单位:内蒙古建设股份公司第2页共102页第1页共102页编号:时间:2021年x月x日书山有路勤为径,学海无涯苦作舟页码:第2页共102页建筑业10项新技术本工程推广应用建筑业6项(10小项)序号项目子项目完成情况编号新技术名称完成12.钢筋混凝土技术2.8高强钢筋直螺纹连接技术2.10预应力技术25.钢结构技术5.4钢结构虚拟预拼装技术5.7钢结构防腐防火技术36.机电安装工程技术6.1基于BZM的管线综合技术47.绿色施工技术7.4施工扬尘控制技术7.5施工噪声控制技术7.8垃圾管道垂直运输技术58.防水技术与围护结构节能8.9高性能门窗技术610.信息化技术10.1基于BIM的现场施工管理信息技术第3页共102页第2页共102页编号:时间:2021年x月x日书山有路勤为径,学海无涯苦作舟页码:第3页共102页目录1.应用成果评审申报书2.《示范工程申报书》及批准文件3.工程施工组织设计4.应用新技术综合报告5.单项新技术应用工作总结6.工程质量证明7.工程效益证明8.示范工程技术文件(QC成果)9.新技术施工照片第4页共102页第3页共102页编号:时间:2021年x月x日书山有路勤为径,学海无涯苦作舟页码:第4页共102页内蒙古自治区建筑业新技术应用示范工程应用成果评审申报书示范工程名称:内蒙古建筑职业技术学院新校区三期西教学实训区教学与实训基地1号楼工程示范工程执行单位:内蒙古建设股份有限责任公司申报盟市:呼和浩特市第5页共102页第4页共102页编号:时间:2021年x月x日书山有路勤为径,学海无涯苦作舟页码:第5页共102页内蒙古自治区建筑业协会示范工程名称内蒙古建筑职业技术学院新校区三期西教学实训区教学与实训基地1号楼工程开工、竣工时间2018.3.5日——2018.12.23日示范工程执行单位内蒙古建设股份有限公司联系人姓名、电话武灵聪13304715763通信地址呼和浩特市新城区财神庙街29号邮政编码010000工程概括内蒙古建筑职业技术学院三期西教学楼实训区教学楼,实训基地1号楼,位于呼和浩特回民区攸攸板镇,一间房村内蒙古建筑职业技术学院北校区三期宿舍楼南侧,地上五层局部一层、二层和四层,建筑面积18308.22m².工程由内蒙古建筑学院出资建设,内蒙古万和工程项目管理有限公司监理,内蒙古建设股份有限公司组织施工,内蒙古工大建筑设计有限责任公司承担设计。建筑物基础结构形式:独立基础,主体结构形式为框第6页共102页第5页共102页编号:时间:2021年x月x日书山有路勤为径,学海无涯苦作舟页码:第6页共102页架结构,抗震设防为8度,框架抗震等级为一级、局部二级。建筑工程类别:多层民用建筑,耐火等级为二级,建筑设计使用年限为50年。防水等级:层面防水等级为一级,室内卫生间采用1.5厚聚安脂涂抹防水,内外墙采用B06级蒸压加气混凝土砌块,用专用干拌砌筑砂浆不低于M5.0砌筑。外墙保温层为90厚岩棉板保温层,外窗采用6mm透明玻璃+12空气+6mmLOW-E断桥铝合金中空双玻。内装修:采用地砖楼面(地面)、花岗岩地面,现浇水磨石地面。内墙采用乳胶漆墙面、刮腻子墙面、釉面砖墙面、吸声墙面、干挂石材墙面。顶棚:乳胶漆顶棚、刮腻子顶棚、铝合金吊顶、纸面石膏吊顶、矿棉吊顶、吸声吊顶、保温顶棚。第7页共102页第6页共102页编号:时间:2021年x月x日书山有路勤为径,学海无涯苦作舟页码:第7页共102页应用新技术名称、应用部位、数量第8页共102页第7页共102页编号:时间:2021年x月x日书山有路勤为径,学海无涯苦作舟页码:第8页共102页2.钢筋混凝土技术2.8高强钢筋直螺纹连接技术新技术应用部位及应用数量:应用于基础及主体工程受力钢筋,应用数量为个。2.10预应力技术新技术应用部位及应用数量:应用于8.05m阶梯教室梁,应用数量为吨。5.钢结构技术5.4钢结构虚拟预拼装技术新技术应用部位及应用数量:应用于19.05m展示连廊屋面,应用数量为吨。6.机电安装工程技术6.1基于BIM的管线综合技术新技术应用部位及应用数量:应用于综合布线系统,应用数...

1、当您付费下载文档后,您只拥有了使用权限,并不意味着购买了版权,文档只能用于自身使用,不得用于其他商业用途(如 [转卖]进行直接盈利或[编辑后售卖]进行间接盈利)。
2、本站所有内容均由合作方或网友上传,本站不对文档的完整性、权威性及其观点立场正确性做任何保证或承诺!文档内容仅供研究参考,付费前请自行鉴别。
3、如文档内容存在违规,或者侵犯商业秘密、侵犯著作权等,请点击“违规举报”。

碎片内容

建筑业10项新技术申报

确认删除?
VIP
微信客服
  • 扫码咨询
会员Q群
  • 会员专属群点击这里加入QQ群
客服邮箱
回到顶部