电脑桌面
添加小米粒文库到电脑桌面
安装后可以在桌面快捷访问

化粪池施工工序资料VIP免费

化粪池施工工序资料_第1页
1/59
化粪池施工工序资料_第2页
2/59
化粪池施工工序资料_第3页
3/59
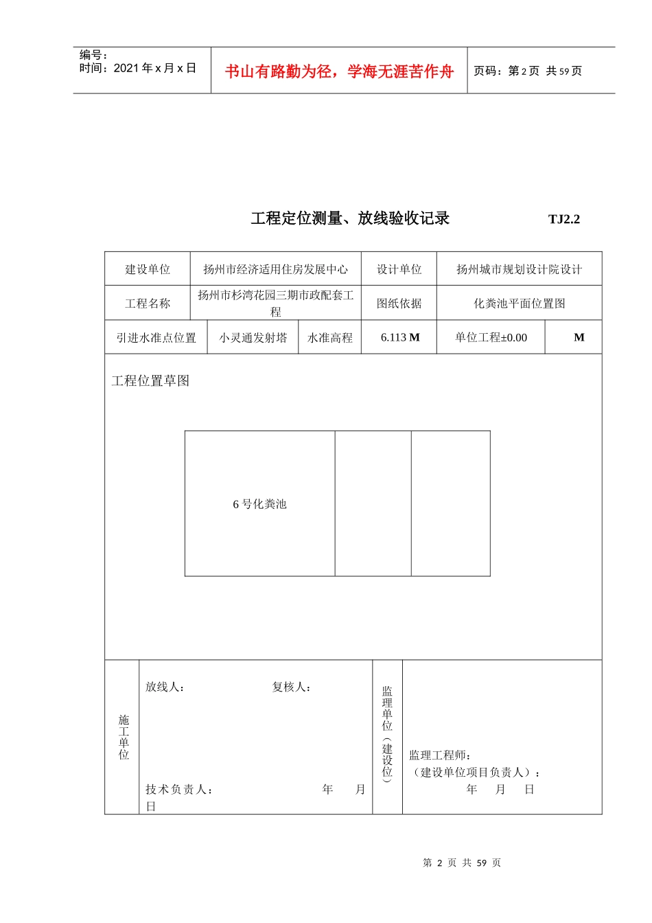
第1页共59页编号:时间:2021年x月x日书山有路勤为径,学海无涯苦作舟页码:第1页共59页A3.4施工测量报验单工程名称:扬州市杉湾花园三期市政配套工程编号:A3.4—致:扬州市建厦监理公司(监理单位)本项目经理部届时将完成103#北侧6#化粪池的测量工作,完成自检,测量成果符合设计和规范要求,并呈报相应资料。本次报验内容系第1次报验。承包单位项目经理部(章):项目经理:日期:项目监理机构签收人姓名及时间承包单位签收人姓名及时间监理核验结果及结论:1、收到施工相应测量资料共页,收到时间:。2、项目监理机构(章):专业监理工程师:日期:注:承包单位项目经理部应提前24小时提出本报验单,并给予配合。江苏省建设厅监制第2页共59页第1页共59页编号:时间:2021年x月x日书山有路勤为径,学海无涯苦作舟页码:第2页共59页工程定位测量、放线验收记录TJ2.2建设单位扬州市经济适用住房发展中心设计单位扬州城市规划设计院设计工程名称扬州市杉湾花园三期市政配套工程图纸依据化粪池平面位置图引进水准点位置小灵通发射塔水准高程6.113M单位工程±0.00M工程位置草图施工单位放线人:复核人:技术负责人:年月日监理单位(建设位)监理工程师:(建设单位项目负责人):年月日6号化粪池第3页共59页第2页共59页编号:时间:2021年x月x日书山有路勤为径,学海无涯苦作舟页码:第3页共59页设计单位项目负责人:年月日A3.3工序质量报验单工程名称:扬州市杉湾花园三期市政配套工程编号:A3.3—致:扬州市建厦监理公司(监理单位)兹报验:■1地基与基础□2主体结构□3建筑装饰装修□4建筑屋面□5建筑给水、排水及采暖□6建筑电气□7智能建筑□8通风与空调□9电梯□□子分部/分项/检验批名称:地槽开挖部位:103#北侧6#化粪池验收时间:本次申报内容系第1次申报,本项目部经理部已完成自检工作且资料完整,并呈报相应资料。承包单位项目经理部(章):项目经理:日期:项目监理机构签收人姓名及时间承包单位签收人姓名及时间监理抽查数据及情况记录:1、收到施工相应自评/检查资料和验收记录表共页,收到时间:2、检查人:日期:第4页共59页第3页共59页编号:时间:2021年x月x日书山有路勤为径,学海无涯苦作舟页码:第4页共59页监理审查意见:□可进行后续施工。□检核未通过,不得进入下道工序施工,整改后再报。项目监理机构(章):专业监理工程师:日期:注:1、未经项目监理机构验收通过,承包单位不得进入下道工序施工。2、承包单位项目经理部应提前提出本报验单,并给予配合。江苏省建设厅监制土方开挖工程检验批质量验收记录表工程名称扬州市杉湾花园三期市政配套工程分项检验批名称103#北侧6#化粪池验收部位地槽开挖施工单位扬州市市政设施管理处项目经理分包单位分包项目经理施工执行标准名称及编号施工质量验收规范的规定施工单位检查评定记录监理(建设)单位验收记录项目允许偏差或允许值(mm)柱基基坑基槽挖方场地平整管沟地(路)面基层人工机械主控1标高-50±30±50-50-50-25+28-30+15-35第5页共59页第4页共59页编号:时间:2021年x月x日书山有路勤为径,学海无涯苦作舟页码:第5页共59页项目2长度、宽度(由设计中心)线向两边量)+200-50+300-100+500-150+100—+250-50+200-30+320-40+180-20+220-303边坡设计要求符合规范要求一般项目1表面平整度202050202025182015162基底土性设计要求符合要求施工单位检查评定结果专业工长(施工员)施工班组长项目专业质量检查员:年月日监理(建设)单位验收结论专业监理工程师:(建设单位项目专业技术负责人):年月日A3.3工序质量报验单工程名称:扬州市杉湾花园三期市政配套工程编号:A3.3—致:扬州市建厦监理公司(监理单位)兹报验:■1地基与基础□2主体结构□3建筑装饰装修□4建筑屋面□5建筑给水、排水及采暖□6建筑电气□7智能建筑□8通风与空调□9电梯□□子分部/分项/检验批名称:碎石垫层部位:103#北侧6#化粪池验收时间:本次申报内容系第1次申报,本项目部经理部已完成自检工作且资料完整,并呈报相应资料。第6页共59页第5页共59页编号:时间:2021年x月x日书山有路勤为径,学海无涯苦作舟页码:第6页...

1、当您付费下载文档后,您只拥有了使用权限,并不意味着购买了版权,文档只能用于自身使用,不得用于其他商业用途(如 [转卖]进行直接盈利或[编辑后售卖]进行间接盈利)。
2、本站所有内容均由合作方或网友上传,本站不对文档的完整性、权威性及其观点立场正确性做任何保证或承诺!文档内容仅供研究参考,付费前请自行鉴别。
3、如文档内容存在违规,或者侵犯商业秘密、侵犯著作权等,请点击“违规举报”。

碎片内容

化粪池施工工序资料

确认删除?
VIP
微信客服
  • 扫码咨询
会员Q群
  • 会员专属群点击这里加入QQ群
客服邮箱
回到顶部