电脑桌面
添加小米粒文库到电脑桌面
安装后可以在桌面快捷访问

火灾自动报警系统安装工艺标准VIP免费

火灾自动报警系统安装工艺标准_第1页
1/28
火灾自动报警系统安装工艺标准_第2页
2/28
火灾自动报警系统安装工艺标准_第3页
3/28
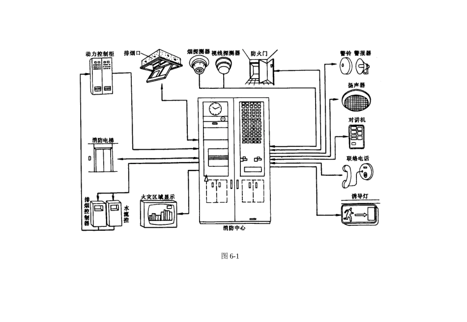
6—2火灾自动报警系统安装工艺标准(602—1998)1范围本章适用于工业与民用建筑火灾自动报警系统安装工程。不适用于生产和贮存火药、炸药、弹药、火工品等有爆炸危险的场所设置的火灾自动报警系统安装工程。2施工准备2.1接到施工任务后,首先应对图纸进行会审,同时熟悉结构图、建筑图、装修图及其它专业的有关图纸,找到影响施工的设计问题组织设计交底,解决设计施工方面存在的问题,办理好技术变更洽商,确定施工方法和配备相应的劳动力、设备、材料、机具等。同时配备配套的生活、生产临时设施。2.2主要设备材料:2.2.1一般火灾自动报警系统的主要设备材料选用应符合6-1“消防工程安装的通用要求”的有关内容。2.2.2主要设备(见图6-1)图6-1区域火灾报警控制器;集中报警控制设备;消防中心控制设备;图象显示与打印操作设备;消防备用电源;火灾探测器(感烟、感温、燃气等);手动火灾报警按钮;声光显示报警器;各类模块(中继器);各种联动控制及信号反馈设备;消防通讯设备(如消防电话);消防广播设备。2.2.3一般常用的材料:管材、型钢、线槽、电线、电缆、金属软管、防火涂料、异型塑料管、阻燃塑料管、接线盒、管箍、根母、护口、管卡子、焊条、氧气、乙炔、钢丝、铅丝、防锈漆、膨胀螺栓、胀塞、成套螺丝、焊油、焊锡、电池、机油、锯条、记号笔、绑带等。2.3主要机具:套丝机、套丝板、液压煨弯器、手动煨弯器、电焊机、气焊工具、台钻、手电钻、砂轮锯、电锤、开孔器、压线钳子、射钉枪、钢锯、手锤、活扳手、水平尺、直尺、角尺、钢卷尺线坠、电烙铁、电炉子、锡锅、扁锉、圆锉、压力案子、压力钳子、电工工具、高凳、工具袋、工具箱、万能表、兆欧表、试铃、对讲电话、步话机、试烟器、手提电吹风机等机具。2.4劳动力配备:根据工程工期要求,合理安排施工进度和劳动力计划,作到保工期、保质量、保安全、配备的施工员、电工、焊工等应持证上岗。2.5编写施工方案和技术交底,组织施工人员根据工程特点进行交底和培训,使每个操作者应熟知技术、质量、安全消防的要求。2.6应按设计要求,在施工现场配备用的规程规范、图册、工艺要求、质量记录、表格及各种有关文件。3施工工艺3.1工艺流程:钢管和金属线槽安装钢管内导线敷设线槽配线→→←←3.2钢管和金属线槽安装主要要求:3.2.1进场管材、型钢、金属线槽及其附件应有材质证明或合格证,并应检查质量、数量、规格型号是否与要求相符合,填写检查记录。钢管要求壁厚均匀,焊缝均匀,无劈裂和砂眼棱刺,无凹扁现象,镀锌层内外均匀完整无损。金属线槽及其附件,应采用经过镀锌处理的定型产品。线槽内外应光滑平整,无棱刺不应有扭曲翅边等变形现象。3.2.2配管前应根据设计、厂家提供的各种探测器、手动报警器、广播喇叭等设备的型号、规格,选定接线盒,使盒子与所安装的设备配套。3.2.3电线保护管遇到下列情况之一时,应在便于穿线的位置增设接线盒:管路长度超过30m,有弯曲时;管路长度超过20m,有一个弯曲时;管路长度超过15m,有二个弯曲时;管路长度超过8m,有三个弯曲时。3.2.4电线保护管的弯曲处不应有折皱、凹陷裂缝,且弯扁程度不应大于管外径的10%。3.2.5明配管时弯曲半径不宜小于管外径的6倍,暗配管时弯曲半径不应小于管外径的6倍,当埋于地下或混凝土内时,其弯曲半径不应小于管外径的10倍。3.2.6当管路暗配时,电线保护管宜沿最近的线路敷设并应火灾自动报警设备安装调试检测验收交付使用减少弯曲。埋入非燃烧体的建筑物、构筑物内的电线保护管与建筑物、构筑物墙面的距离不应小于30mm。金属线槽和钢管明配时,应按设计要求采取防火保护措施。3.2.7电线保护管不宜穿过设备或建筑、构筑物的基础,当必须穿过时应采取保护措施,如采用保护管等。3.2.8水平或垂直敷设的明配电线保护管安装允许偏差1.5‰,全长偏差不应大于管内径的1/2。3.2.9敷设在多尘或潮湿场所的电线保护管,管口及其各连接处均应密封处理。3.2.10管路敷设经过建筑物的变形缝(包括沉降缝、伸缩缝、抗震缝等)时应采取补偿措施。如图6-2a、6-2b、6-2c。图6-23.2.11明配钢管应排列整齐,固定点间距应均匀,钢管卡间的最大距离如表...

1、当您付费下载文档后,您只拥有了使用权限,并不意味着购买了版权,文档只能用于自身使用,不得用于其他商业用途(如 [转卖]进行直接盈利或[编辑后售卖]进行间接盈利)。
2、本站所有内容均由合作方或网友上传,本站不对文档的完整性、权威性及其观点立场正确性做任何保证或承诺!文档内容仅供研究参考,付费前请自行鉴别。
3、如文档内容存在违规,或者侵犯商业秘密、侵犯著作权等,请点击“违规举报”。

碎片内容

火灾自动报警系统安装工艺标准

您可能关注的文档

确认删除?
VIP
微信客服
  • 扫码咨询
会员Q群
  • 会员专属群点击这里加入QQ群
客服邮箱
回到顶部