电脑桌面
添加小米粒文库到电脑桌面
安装后可以在桌面快捷访问

冶金企业安全生产标准化评定标准(焦化)VIP免费

冶金企业安全生产标准化评定标准(焦化)_第1页
1/38
冶金企业安全生产标准化评定标准(焦化)_第2页
2/38
冶金企业安全生产标准化评定标准(焦化)_第3页
3/38
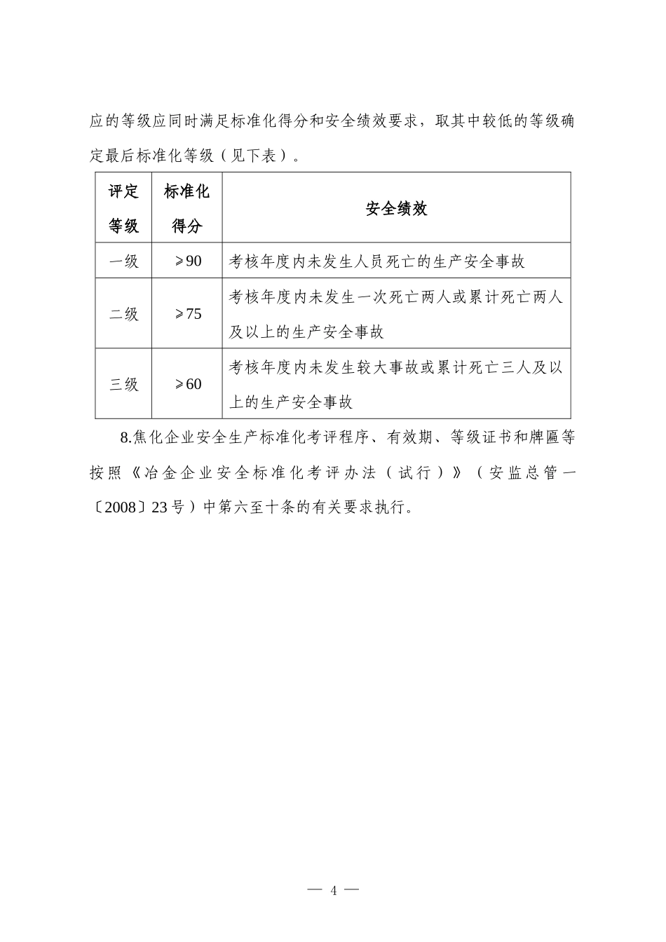
附件2:冶金企业安全生产标准化评定标准(焦化)考评说明1.本标准仅适用于钢铁联合企业中的焦化企业开展安全生产标准化自评、申请、外部评审及安全监管部门监督审核等相关工作,独立的焦化企业可以参照执行。2.依法生产的焦化企业,在考核年度内未发生较大及以上生产安全事故的,可以参加安全生产标准化等级考评。3.本标准共有13项考评类目(A级元素)、47项考评项目(B级元素)和218条考评内容(核心内容)。4.在评定标准表中的自评/评审描述列中,企业及评审单位应根据评定标准的有关要求,针对企业实际情况,如实进行得分及扣分点说明、描述,并在自评扣分点及原因说明汇总表(见附表)中逐条列出。5.本评定标准中累计扣分的,直到该考评内容分数扣完为止,不得出现负分。有特别说明扣分的(在考评办法中加粗的内容),应在该类目内进行扣分。6.本评定标准共计800分,最终标准化得分换算成百分制。换算公式如下:标准化得分(百分制)=标准化工作评定得分÷(800-不参与考评内容分数之和)×100。最后得分采用四舍五入,取小数点后一位数。7.标准化等级分为一级、二级、三级,其中一级为最高。评定所对—3—应的等级应同时满足标准化得分和安全绩效要求,取其中较低的等级确定最后标准化等级(见下表)。评定等级标准化得分安全绩效一级≥90考核年度内未发生人员死亡的生产安全事故二级≥75考核年度内未发生一次死亡两人或累计死亡两人及以上的生产安全事故三级≥60考核年度内未发生较大事故或累计死亡三人及以上的生产安全事故8.焦化企业安全生产标准化考评程序、有效期、等级证书和牌匾等按照《冶金企业安全标准化考评办法(试行)》(安监总管一〔2008〕23号)中第六至十条的有关要求执行。—4—第5页共38页编号:时间:2021年x月x日书山有路勤为径,学海无涯苦作舟页码:第5页共38页冶金企业安全生产标准化评定标准(焦化)自评/评审单位:自评/评审时间:从年月日到年月日自评/评审组组长:自评/评审组主要成员:考评类目考评项目考评内容标准分值考评办法自评/评审描述实际得分一、安全生产目标1.1目标建立安全生产目标的管理制度,明确目标与指标的制定、分解、实施、考核等环节内容。4无该项制度的,不得分;未以文件发布生效的,不得分;安全生产目标管理制度缺少制定、分解、实施、绩效考核等任一环节内容的,扣2分;未能明确相应环节的责任部门或责任人或相应责任的,扣2分。按照安全生产目标管理制度的规定,制定文件化的年度安全生产目标与指标。4无年度安全生产目标与指标计划的不得分;安全生产目标与指标未以企业正式文件颁发的,视为没有,不得分。1.2监测与考核根据所属基层单位和部门在安全生产中的职能,分解年度安全生产目标,并制定实施计划和考核办法。2无年度安全生产目标与指标分解的,不得分;无实施计划或考核办法的,不得分;实施计划无针对性的,不得分;缺一个基层单位和职能部门的指标实施计划或考核办法的,扣1分。按照制度规定,对安全生产目标和指标实施计划的执行情况进行监测,并保存有关监测记录资料。3无安全目标与指标实施情况的检查或监测记录的不得分;检查和监测不符合制度规定的,扣1分;检查和监测资料不齐全的,扣1分。定期对安全生产目标的完成效果进行评估和考核。根据考核评估结果,及时调整安全生产目标和指标的实施计划。评估报告和实施计划的调整、修改记录应形成文件并加以保存。3未定期进行效果评估和考核的(含无评估报告),不得分;未根据评估结果及时调整实施计划的,不得分;调整后的目标与指标以及实施计划未以文件形式颁发的,扣1分;记录资料保存不齐全的,扣1分。小计16得分小计二、组2.1组织建立设置安全管理机构、配备安全管3无该项制度的,不得分;未以文件发布生第6页共38页第5页共38页编号:时间:2021年x月x日书山有路勤为径,学海无涯苦作舟页码:第6页共38页考评类目考评项目考评内容标准分值考评办法自评/评审描述实际得分织机构和职责机构和人员理人员的管理制度。效的,不得分;与国家、地方等有关规定不符的,扣2分。按照相关规定设置安全管理机构或配备安全管理人员。3未设置或配备的,不得分;未...

1、当您付费下载文档后,您只拥有了使用权限,并不意味着购买了版权,文档只能用于自身使用,不得用于其他商业用途(如 [转卖]进行直接盈利或[编辑后售卖]进行间接盈利)。
2、本站所有内容均由合作方或网友上传,本站不对文档的完整性、权威性及其观点立场正确性做任何保证或承诺!文档内容仅供研究参考,付费前请自行鉴别。
3、如文档内容存在违规,或者侵犯商业秘密、侵犯著作权等,请点击“违规举报”。

碎片内容

冶金企业安全生产标准化评定标准(焦化)

中小学教育精品资料+ 关注
实名认证
内容提供者

中小学教育资料,优质文档创作者

确认删除?
VIP
微信客服
  • 扫码咨询
会员Q群
  • 会员专属群点击这里加入QQ群
客服邮箱
回到顶部