电脑桌面
添加小米粒文库到电脑桌面
安装后可以在桌面快捷访问

大理高速桥梁径流收集池施工方案VIP免费

大理高速桥梁径流收集池施工方案_第1页
1/9
大理高速桥梁径流收集池施工方案_第2页
2/9
大理高速桥梁径流收集池施工方案_第3页
3/9
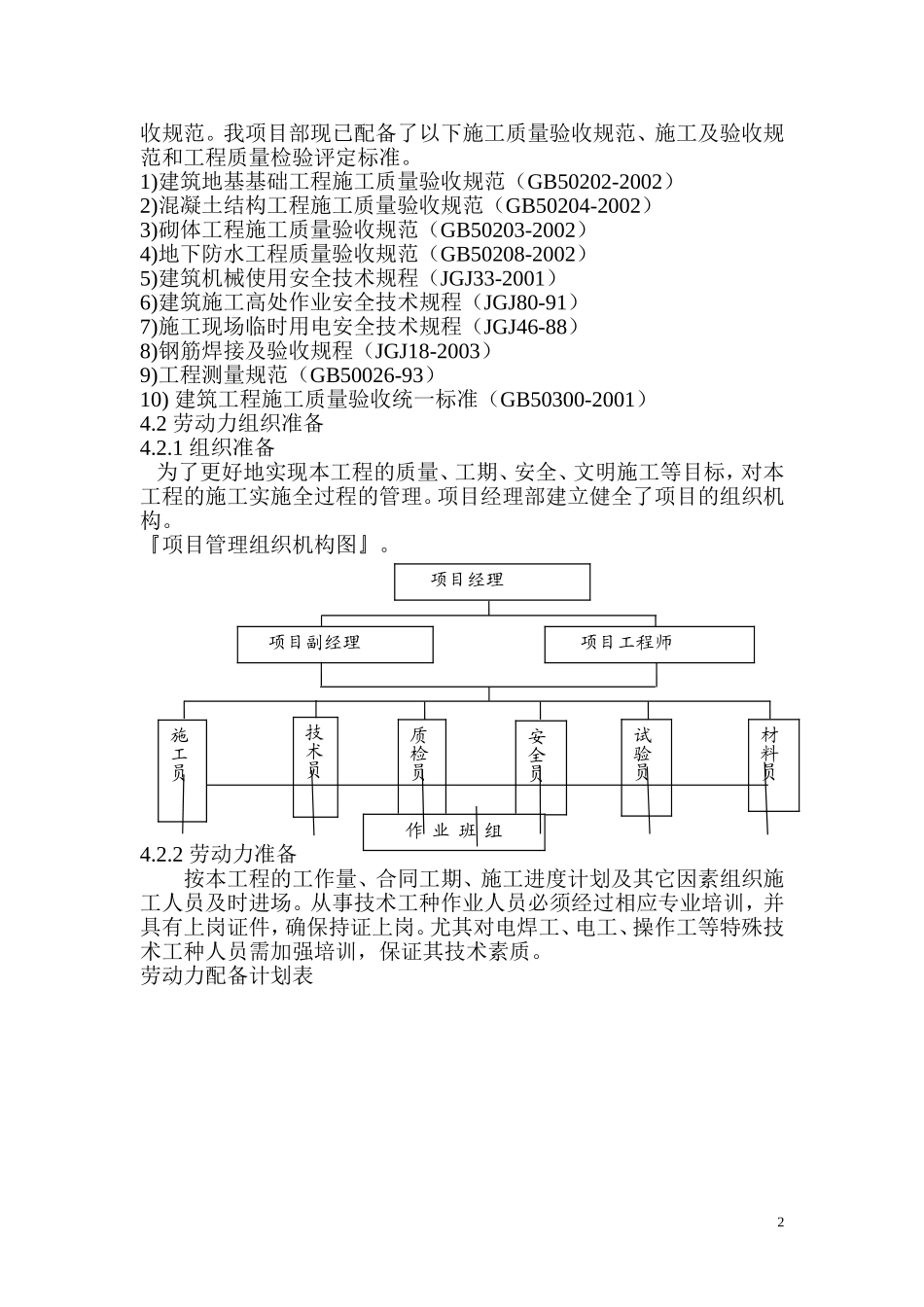
k1+751下锦场中桥径流事故收集系统施工方案1、工程概况1.1工程内容随着我国公路建设里程的逐渐增加,国内机动车保有量的不断增长,公路营运过程中发生的交通事故也日益增多。其中对环境危害最严重的事故,就是化学危险品运输车辆在跨越地表水体路段可能发生的泄漏事故。为对途径水环境敏感区域桥梁采取径流收集措施,以防止危险化学品运输车辆发生事故时造成危险化学品的泄漏随径流进入水体,造成环境污染事故而进行径流事故收集系统施工。径流事故收集系统由收集管道和径流事故收集池两部分组成。收集管道一般沿桥面坡度铺设,将桥面各泄水管排水截流收集排至径流事故收集池。路面收集管道一般接公路边沟,将路面排水截流收集排至径流事故收集池。径流事故收集池由隔离栅、有孔整流墙、沉淀池、隔油挡板、冲洗集砂槽及相应控制闸阀等组成,其工作原理类似于滞留池。径流事故收集系统除收集雨水,还同时具有对日常径流污染进行一定的沉淀、隔油处理功能,防止危险化学品的泄漏随径流进入水体造成环境污染。1.2工程难点应严格保证水池的抗渗质量及工期1.3质量目标一次验收合格率达到100%。2.施工顺序基坑开挖→垫层→防水层→底板钢筋绑扎→底板混凝土→墙板钢筋→墙板模板、预留洞→墙板混凝土→水池顶板模板→顶板钢筋→顶板混凝土→检查井爬梯→管道及阀门→抹灰→外部散水等3.施工进度本工程的施工进度详见水池施工进度计划。4.施工准备4.1技术准备熟悉施工图纸,对施工图进行自审,对图中存在的问题请设计予以解答。随时与设计单位保持联系。开工前,编制项目施工方案,施工时严格按方案施工。开工前,按业主和设计图纸要求配备施工质量验1收规范。我项目部现已配备了以下施工质量验收规范、施工及验收规范和工程质量检验评定标准。1)建筑地基基础工程施工质量验收规范(GB50202-2002)2)混凝土结构工程施工质量验收规范(GB50204-2002)3)砌体工程施工质量验收规范(GB50203-2002)4)地下防水工程质量验收规范(GB50208-2002)5)建筑机械使用安全技术规程(JGJ33-2001)6)建筑施工高处作业安全技术规程(JGJ80-91)7)施工现场临时用电安全技术规程(JGJ46-88)8)钢筋焊接及验收规程(JGJ18-2003)9)工程测量规范(GB50026-93)10)建筑工程施工质量验收统一标准(GB50300-2001)4.2劳动力组织准备4.2.1组织准备为了更好地实现本工程的质量、工期、安全、文明施工等目标,对本工程的施工实施全过程的管理。项目经理部建立健全了项目的组织机构。『项目管理组织机构图』。4.2.2劳动力准备按本工程的工作量、合同工期、施工进度计划及其它因素组织施工人员及时进场。从事技术工种作业人员必须经过相应专业培训,并具有上岗证件,确保持证上岗。尤其对电焊工、电工、操作工等特殊技术工种人员需加强培训,保证其技术素质。劳动力配备计划表2项目副经理项目工程师质检员材料员技术员安全员试验员作业班组施工员项目经理4.3施工材料准备根据施工进度计划的要求,及时报出材料需用量计划。4.4施工机械准备根据施工进度计划要求,提前做好施工机械进场准备,保证施工机械以完好状态进场,并及时投入使用。主要施工机具序号机械或设备名称型号规格数量产地额定功率(KW)生产能力备注1电锯电刨MIBZ-9055.0良好2钢筋调直机JT4-12210.0良好3钢筋切断机GQ40210.0良好4钢筋弯曲机GW4025.0良好5交流电焊机NC500530.0良好6插入式振捣棒ZN1.561.5良好7平板振捣器ZN1.561.5良好8蛙式打夯机HW-2025.0良好9经纬仪J2-JD1良好10水准仪ZS3-12台良好工种施工准备垫层、底板施工墙体施工顶板施工木工5102020钢筋工5101010砼工203020电焊工2222电工1111普工10101010311钢尺30M3良好4.5施工场地准备场地根据每个水池的现场情况进行平整压实,临时道路压平压实需满足进料车辆的进出。4.6测量定位测量放线画出平面图,按设计图纸定出轴线,报监理复核验收。5.主要施工方法5.1土方工程用1台1.0m3立方的反铲挖掘机进行基坑开挖,根据每个水池的设计要求挖至设计标高以上0.3m处,人工修至设计标高,基坑下底尺寸为垫层边线外放0.3m,根据每个水池的土质进行边坡放坡。所有土方均运至甲方指定地点。开挖基槽...

1、当您付费下载文档后,您只拥有了使用权限,并不意味着购买了版权,文档只能用于自身使用,不得用于其他商业用途(如 [转卖]进行直接盈利或[编辑后售卖]进行间接盈利)。
2、本站所有内容均由合作方或网友上传,本站不对文档的完整性、权威性及其观点立场正确性做任何保证或承诺!文档内容仅供研究参考,付费前请自行鉴别。
3、如文档内容存在违规,或者侵犯商业秘密、侵犯著作权等,请点击“违规举报”。

碎片内容

大理高速桥梁径流收集池施工方案

您可能关注的文档

确认删除?
VIP
微信客服
  • 扫码咨询
会员Q群
  • 会员专属群点击这里加入QQ群
客服邮箱
回到顶部