电脑桌面
添加小米粒文库到电脑桌面
安装后可以在桌面快捷访问

mmctqm洗衣机生产线质量管理创新模式VIP免费

mmctqm洗衣机生产线质量管理创新模式_第1页
1/7
mmctqm洗衣机生产线质量管理创新模式_第2页
2/7
mmctqm洗衣机生产线质量管理创新模式_第3页
3/7
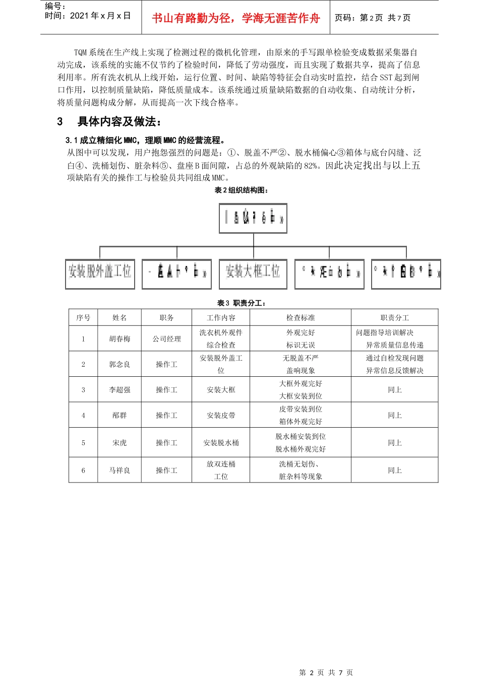
MMC&TQM洗衣机生产线质量管理创新模式曹春华姜俊涛翟学英1术语解释MMC:即迷你迷你公司(mini-minicompany)由员工自发组织、通过员工的自主经营给企业带来利益的一种创新机构。它是通过将不同岗位的人员组成1个小小公司,共同经营产品质量。小组成员的收入来源于给企业挽回的损失的提成,同时搭建各种可操作的平台来实现MMC的自运转。SBU:即策略事业单位(strategicalbusinessunit)。如果每一个事业部而且每一个人都是一个SBU,那么集团总的战略就会落实到每一个员工,而每一个员工的策略创新又会保证集团战略的实现。每个人都是创新的主体,经过自主经营、自主创新,实现自动增值。资源存折:象银行的存折一样,员工利用企业提供的资源,经营的成果记录在案,增值、亏损情况通过资源存折可以很直观的体现出来,员工的收入来源于他给企业创造的效益提成,以此来激发员工的工作热情。TQM系统:即全面质量管理系统。利用先进的网络集成及条形码扫描技术,使洗衣机产品质量检测实现了计算机管理模式,从而达到产品质量信息的自动录入、自动数据分析以及每一位员工的岗位经营成果和酬劳自动生成的质量管理系统。MMC公司的经营成果通过TQM系统自动显示、自动分析和汇总。2MMC公司产生的背景:2.1生产现场检验员与操作工的矛盾关系:生产中检验员与操作工对质量问题的认识存在偏差:检验员认为出厂后的质量问题都挂在自己头上,因此,在生产中出现质量问题,检验员就索赔操作工,同时宁可闸死也不生产,检验员与操作工矛盾加剧;而操作工却认为自己主要是干出产量就可以了,产品质量应由检验员来控制。2.2总装各公司对外观类问题的强烈抱怨外观质量问题通过提高操作人员的质量意识很容易解决,但在生产中外观质量问题仍存在很多影响了生产效率,引起总装各公司抱怨。通过检验处的TQM数据采集系统,对一公司2003年1月份外观质量问题统计分析如下:表1一公司2003年1月份质量问题情况序号抱怨频数累计数累计%1脱盖不严282822%2脱水桶偏心235140%3箱体与底台闪缝、泛白207156%4洗桶划伤、脏杂料188970%5盘座B面间隙1510482%6控制盘划伤、印刷不良1011490%7其他13127100%合计N127为提高操作工的质量意识,降低外观不良率,改变操作工与检验员的矛盾对立的关系,在检验员与操作工之间成立外观精细化MMC,即由检验员与外观质量有关的操作工共同组建一个小小公司,大家共同来经营质量,管理质量,消灭外观质量问题。2.3TQM系统的信息化技术第2页共7页编号:时间:2021年x月x日书山有路勤为径,学海无涯苦作舟页码:第2页共7页TQM系统在生产线上实现了检测过程的微机化管理,由原来的手写跟单检验变成数据采集器自动完成,该系统的实施不仅节约了检验时间,降低了劳动强度,而且实现了数据共享,提高了信息利用率。所有洗衣机从上线开始,运行位置、时间、缺陷等特征会自动实时监控,结合SST起到闸口作用,以控制质量缺陷,降低质量成本。该系统通过质量缺陷数据的自动收集、自动统计分析,将质量问题构成分解,从而提高一次下线合格率。3具体内容及做法:3.1成立精细化MMC,理顺MMC的经营流程。从图中可以发现,用户抱怨强烈的问题是:①、脱盖不严②、脱水桶偏心③箱体与底台闪缝、泛白④、洗桶划伤、脏杂料⑤、盘座B面间隙,占总的外观缺陷的82%。因此决定找出与以上五项缺陷有关的操作工与检验员共同组成MMC。表2组织结构图:表3职责分工:序号姓名职务工作内容检查标准职责分工1胡春梅公司经理洗衣机外观件综合检查外观完好标识无误问题指导培训解决异常质量信息传递2郭念良操作工安装脱外盖工位无脱盖不严盖响现象通过自检发现问题异常信息反馈解决3李超强操作工安装大框大框外观完好大框安装到位同上4邴群操作工安装皮带皮带安装到位箱体外观完好同上5宋虎操作工安装脱水桶脱水桶安装到位脱水桶外观完好同上6马祥良操作工放双连桶工位洗桶无划伤、脏杂料等现象同上第3页共7页第2页共7页编号:时间:2021年x月x日书山有路勤为径,学海无涯苦作舟页码:第3页共7页图1MMC公司SBU经营模型图①模型图从用户的抱怨开始,通过各种资源支持,最终满足于用户的需求,形成闭环,即:输入的是用户的...

1、当您付费下载文档后,您只拥有了使用权限,并不意味着购买了版权,文档只能用于自身使用,不得用于其他商业用途(如 [转卖]进行直接盈利或[编辑后售卖]进行间接盈利)。
2、本站所有内容均由合作方或网友上传,本站不对文档的完整性、权威性及其观点立场正确性做任何保证或承诺!文档内容仅供研究参考,付费前请自行鉴别。
3、如文档内容存在违规,或者侵犯商业秘密、侵犯著作权等,请点击“违规举报”。

碎片内容

mmctqm洗衣机生产线质量管理创新模式

您可能关注的文档

中小学教育精品资料+ 关注
实名认证
内容提供者

中小学教育资料,优质文档创作者

确认删除?
VIP
微信客服
  • 扫码咨询
会员Q群
  • 会员专属群点击这里加入QQ群
客服邮箱
回到顶部