电脑桌面
添加小米粒文库到电脑桌面
安装后可以在桌面快捷访问

现场工程签证单VIP免费

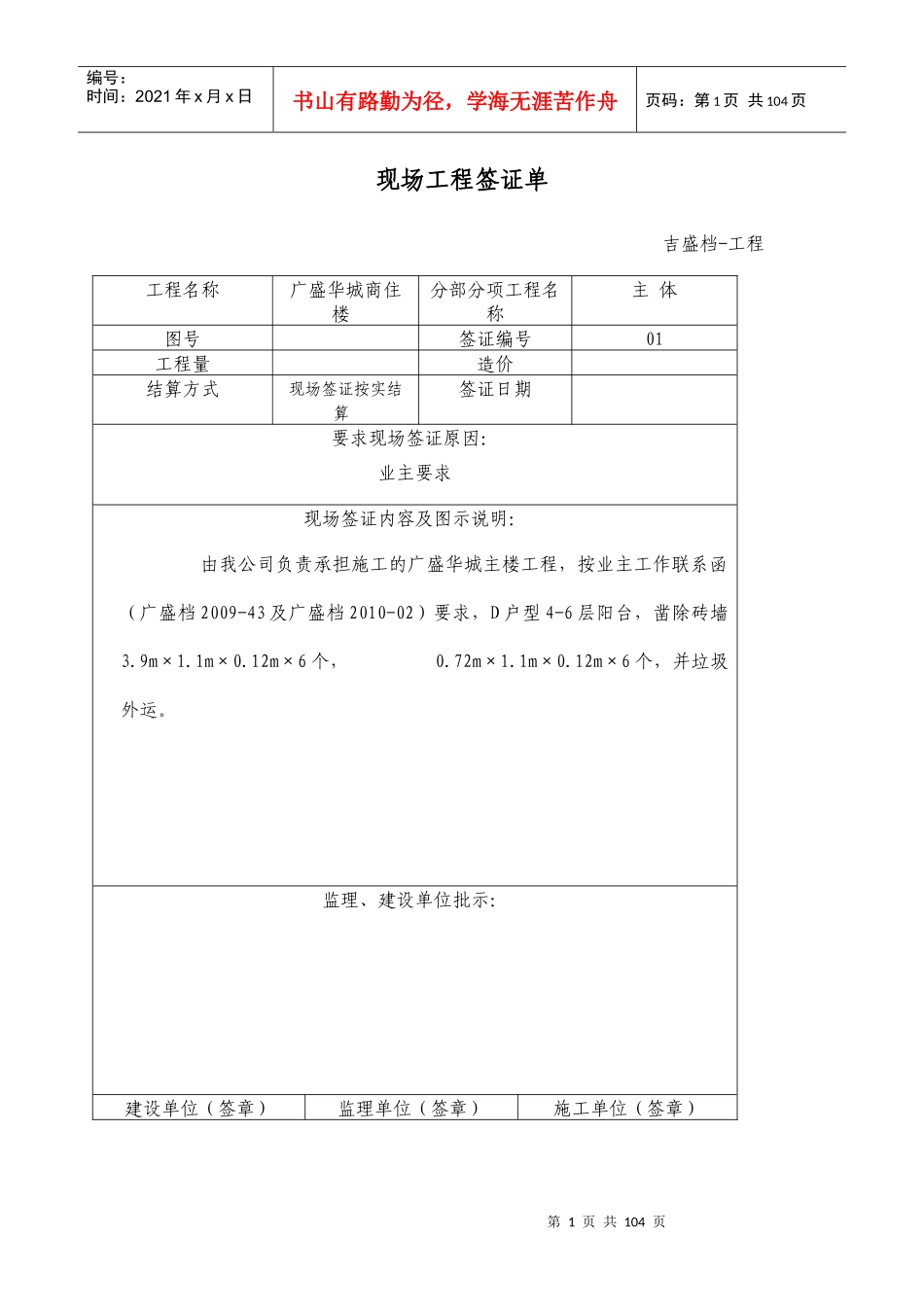
现场工程签证单_第1页
1/104
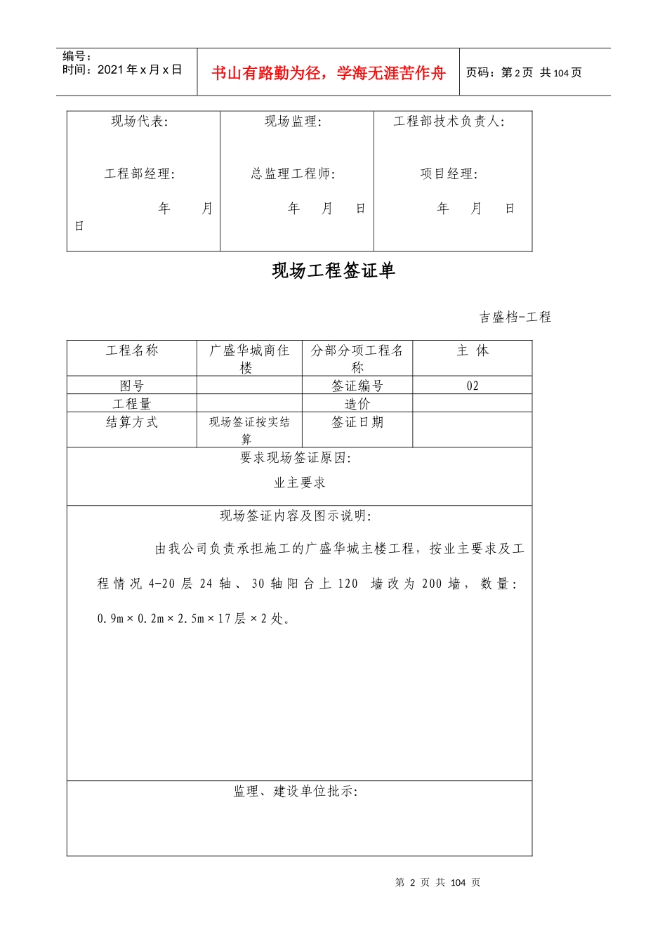
现场工程签证单_第2页
2/104
现场工程签证单_第3页
3/104
第1页共104页编号:时间:2021年x月x日书山有路勤为径,学海无涯苦作舟页码:第1页共104页现场工程签证单吉盛档-工程工程名称广盛华城商住楼分部分项工程名称主体图号签证编号01工程量造价结算方式现场签证按实结算签证日期要求现场签证原因:业主要求现场签证内容及图示说明:由我公司负责承担施工的广盛华城主楼工程,按业主工作联系函(广盛档2009-43及广盛档2010-02)要求,D户型4-6层阳台,凿除砖墙3.9m×1.1m×0.12m×6个,0.72m×1.1m×0.12m×6个,并垃圾外运。监理、建设单位批示:建设单位(签章)监理单位(签章)施工单位(签章)第2页共104页第1页共104页编号:时间:2021年x月x日书山有路勤为径,学海无涯苦作舟页码:第2页共104页现场代表:工程部经理:年月日现场监理:总监理工程师:年月日工程部技术负责人:项目经理:年月日现场工程签证单吉盛档-工程工程名称广盛华城商住楼分部分项工程名称主体图号签证编号02工程量造价结算方式现场签证按实结算签证日期要求现场签证原因:业主要求现场签证内容及图示说明:由我公司负责承担施工的广盛华城主楼工程,按业主要求及工程情况4-20层24轴、30轴阳台上120墙改为200墙,数量:0.9m×0.2m×2.5m×17层×2处。监理、建设单位批示:第3页共104页第2页共104页编号:时间:2021年x月x日书山有路勤为径,学海无涯苦作舟页码:第3页共104页建设单位(签章)监理单位(签章)施工单位(签章)现场代表:工程部经理:年月日现场监理:总监理工程师:年月日工程部技术负责人:项目经理:年月日现场工程签证单吉盛档-工程工程名称广盛华城商住楼分部分项工程名称主体图号签证编号03工程量造价结算方式现场签证按实结算签证日期要求现场签证原因:业主要求现场签证内容及图示说明:由我公司负责承担施工的广盛华城主楼工程,按业主要求便于下水管安装,D户型H轴交9-11轴、43-45轴,处窗C2由1200×1500改为900×1500,增砌200厚砖墙,数量:0.3m×0.2m×1.5m×17层×2处。内粉灰:0.3m×1.5m×17层×2处,外墙贴面砖:0.3m×1.5m×17层×2处。C2窗4-7层按原图施工完成,现增补人工工资4个工日。第4页共104页第3页共104页编号:时间:2021年x月x日书山有路勤为径,学海无涯苦作舟页码:第4页共104页监理、建设单位批示:建设单位(签章)监理单位(签章)施工单位(签章)现场代表:工程部经理:年月日现场监理:总监理工程师:年月日工程部技术负责人:项目经理:年月日现场工程签证单吉盛档-工程工程名称广盛华城商住楼分部分项工程名称主体图号签证编号04工程量造价结算方式现场签证按实结算签证日期要求现场签证原因:业主要求现场签证内容及图示说明:由我公司负责承担施工的广盛华城主楼工程,根据工程情况,并经设计单位及业主同意,将门M3由900×2400改为1000×2500,数量:4×17层=68樘。第5页共104页第4页共104页编号:时间:2021年x月x日书山有路勤为径,学海无涯苦作舟页码:第5页共104页门M7由1200×2400改为1300×2500,数量:2×17层=34樘。A户型中H轴交20-23轴,31-34轴窗C1由900×1500改为900×1600,数量:2×17层=34樘。窗C5由1500×1500改为1500×1600未签以后计入门窗空中花园外窗C5由1500×1600改为1500×1600数量:3×17层=51樘。门M10由1500×2400改为1500×2500,数量:1×17层=17樘。监理、建设单位批示:建设单位(签章)监理单位(签章)施工单位(签章)现场代表:工程部经理:年月日现场监理:总监理工程师:年月日工程部技术负责人:项目经理:年月日现场工程签证单吉盛档-工程工程名称广盛华城商住楼分部分项工程名称主体图号签证编号05第6页共104页第5页共104页编号:时间:2021年x月x日书山有路勤为径,学海无涯苦作舟页码:第6页共104页工程量造价结算方式现场签证按实结算签证日期要求现场签证原因:业主要求现场签证内容及图示说明:由我公司负责承担施工的广盛华城主楼工程,根据业主工作联系函(广盛档2009-41)入户防盗门洞口尺寸由1100×2100改为1000×2100,增砌砖墙0.1m×0.2m×2.1m×10户×17层=7.14m3监理、建设单位批示:建设单位(签章)监理单位(签章)施工单位(签章)现场代表...

1、当您付费下载文档后,您只拥有了使用权限,并不意味着购买了版权,文档只能用于自身使用,不得用于其他商业用途(如 [转卖]进行直接盈利或[编辑后售卖]进行间接盈利)。
2、本站所有内容均由合作方或网友上传,本站不对文档的完整性、权威性及其观点立场正确性做任何保证或承诺!文档内容仅供研究参考,付费前请自行鉴别。
3、如文档内容存在违规,或者侵犯商业秘密、侵犯著作权等,请点击“违规举报”。

碎片内容

现场工程签证单

确认删除?
VIP
微信客服
  • 扫码咨询
会员Q群
  • 会员专属群点击这里加入QQ群
客服邮箱
回到顶部