电脑桌面
添加小米粒文库到电脑桌面
安装后可以在桌面快捷访问

施工现场HSE管理检查规定VIP免费

施工现场HSE管理检查规定_第1页
1/17
施工现场HSE管理检查规定_第2页
2/17
施工现场HSE管理检查规定_第3页
3/17
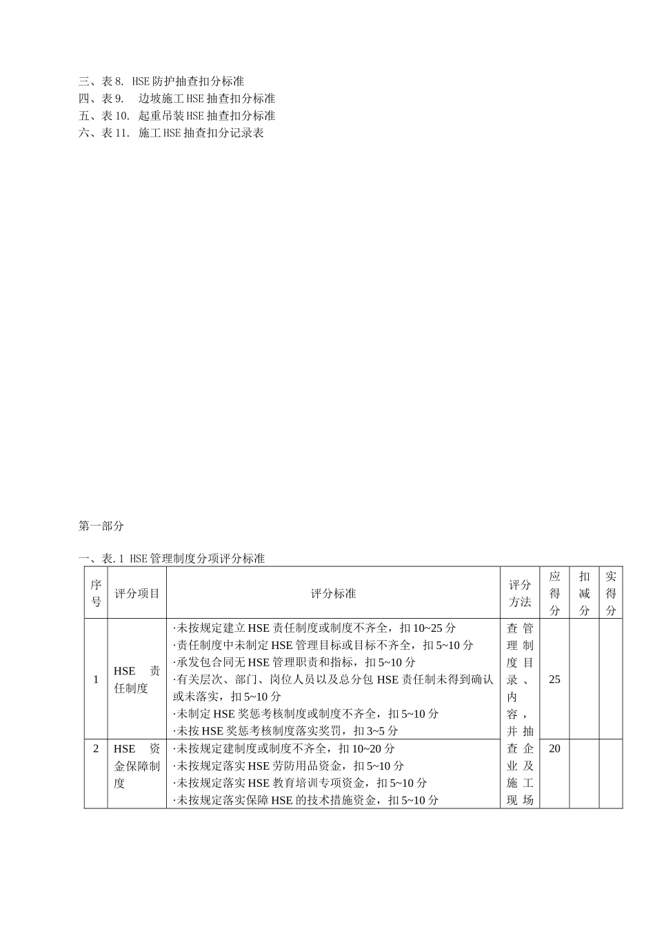
施工现场HSE管理检查规定1.1编制说明本规定制定的检查评定标准分为定期集中HSE检查项目(第一部分)和不定期HSE抽查项目(第二部分)两部分内容。集中HSE检查是对施工企业HSE条件和文明施工的程度进行评价,施工过程HSE抽查是对承包商的HSE管理过程进行督促。本规定适用于本建设项目,目前为工程施工初期,施工内容比较单一,因而确定的抽查项目较少,随着工程的进一步开展,将逐步增加抽查项目,并结合现场实际情况对本规定进行修改、完善。1.2编制依据1.2.1《施工企业HSE评价标准》JGJ/T77-20031.2.2《建筑施工HSE检查评分标准》JGJ59-991.2.3《施工现场临时用电HSE技术规范》JGJ46-881.2.4《建筑施工高处作业HSE技术规范》JGJ80-911.2.5公司项目管理体系文件《项目HSE计划》。1.3检查方法1.3.1集中检查结合平时抽查。1.3.2集中检查项目(第一部分),由业主组织,监理、承包商参加,每月对现场承包商进行一次全面检查。1.3.3抽查项目(第二部分)由业主、监理人员不定时到现场抽查,并填写抽查扣分表及罚单。1.4集中检查项目评分原则1.4.1分项评分满分分值为100分,各分项评分的实得分应为相应分项评分表中各评分项目实得分之和。1.4.2分项评分表中的各评分项目的实得分不应采用负值,扣减分数总和不得超过该评分项目应得分分值,加分总和也不得超过该评分项目的应得分分值。单项评分实得分应为各评分项目实得分之和。1.4.3评分项目有缺项的,其分项评分的实得分应按下式换算:遇有缺项的分项评分的实得分=(可评分项目的实得分之和/可评分项目的应得分值之和)×1001.4.4检查项目(第一部分)评分实得分应为其5个分项实得分的加权平均值。本规定附录表中表1~表5相应分项的权数分别为0.25、0.2、0.25、0.2、0.11.4.5在检查中发现严重HSE隐患的,将实行一票否决制(有一人提出不合格,不再计分,结果为不合格)。集中检查项目结果分为合格、不合格两个等级,各分项评分实得分均≥70分,且检查项目实得分≥75分时为合格,否则为不合格。附录:第一部分:集中检查项目一、表1.HSE管理制度分项平分表二、表2.资质、机构与人员管理分项评分表三、表3.HSE技术管理分项评分表四、表4.设备与设施管理分项评分表五、表5.文明施工分项评分表六、集中检查项目评分表说明第二部分:抽查项目一、表6.施工机具HSE抽查扣分标准二、表7.施工用电HSE抽查扣分标准三、表8.HSE防护抽查扣分标准四、表9.边坡施工HSE抽查扣分标准五、表10.起重吊装HSE抽查扣分标准六、表11.施工HSE抽查扣分记录表第一部分一、表.1HSE管理制度分项评分标准序号评分项目评分标准评分方法应得分扣减分实得分1HSE责任制度·未按规定建立HSE责任制度或制度不齐全,扣10~25分·责任制度中未制定HSE管理目标或目标不齐全,扣5~10分·承发包合同无HSE管理职责和指标,扣5~10分·有关层次、部门、岗位人员以及总分包HSE责任制未得到确认或未落实,扣5~10分·未制定HSE奖惩考核制度或制度不齐全,扣5~10分·未按HSE奖惩考核制度落实奖罚,扣3~5分查管理制度目录、内容,并抽查企业及施工现场252HSE资金保障制度·未按规定建制度或制度不齐全,扣10~20分·未按规定落实HSE劳防用品资金,扣5~10分·未按规定落实HSE教育培训专项资金,扣5~10分·未按规定落实保障HSE的技术措施资金,扣5~10分20相关记录3HSE教育培训制度·未按规定建立制度,20分·制度未明确项目经理、HSE专职人员、特殊工种、待岗、转岗、换岗职工、新进单位从业人员HSE教育培训要求,扣5~15分·企业无HSE教育培训计划,扣10分·未按计划实施教育培训活动或实施记录不齐全,扣5~10分204HSE检查制度·未按规定制定包括企业和各层次宝剑检查制度,扣20分·制度未明确企业、项目定期及日常、专项、季节性HSE检查的时间性和实施要求,扣3~5分·制度未规定对隐患整改、处置和复查要求,扣3~5分·无检查和隐患处置、复查的记录或隐患整改未如期完成,扣5~10分205生产HSE事故报告处理制度·未按规定制定事故报告处理制度或制度不齐全,扣5~10分·未按规定实施事故的报告处理,未落实“四不放过”,扣10~15分·未建立事故档案,扣5分·未按规定办理意外伤害保险,扣10分;意外...

1、当您付费下载文档后,您只拥有了使用权限,并不意味着购买了版权,文档只能用于自身使用,不得用于其他商业用途(如 [转卖]进行直接盈利或[编辑后售卖]进行间接盈利)。
2、本站所有内容均由合作方或网友上传,本站不对文档的完整性、权威性及其观点立场正确性做任何保证或承诺!文档内容仅供研究参考,付费前请自行鉴别。
3、如文档内容存在违规,或者侵犯商业秘密、侵犯著作权等,请点击“违规举报”。

碎片内容

施工现场HSE管理检查规定

确认删除?
VIP
微信客服
  • 扫码咨询
会员Q群
  • 会员专属群点击这里加入QQ群
客服邮箱
回到顶部