电脑桌面
添加小米粒文库到电脑桌面
安装后可以在桌面快捷访问

硫二车间工艺流程图VIP专享VIP免费

硫二车间工艺流程图_第1页
1/6
硫二车间工艺流程图_第2页
2/6
硫二车间工艺流程图_第3页
3/6
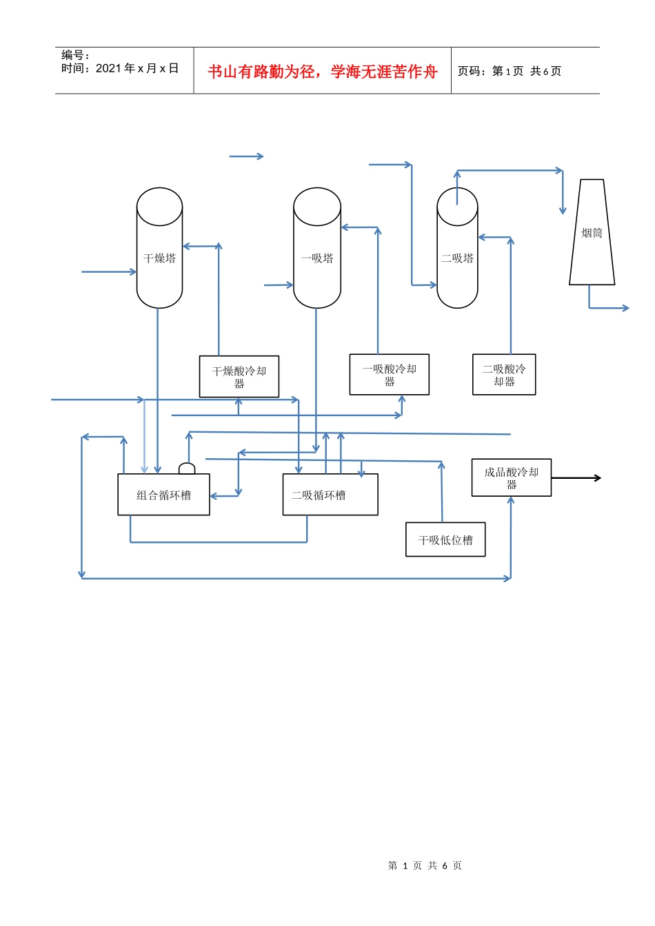
第1页共6页组合循环槽二吸循环槽干燥塔一吸塔二吸塔干燥酸冷却器一吸酸冷却器成品酸冷却器干吸低位槽二吸酸冷却器烟筒编号:时间:2021年x月x日书山有路勤为径,学海无涯苦作舟页码:第1页共6页第2页共6页第1页共6页第一省煤器低温过热器二省汽包低温段高温过热器高温段过热蒸汽集汽集箱余热锅炉扩容器编号:时间:2021年x月x日书山有路勤为径,学海无涯苦作舟页码:第2页共6页第3页共6页第2页共6页4段3段2段1段焚硫炉余热锅炉高温过热器第一省煤器一吸塔低温过热器二吸塔编号:时间:2021年x月x日书山有路勤为径,学海无涯苦作舟页码:第3页共6页第4页共6页第3页共6页编号:时间:2021年x月x日书山有路勤为径,学海无涯苦作舟页码:第4页共6页第5页共6页第4页共6页编号:时间:2021年x月x日书山有路勤为径,学海无涯苦作舟页码:第5页共6页第6页共6页第5页共6页快速熔硫槽A快速熔硫槽B预涂槽卧式液硫过滤机卧式液硫过滤机液硫大库精硫槽编号:时间:2021年x月x日书山有路勤为径,学海无涯苦作舟页码:第6页共6页高温水蒸气硫磺硫磺输送泵

1、当您付费下载文档后,您只拥有了使用权限,并不意味着购买了版权,文档只能用于自身使用,不得用于其他商业用途(如 [转卖]进行直接盈利或[编辑后售卖]进行间接盈利)。
2、本站所有内容均由合作方或网友上传,本站不对文档的完整性、权威性及其观点立场正确性做任何保证或承诺!文档内容仅供研究参考,付费前请自行鉴别。
3、如文档内容存在违规,或者侵犯商业秘密、侵犯著作权等,请点击“违规举报”。

碎片内容

硫二车间工艺流程图

确认删除?
VIP
微信客服
  • 扫码咨询
会员Q群
  • 会员专属群点击这里加入QQ群
客服邮箱
回到顶部