电脑桌面
添加小米粒文库到电脑桌面
安装后可以在桌面快捷访问

Gelor-Sytem系列专业异味净化技术设备VIP免费

Gelor-Sytem系列专业异味净化技术设备_第1页
1/3
Gelor-Sytem系列专业异味净化技术设备_第2页
2/3
Gelor-Sytem系列专业异味净化技术设备_第3页
3/3
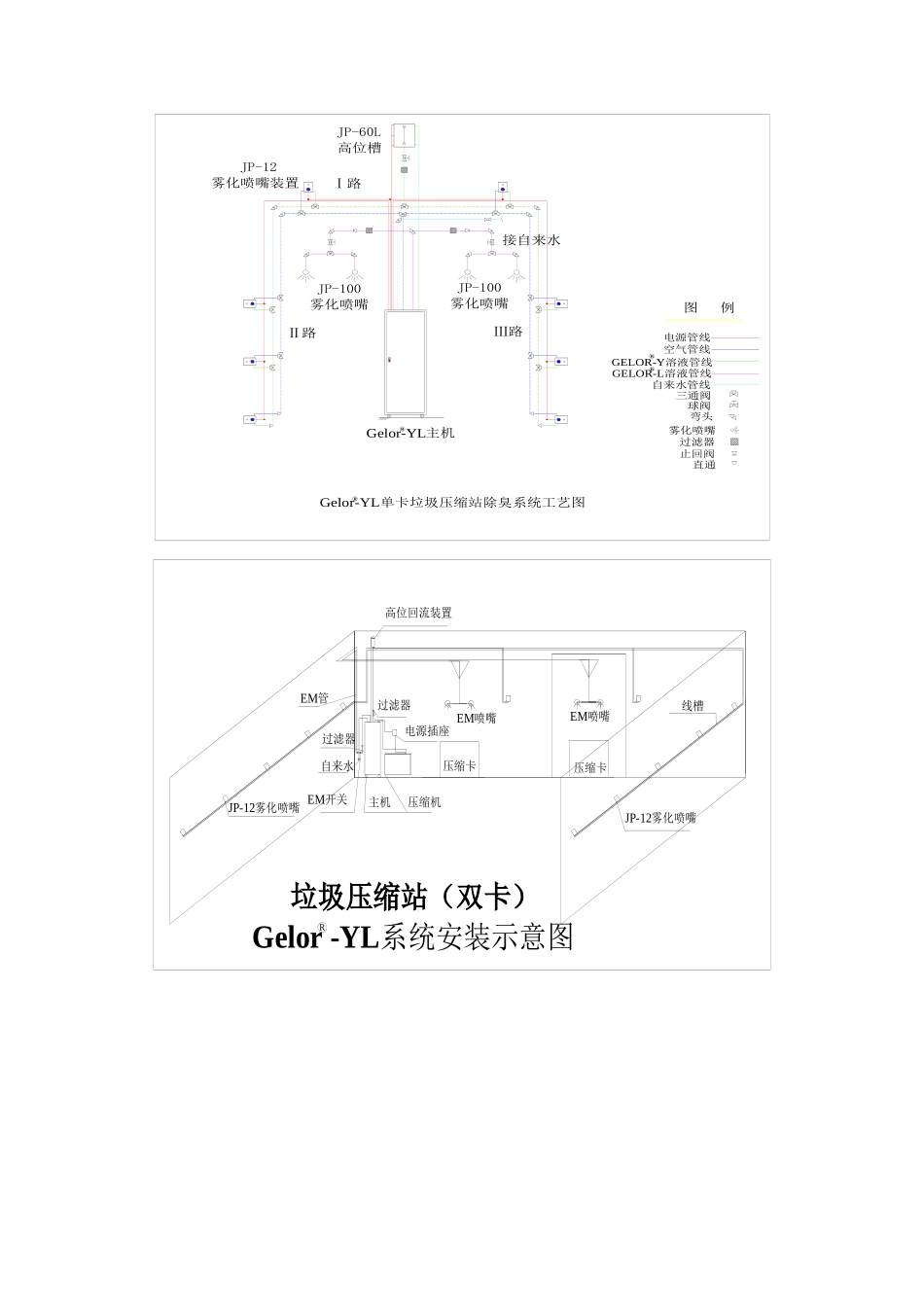
Gelor®-YL型垃圾压缩站除臭装置1、技术特点集Gelor-Y和Gelor-L功能于一体。将有效微生物技术与空间除臭技术结合起来,一方面利用有效微生物抑制臭气的产生,一方面分解已产生的臭气。2、装置组成Gelor®-YL型垃圾压缩站除臭装置由控制系统、微生物除臭剂和植物提取液供应系统、雾化喷嘴系统、压缩空气系统组成。控制系统有程序控制、时间控制、自我保护等装置;微生物除臭剂和植物提取液供应系统由溶液罐、输液泵、阀门、高位槽组成;雾化喷嘴系统由一~三组,每组若干套雾化喷嘴装置组成。压缩空气系统由压缩机,去水干燥器和容气罐组成,保证控制系统所需压缩空气的供应。3、使用场合适用于垃圾压缩站和垃圾处场合以及污水处理站,污泥处理场,其处理面积可以从几十到几百平方米。4、技术参数名称型号组成部分配套设备控制面积组件数量Gelor®-YL-1控制器时间控制器16~9台JP-12雾化喷嘴装置高位回流系统,空气压缩泵80~120米2程序控制器1压力调节器1分气系统1Gelor®-YL-2控制器时间控制器19~15台JP-12雾化喷嘴装置高位回流系统,空气压缩泵100~200米2程序控制器1压力调节器1分气系统1JP-100雾化喷嘴JP-100雾化喷嘴过滤器直通止回阀空气管线自来水管线GELOR-L溶液管线GELOR-Y溶液管线三通阀弯头雾化喷嘴球阀电源管线图例接自来水JP-12雾化喷嘴装置Ⅲ路Ⅱ路Ⅰ路JP-60L高位槽主机RGelor-YLGelor-YL单卡垃圾压缩站除臭系统工艺图RRR垃圾压缩站(双卡)Gelor-YL系统安装示意图R高位回流装置EM管EM喷嘴EM喷嘴压缩卡压缩卡电源插座过滤器过滤器自来水EM开关JP-12雾化喷嘴主机压缩机JP-12雾化喷嘴线槽

1、当您付费下载文档后,您只拥有了使用权限,并不意味着购买了版权,文档只能用于自身使用,不得用于其他商业用途(如 [转卖]进行直接盈利或[编辑后售卖]进行间接盈利)。
2、本站所有内容均由合作方或网友上传,本站不对文档的完整性、权威性及其观点立场正确性做任何保证或承诺!文档内容仅供研究参考,付费前请自行鉴别。
3、如文档内容存在违规,或者侵犯商业秘密、侵犯著作权等,请点击“违规举报”。

碎片内容

Gelor-Sytem系列专业异味净化技术设备

您可能关注的文档

确认删除?
VIP
微信客服
  • 扫码咨询
会员Q群
  • 会员专属群点击这里加入QQ群
客服邮箱
回到顶部