电脑桌面
添加小米粒文库到电脑桌面
安装后可以在桌面快捷访问

设备进场使用报验单VIP免费

设备进场使用报验单_第1页
1/14
设备进场使用报验单_第2页
2/14
设备进场使用报验单_第3页
3/14
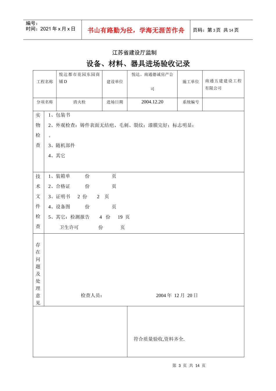
第1页共14页编号:时间:2021年x月x日书山有路勤为径,学海无涯苦作舟页码:第1页共14页设备、材料、器具进场验收记录工程名称办案技术综合楼建设单位盐城市亭湖区人民检察院施工单位南通华荣建设集团有限公司分项名称镀锌电工钢管进场日期2009.3.15系统编号实物检查1、包装书2、外观检查:管内外壁平整光滑,,无裂纹和气泡,无凹陷,镀锌完好,标志明显、壁厚均匀。3、随机部件4、其它技术文件检查1、装箱单份页2、合格证1份1页3、证明书1份1页4、设备图份页5、其它:检测报告6份12页产品认证书份页存在问题及处理意见检查人员:2009年3月15日专业监理工程师:符合质量验收要求,资料齐全。施工单位项目经理:第2页共14页第1页共14页编号:时间:2021年x月x日书山有路勤为径,学海无涯苦作舟页码:第2页共14页2009年月日2009年3月15日材料(构配件)、设备进场使用报验单工程名称:办案技术综合楼编号:A32-致:盐城市亨达建设监理咨询责任有限公司(监理单位)兹报验:√1材料进场使用。□2构配件进场使用。□3工程设备进场使用/开箱检查。□4名称:镀锌电工钢管采购单位:南通华荣建设集团有限公司拟用部位:电气套管附件:(共14页):□清单(如名称、产地、规格、数量等)、样品。√出厂合格证、质保书、准用证。√检测报告、复试报告。□其它有关文件。本次报验内容系第1次报验,届时本项目经理部已完成自检工作且资料完整,并呈报相关资料。承包单位项目经理部(章):项目经理:日期项目监理机构签收人姓名及时间承包单位签收人姓名及时间监理审查意见□同意□不同意项目监理机构(章):专业监理工程师:时间:注:1承包单位项目经理部应提前提出本报验单,需复试合格才能使用的,应在复试合格后签批。2、大型设备开箱检查设计单位代表应参加。第3页共14页第2页共14页编号:时间:2021年x月x日书山有路勤为径,学海无涯苦作舟页码:第3页共14页江苏省建设厅监制设备、材料、器具进场验收记录工程名称悦达都市花园东园商铺D建设单位悦达、南通德诚房产公司施工单位南通五建建设工程有限公司分项名称消火栓进场日期2004.12.20系统编号实物检查1、包装书2、外观检查:铸件表面无结疤、毛刺、裂纹;漆膜完好;标志明显;。3、随机部件4、其它技术文件检查1、装箱单份页2、合格证份页3、证明书2份2页4、设备图份页5、其它:检测报告4份19页卫生许可份页存在问题及处理意见检查人员:2004年12月20日符合质量验收,资料齐全.第4页共14页第3页共14页编号:时间:2021年x月x日书山有路勤为径,学海无涯苦作舟页码:第4页共14页专业监理工程师:2004年月日施工单位项目经理:2004年12月20日材料(构配件)、设备进场使用报验单工程名称:城市防洪工程建设管理处综合楼编号:A32-致:盐城市河海工程建设监理中心(监理单位)兹报验:√1材料进场使用。□2构配件进场使用。□3工程设备进场使用/开箱检查。□4名称:PVC16、PVC20采购单位:盐城市第四建筑工程公司拟用部位:电气系统附件:(共5页):□清单(如名称、产地、规格、数量等)、样品。√出厂合格证、质保书、准用证。□检测报告、复试报告。□其它有关文件。本次报验内容系第1次报验,届时本项目经理部已完成自检工作且资料完整,并呈报相关资料。承包单位项目经理部(章):项目经理:日期项目监理机构签收人姓名及时间承包单位签收人姓名及时间监理审查意见□同意□不同意项目监理机构(章):专业监理工程师:时间:注:1承包单位项目经理部应提前提出本报验单,需复试合格才能使用的,应在复试合格第5页共14页第4页共14页编号:时间:2021年x月x日书山有路勤为径,学海无涯苦作舟页码:第5页共14页后签批。2、大型设备开箱检查设计单位代表应参加。江苏省建设厅监制设备、材料、器具进场验收记录工程名称桃源居E—2、3楼建设单位市众兴置业有限公司施工单位江苏中远建筑公司分项名称电工管进场日期2005,3.10系统编号实物检查1、包装书2、外观检查:厂名、型号的连续标志完整,内外壁平整光滑,,无裂纹、,无凹陷,标志明显。3、随机部件4、其它技术文件检查1、装箱单份张2、合格证1份1张3、证明书份张4、设备图份张5、其...

1、当您付费下载文档后,您只拥有了使用权限,并不意味着购买了版权,文档只能用于自身使用,不得用于其他商业用途(如 [转卖]进行直接盈利或[编辑后售卖]进行间接盈利)。
2、本站所有内容均由合作方或网友上传,本站不对文档的完整性、权威性及其观点立场正确性做任何保证或承诺!文档内容仅供研究参考,付费前请自行鉴别。
3、如文档内容存在违规,或者侵犯商业秘密、侵犯著作权等,请点击“违规举报”。

碎片内容

设备进场使用报验单

您可能关注的文档

确认删除?
VIP
微信客服
  • 扫码咨询
会员Q群
  • 会员专属群点击这里加入QQ群
客服邮箱
回到顶部