电脑桌面
添加小米粒文库到电脑桌面
安装后可以在桌面快捷访问

施工现场重大危害因素预防监控措施VIP免费

施工现场重大危害因素预防监控措施_第1页
1/9
施工现场重大危害因素预防监控措施_第2页
2/9
施工现场重大危害因素预防监控措施_第3页
3/9
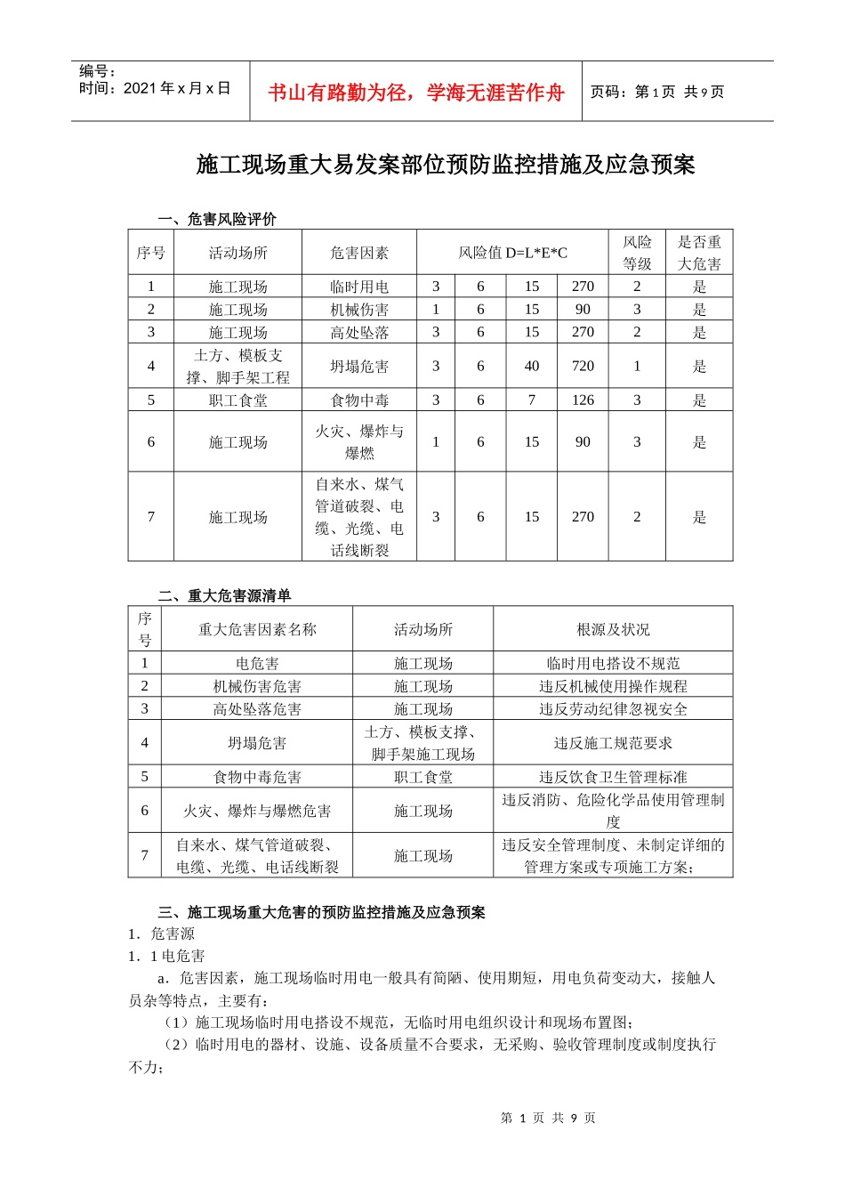
第1页共9页编号:时间:2021年x月x日书山有路勤为径,学海无涯苦作舟页码:第1页共9页施工现场重大易发案部位预防监控措施及应急预案一、危害风险评价序号活动场所危害因素风险值D=L*E*C风险等级是否重大危害1施工现场临时用电36152702是2施工现场机械伤害1615903是3施工现场高处坠落36152702是4土方、模板支撑、脚手架工程坍塌危害36407201是5职工食堂食物中毒3671263是6施工现场火灾、爆炸与爆燃1615903是7施工现场自来水、煤气管道破裂、电缆、光缆、电话线断裂36152702是二、重大危害源清单序号重大危害因素名称活动场所根源及状况1电危害施工现场临时用电搭设不规范2机械伤害危害施工现场违反机械使用操作规程3高处坠落危害施工现场违反劳动纪律忽视安全4坍塌危害土方、模板支撑、脚手架施工现场违反施工规范要求5食物中毒危害职工食堂违反饮食卫生管理标准6火灾、爆炸与爆燃危害施工现场违反消防、危险化学品使用管理制度7自来水、煤气管道破裂、电缆、光缆、电话线断裂施工现场违反安全管理制度、未制定详细的管理方案或专项施工方案;三、施工现场重大危害的预防监控措施及应急预案1.危害源1.1电危害a.危害因素,施工现场临时用电一般具有简陋、使用期短,用电负荷变动大,接触人员杂等特点,主要有:(1)施工现场临时用电搭设不规范,无临时用电组织设计和现场布置图;(2)临时用电的器材、设施、设备质量不合要求,无采购、验收管理制度或制度执行不力;第2页共9页第1页共9页编号:时间:2021年x月x日书山有路勤为径,学海无涯苦作舟页码:第2页共9页(3)无专业电工,临时用电架设不符合要求;(4)临时用电设施的检查、维护不到位(5)现场施工人员没有用电知识,乱拉乱接电线;(6)电工或作业人员违反操作规程;(7)触电后救治知识不足,救治不及时使伤害后果扩大;b.预防措施(1)施工现场临时用电必须编制临时用电专项组织设计,配备专业电工,绘制现场图,按图施工;(2)制定施工现场临时用电管理制度,并认真监督执行;(3)临时用电架设完工后,未组织验收或验收不合格不得使用;(4)用电器材、设施、设备的采购,应查验生产厂家资质和产品合格证,防止和杜绝伪劣产品流入工地;(5)现场临时用电必须严格做到三级配电、二级保护。各种用电设施、设备必须经检验合格,使用五芯电缆,严格做到一机、一闸、一箱、一漏、一保险;(6)对现场人员及各种用电设备、机具人员严格进行安全用电知识和救助知识教育;(7)严禁乱拉乱接电线,定期检查维护,使临时用电设施始终处于良好状态;(8)对接触电施工的人员和可能接触电施工的人员进行用电安全注意事项的安全技术交底;(9)定期对临时用电设施、漏电保护进行检测,使之处于良好状态。(10)有人触电时,及时、正确救治,减少和降低电危害的伤害后果;c.应及救援有人触电时应采取下列措施:(1)断开电源近处电源可拉闸、拔插头。距开关较远,可用绝缘工具切断电线,或用不导电的木板、木棍挑开电线。切忌直接用手或金属材料及潮湿物件直接去拿电线和触电人,防止解救的人再次触电。(2)触电人脱离电源后,应立即就地抢救。如神志清醒或昏迷后已清醒过来,应使触电人安静休息,必要时送医院诊治;(3)触电人已失去知觉,但心脏还在跳动,还有呼吸,应使触电人在空气清新的地方舒适、安静地平躺,并迅速请医生(或打120求援电话)到现场诊治;(4)如果触电人已失去知觉、呼吸停止,但心脏还在跳动,应尽快将其仰面放平,进行人工呼吸;(5)如触电人呼吸和心脏跳动完全停止,应立即进行人工呼吸和心脏胸外按压急救。1.2机械伤害危害(1)危害因素a.进入施工现场的机械设备未经过检验检测合格投入使用;b.未配备专职设备管理人员,设备安装不合要求,未验收或验收不合格;c.设备的防护装置、技术性能不符合规范要求;d.特种设备未经过专业机关检验,并持检验合格证书;e.特种设备的作业人员未经过专业机关的培训,持操作证上岗;f.无设备安全管理制度,未按规定要求定期进行安全检查,及时整改事故隐患;g.设备操作人员或施工现场人员违章作业,违章指挥、违反劳动纪律。使设备倒塌、侧翻或伤...

1、当您付费下载文档后,您只拥有了使用权限,并不意味着购买了版权,文档只能用于自身使用,不得用于其他商业用途(如 [转卖]进行直接盈利或[编辑后售卖]进行间接盈利)。
2、本站所有内容均由合作方或网友上传,本站不对文档的完整性、权威性及其观点立场正确性做任何保证或承诺!文档内容仅供研究参考,付费前请自行鉴别。
3、如文档内容存在违规,或者侵犯商业秘密、侵犯著作权等,请点击“违规举报”。

碎片内容

施工现场重大危害因素预防监控措施

您可能关注的文档

中小学教育精品资料+ 关注
实名认证
内容提供者

中小学教育资料,优质文档创作者

确认删除?
VIP
微信客服
  • 扫码咨询
会员Q群
  • 会员专属群点击这里加入QQ群
客服邮箱
回到顶部