电脑桌面
添加小米粒文库到电脑桌面
安装后可以在桌面快捷访问

新增物料、物料清单工艺、工作中心流程、VIP免费

新增物料、物料清单工艺、工作中心流程、_第1页
1/4
新增物料、物料清单工艺、工作中心流程、_第2页
2/4
新增物料、物料清单工艺、工作中心流程、_第3页
3/4
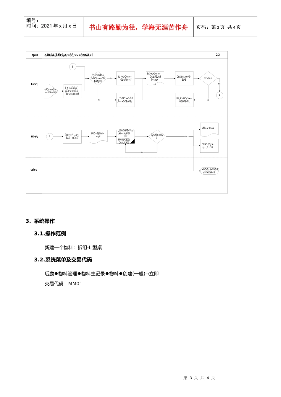
第1页共4页编号:时间:2021年x月x日书山有路勤为径,学海无涯苦作舟页码:第1页共4页第AA章-PP08_新增物料/物料清单/工艺/工作中心流程1.流程说明XXXXXXXX2.流程图在流程说明中,需对下面所附的流程图用文字进行简要的解释。在此说明中尤其要侧重在该流程中涉及的部门及岗位有哪些;该流程中所用到的单据有哪些;单据流及信息流是如何流转的等。请不要将我们原先所做的流程说明插入到这里。在最终用户操作手册中解释流程的目的在于让受训者了解SAP上线后的操作流程,明确自己的工作范围以及相应的操作规范。同时让每个受训者也了解到在他们将来的工作中会和哪些部门,哪些人员有工作上的配合关系;他们的工作对别的部门或者人员会造成什么影响;别的部门或者人员的工作又会对他们自身的工作造成何种影响。仿宋体,12号,粗体,居中排列。AA代表数字,数字用中文表述,即非阿拉伯数字。所有一律用11号仿宋字体,粗体所有图片尺寸一律为:4.2”(高)*6”(宽);图片和其所属之标题的文字部分左对齐。正文一律采用10号仿宋字体。正文需和该正文所属之标题的文字部分左对齐。ÐÂÔöÎïÁÏ/ÎïÁÏÇåµ¥/¹¤ÒÕ/¹¤×÷ÖÐÐÄÁ÷³Ìpp08Ñз¢²¿ÎïÁ÷´¦²ÆÎñ²¿ÎïÁϽṹά»¤ÐèÇóÐÂÔöÎïÁÏÐèÇóÌîдÎïÁϽṹά»¤µ¥ÎïÁϽṹά»¤µ¥ÓÉÑз¢²¿/¹¤³Ì¿ÎÖ÷¹ÜÉóºËºË×¼·ñÐÞ¸ÄÎïÁϽṹ¸÷²¿ÃŸü¸ÄÎïÁÏÖ÷Êý¾ÝÈ·¶¨ÎïÁϱàºÅÌîд¹¤³ÌËùÐèÊý¾ÝÈ·¶¨/ÌîдÏà¹Ø¿â´æÊý¾ÝÈ·¶¨/ÌîдÏà¹Ø²É¹ºÊý¾ÝÈ·¶¨/ÌîдÏà¹ØÉú²ú¼Æ»®Êý¾ÝÈ·¶¨/ÌîдÏà¹Ø²ÆÎñÊý¾ÝÐÂÔö»î¶¯ÀàÐÍÐèÇóÈ·ÈϹ¤Ðò·ÑÂʼ°³É±¾ÖÐÐÄÎïÁÏÖ÷Êý¾Ýά»¤µ¥ÓÉÏà¹Ø²¿ÃÅÖ÷¹ÜÉóºË¸÷×ÔÏà¹ØÐÅÏ¢ºË×¼·ñÈ·¶¨ÉúЧÈÕÆÚNoAYesNoYesÈ·¶¨/ÌîдÏà¹ØÏúÊÛÊý¾ÝB1/2第2页共4页第1页共4页编号:时间:2021年x月x日书山有路勤为径,学海无涯苦作舟页码:第2页共4页第3页共4页第2页共4页编号:时间:2021年x月x日书山有路勤为径,学海无涯苦作舟页码:第3页共4页3.系统操作3.1.操作范例新建一个物料:拆组-L型桌3.2.系统菜单及交易代码后勤物料管理物料主记录物料创建(一般)立即交易代码:MM01ÐÂÔöÎïÁÏ/ÎïÁÏÇåµ¥/¹¤ÒÕ/¹¤×÷ÖÐÐÄÁ÷³Ìpp08Ñз¢²¿²ÆÎñ²¿AÓÉÊý¾Ýά»¤²¿ÃÅÖ÷¹ÜÉóºËÎïÁÏÖ÷Êý¾Ýά»¤µ¥¸ù¾ÝÒѺË×¼±íµ¥Î¬»¤ÏµÍ³Êý¾ÝMM01/CS01/CA01/CR01Êý¾ÝÊÇ·ñÕýÈ·×ÔÖÆ±ê׼Ʒ³É±¾¹ÀËãÁ÷³ÌNoÐÂÔö¹¤ÒÕ/¹¤×÷ÖÐÐÄÐèÇóÈ·¶¨ÐÂÔöÎïÁϵÄÏà¹Ø¹¤ÒÕ·Ïß/¹¤×÷ÖÐÐÄÊÇ·ñÒªÐÂÔö¹¤ÒÕ/¹¤×÷ÖÐÐÄÊý¾ÝÌîд¹¤ÒÕ/¹¤×÷ÖÐÐÄÊý¾Ý¸´ÖÆÏִ湤ÒÕ/¹¤×÷ÖÐÐIJÎÊýÎïÁϹ¤ÒÕ/¹¤×÷ÖÐÐÄÊý¾Ýά»¤µ¥ÓÉÉú²ú²¿Ö÷¹ÜÉóºËÐ޸ŤÒÕ/¹¤×÷ÖÐÐÄÐÅÏ¢ºË×¼·ñYesNoNoÉú²ú²¿BYesAÎïÁϽṹÇåµ¥YesÓÉÑз¢²¿´æµµ±¸·Ý±¨±í2/2第4页共4页第3页共4页编号:时间:2021年x月x日书山有路勤为径,学海无涯苦作舟页码:第4页共4页3.3.系统屏幕及栏位解释栏位名称栏位说明资料范例物料XX系统内部给号产业XXM物料类型XX服务AOF按键进入下一个画面。在“栏位名称”这一栏请列示在上述屏幕上出现的所有需受训者了解的栏位名称。在“栏位说明”这一栏需要进行详细解释。如:“物料类型”栏位,必须解释该栏位的定义是什么;在系统中该栏位控制什么;在何种情况下,使用哪种物料类型等。在“资料范例”这一栏列示培训所选范例所用到的栏位内容。

1、当您付费下载文档后,您只拥有了使用权限,并不意味着购买了版权,文档只能用于自身使用,不得用于其他商业用途(如 [转卖]进行直接盈利或[编辑后售卖]进行间接盈利)。
2、本站所有内容均由合作方或网友上传,本站不对文档的完整性、权威性及其观点立场正确性做任何保证或承诺!文档内容仅供研究参考,付费前请自行鉴别。
3、如文档内容存在违规,或者侵犯商业秘密、侵犯著作权等,请点击“违规举报”。

碎片内容

新增物料、物料清单工艺、工作中心流程、

中小学教育精品资料+ 关注
实名认证
内容提供者

中小学教育资料,优质文档创作者

确认删除?
VIP
微信客服
  • 扫码咨询
会员Q群
  • 会员专属群点击这里加入QQ群
客服邮箱
回到顶部