电脑桌面
添加小米粒文库到电脑桌面
安装后可以在桌面快捷访问

石油化工企业安全生产责任目标考评细则VIP免费

石油化工企业安全生产责任目标考评细则_第1页
1/7
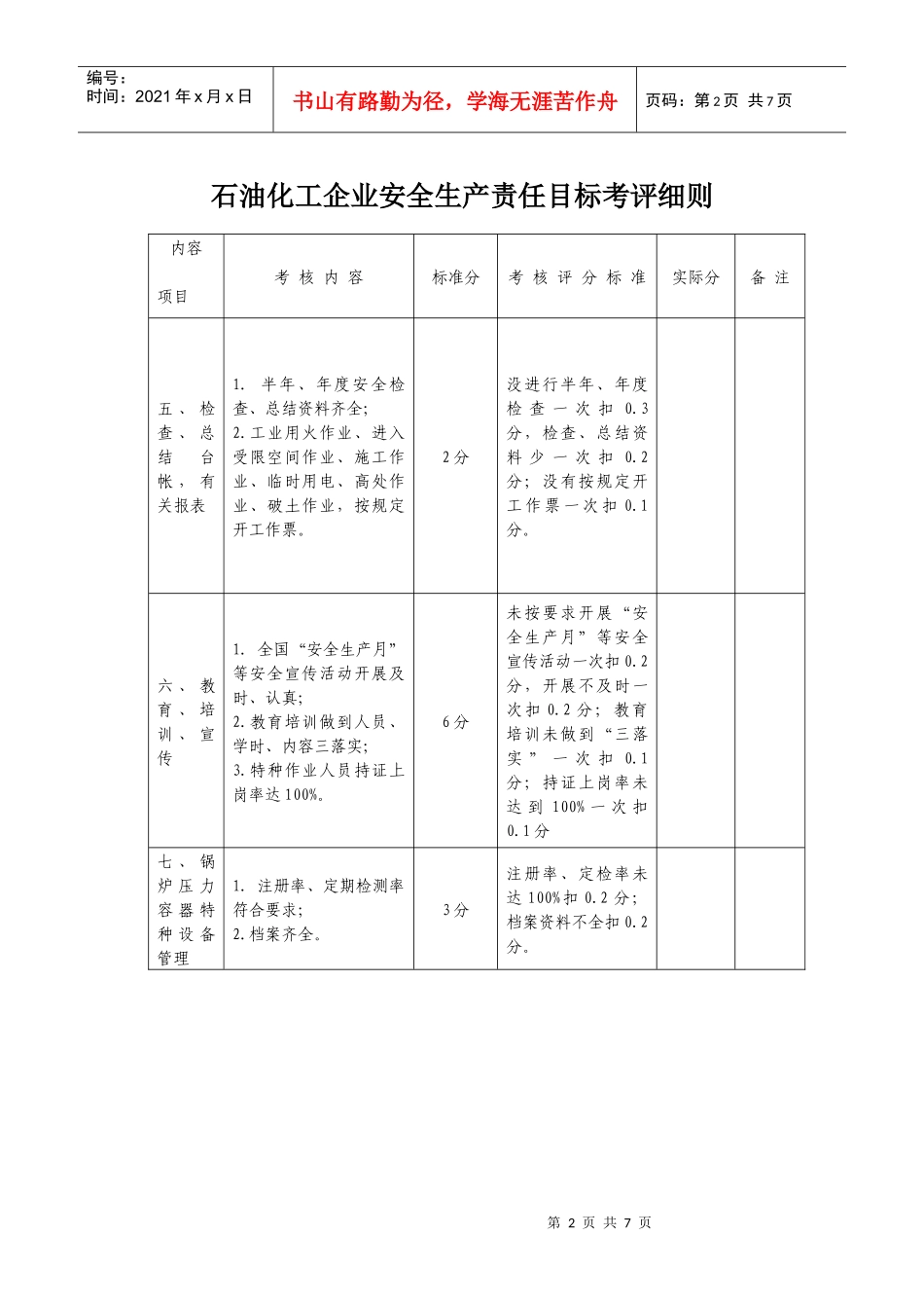
石油化工企业安全生产责任目标考评细则_第2页
2/7
石油化工企业安全生产责任目标考评细则_第3页
3/7
第1页共7页编号:时间:2021年x月x日书山有路勤为径,学海无涯苦作舟页码:第1页共7页石油化工企业安全生产责任目标考评细则内容项目考核内容标准分考核评分标准实际分备注一、组织机构1.安全生产委员会、安全管理部门健全;2.按要求配备专(兼)职安全管理干部。6分组织机构不健全扣2分;没按要求配备安全管理干部扣2分。(本项标准分扣完为止,下同)二、安全生产委员会活动1.每季度召开一次会议,解决问题及时认真;2.年度计划、技措经费、企业隐患治理项目等落实,执行制度认真,采取措施有效。6分每少开一次会议扣0.3分,记录不全扣0.2分;技措经费、企业隐患治理项目等不落实各扣0.3分;计划少一次扣0.1分;制度、措施执行不力扣0.2分;解决问题不及时扣0.2分。三、管理制度1.岗位安全职责、技术操作规程、规章制度健全;2.风险评估、应急预案及风险削减计划(措施)齐全。6分岗位职责、操作规程、规章制度不健全各扣0.2分;没有各扣0.3分;没有风险评估、应急预案,各扣0.3分。四、事故档案管理1.坚持“四不放过”的原则。事故调查报告等事故处理的各项记录齐全真实;2.无瞒报事故。6分事故调查处理资料不全扣0.3分;有事故无记录资料扣1分;瞒报事故,按“不达标单位”处理。第2页共7页第1页共7页编号:时间:2021年x月x日书山有路勤为径,学海无涯苦作舟页码:第2页共7页石油化工企业安全生产责任目标考评细则内容项目考核内容标准分考核评分标准实际分备注五、检查、总结台帐,有关报表1.半年、年度安全检查、总结资料齐全;2.工业用火作业、进入受限空间作业、施工作业、临时用电、高处作业、破土作业,按规定开工作票。2分没进行半年、年度检查一次扣0.3分,检查、总结资料少一次扣0.2分;没有按规定开工作票一次扣0.1分。六、教育、培训、宣传1.全国“安全生产月”等安全宣传活动开展及时、认真;2.教育培训做到人员、学时、内容三落实;3.特种作业人员持证上岗率达100%。6分未按要求开展“安全生产月”等安全宣传活动一次扣0.2分,开展不及时一次扣0.2分;教育培训未做到“三落实”一次扣0.1分;持证上岗率未达到100%一次扣0.1分七、锅炉压力容器特种设备管理1.注册率、定期检测率符合要求;2.档案齐全。3分注册率、定检率未达100%扣0.2分;档案资料不全扣0.2分。第3页共7页第2页共7页编号:时间:2021年x月x日书山有路勤为径,学海无涯苦作舟页码:第3页共7页八、劳动防护1.个人劳动防护用品按标准发放、记录台账齐全;2.特殊工种岗位人员保健按标准发放,资料齐全。5分没有按标准发放劳动保护用品一次扣0.2分,资料不全扣0.1分;特殊岗位人员保健津贴未发放一次扣0.3分。石油化工企业安全生产责任目标考评细则内容项目考核内容标准分考核评分标准实际分备注九、工业卫生从事有毒有害作业人员定期体检及治疗落实6分从事有毒有害作业人员未定期体检扣0.2分;职业病患者未及时治疗各扣0.2分。十、安全活动及记录按要求开展“安全生产月”等活动,记录真实、整洁2分“安全生产月”等活动未开展扣0.3分;记录不认真、不全各扣0.2分。十一、考核、奖罚考核认真、奖罚严明4分考核、奖罚资料记录每缺一项扣0.1分。十二、教育培训教育培训有计划,认真落实、记录详细6分没有计划扣0.2分;记录不全扣0.2分。第4页共7页第3页共7页编号:时间:2021年x月x日书山有路勤为径,学海无涯苦作舟页码:第4页共7页十三、场地1.场地平整,布置规范,环境清洁无污染,责任区划分明确;2.施工用具设备摆放整齐,施工完毕做到工完料净场地清;3.水、电、暖、气、油管线安装标准。设备设施摆放整洁无隐患;4.爆炸物品、有毒有害物品有专人管理,按规定发放使用。3分场地布置不规范、不整洁、责任区不明确,各扣0.1分;施工用具设备摆放不整齐,扣0.1分;没有做到工完料净场地清扣0.1分;水、电、暖、气、油管、线安装不标准扣0.1分;有泄漏污染扣0.1分;有隐患扣0.1分;爆炸物品、有毒有害物品保管不善扣0.2分;有泄漏污染扣0.2分;有遗失扣0.3分。石油化工企业安全生产责任目标考评细则内容项目考核内容标准分考核评分标准实际分备注十四、班组1.班组安全记录认真整洁;2.岗位设备、工具清...

1、当您付费下载文档后,您只拥有了使用权限,并不意味着购买了版权,文档只能用于自身使用,不得用于其他商业用途(如 [转卖]进行直接盈利或[编辑后售卖]进行间接盈利)。
2、本站所有内容均由合作方或网友上传,本站不对文档的完整性、权威性及其观点立场正确性做任何保证或承诺!文档内容仅供研究参考,付费前请自行鉴别。
3、如文档内容存在违规,或者侵犯商业秘密、侵犯著作权等,请点击“违规举报”。

碎片内容

石油化工企业安全生产责任目标考评细则

您可能关注的文档

确认删除?
VIP
微信客服
  • 扫码咨询
会员Q群
  • 会员专属群点击这里加入QQ群
客服邮箱
回到顶部