电脑桌面
添加小米粒文库到电脑桌面
安装后可以在桌面快捷访问

路基试验段施工技术方案VIP免费

路基试验段施工技术方案_第1页
1/11
路基试验段施工技术方案_第2页
2/11
路基试验段施工技术方案_第3页
3/11
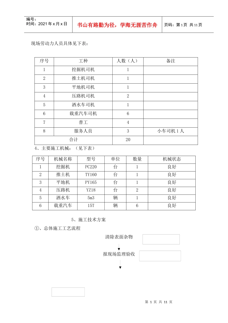
成武高速公路第十合同段路基工程试验段方案(K48+400~K48+605)编制:审核:项目经理:--高速---合同项目经理部---年----月-----日组长:杨国员副组长:董玉成工程部:章开安质部:李映试验:田菊爱测量:陈太风路基施工队挖掘机司机推土机司机-平地机司机-洒水车司机-压路机司机-运输车司机-一、试验段概况:1、里程桩号:K44+900~K45+040,本段路基总长140m,地势平坦,障碍物少,路基右侧为省道205线,交通运输条件良好,施工车辆出入方便。2、试验施工时间在2011年5月10日~2011年5月31日进行。3、设计技术要求:⑴、路基应分层填筑均匀压实,填料应用指定的料场且经过试验后方能填筑;最大松铺厚度不大于30cm,也不小于10cm,同种材料填筑层累计厚度不小于50cm。二、试验目的:通过土工试验和现场工艺试验,确定适用于路基填筑的材料,选择合适的碾压机械,确定不同松铺厚度、静压及振动碾压遍数、碾压速度等,从而确定一套合理的路堤填筑施工工艺参数。三、试验段施工组织安排:1、组织机构试验段组织机构总负责人由项目经理部总工杨国员担任,项目经理部工程、试验、测量、质量、安全等部门全力配合施工,并适时进行监控。组织机构如图所示:试验段组织机构图3、劳动力组织:第1页共11页编号:时间:2021年x月x日书山有路勤为径,学海无涯苦作舟页码:第1页共11页现场劳动力人员具体见下表:序号工种人数(人)备注1挖掘机司机12推土机司机13平地机司机14压路机司机25洒水车司机16载重汽车司机67普工48服务人员3小车司机1人合计204、主要施工机械:(见下表)5、施工技术方案①、总体施工工艺流程清除表面杂物报现场监理验收序号机械名称型号单位数量机械状态1挖掘机PC220台1良好2推土机TY160台1良好3平地机PY165台1良好4压路机YZ18台2良好5洒水车5m3辆1良好6载重汽车15T辆6良好第2页共11页第1页共11页编号:时间:2021年x月x日书山有路勤为径,学海无涯苦作舟页码:第2页共11页原地面翻晒初平稳压,测定含水量高程控制平整碾压成型,压实度测量报现场监理验收,合格按设计要求打格上土推平翻晒第3页共11页第2页共11页砍树挖出树根清除耕植土层清除原地面杂草报现场监理验收,合格编号:时间:2021年x月x日书山有路勤为径,学海无涯苦作舟页码:第3页共11页初平稳压高程控制平整第一次碾压取得试验数据满足要求,报监理认可转入下道工序②、分项施工工艺流程:a、清除原地表面杂物b、施工测量放样加密中线、水准点复测报监理认可放出路基中桩放出路基边桩、坡脚线报现场监理认可对施工人员进行技术交底第4页共11页第3页共11页测量放线人工配合机械作业整修技术人员验收翻晒测定含水量报监理认可初压测定含水量报监理认可初压测定压实度复压测定压实度报监理检查验收满足设计技术要求转入下道工序按设计要求打方格按填筑厚度上土方推土机整平检查松铺厚度报监理现场验收转入下道工序测定含水量含水量不足洒水含水量偏大晾晒整平测定含水量编号:时间:2021年x月x日书山有路勤为径,学海无涯苦作舟页码:第4页共11页c、开挖排水沟:d、原地面翻晒e、原地面碾压成型f、打格填筑土方g、整平翻土晾晒第5页共11页第4页共11页编号:时间:2021年x月x日书山有路勤为径,学海无涯苦作舟页码:第5页共11页h、碾压测定技术数据6、具体施工技术要点⑴、将清表后的原地面翻晒,用酒精烧法测定土的含水量,当接近(2~3%)最佳含水量。⑵、初平和稳压:用YZ18振动压路机静压一遍,使表面基本平整,恢复中桩、边桩。⑶、整平:采用平地机整平(高程控制),利用原地面自然坡度排水,填平坑洼地。⑷、碾压:经检测含水量适中后(稍大于最佳含水量)用YZ18振动压路机碾压2-3遍,遵循先快后慢,先低后高的碾压顺序进行碾压,直至压实度达90%以上。⑸、打格上土:上土前,将中桩、边桩位置固定,并在桩顶挂线。根据天然土的密度和最大干密度的对比可推算一个压实方需要多少方天然土,用石灰打格上土来控制土层的厚度,并保证路基超宽每侧30~50cm,从而有效的控制路基的填筑质量及边坡的稳定性。⑹、推平翻晒:将格中的土推平,并在中桩、边桩桩顶挂线,以控制松铺厚度(打灰点控制松铺厚度30cm)...

1、当您付费下载文档后,您只拥有了使用权限,并不意味着购买了版权,文档只能用于自身使用,不得用于其他商业用途(如 [转卖]进行直接盈利或[编辑后售卖]进行间接盈利)。
2、本站所有内容均由合作方或网友上传,本站不对文档的完整性、权威性及其观点立场正确性做任何保证或承诺!文档内容仅供研究参考,付费前请自行鉴别。
3、如文档内容存在违规,或者侵犯商业秘密、侵犯著作权等,请点击“违规举报”。

碎片内容

路基试验段施工技术方案

确认删除?
VIP
微信客服
  • 扫码咨询
会员Q群
  • 会员专属群点击这里加入QQ群
客服邮箱
回到顶部