电脑桌面
添加小米粒文库到电脑桌面
安装后可以在桌面快捷访问

纺织企业安全生产分级评定标准VIP免费

纺织企业安全生产分级评定标准_第1页
1/61
纺织企业安全生产分级评定标准_第2页
2/61
纺织企业安全生产分级评定标准_第3页
3/61
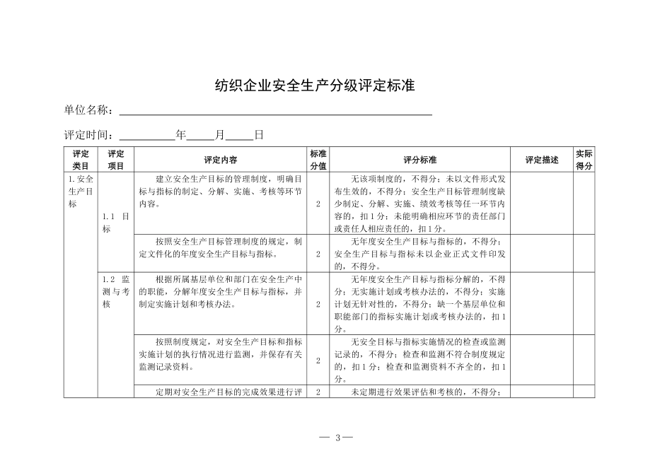
纺织企业安全生产分级评定标准评定说明1.本评定标准适用于棉纺、织造、化纤、染整、成衣等纺织企业,其他纺织企业参照执行。2.本评定标准共13项评定类目、51项评定项目和153条评定内容。3.在本评定标准的“评定描述”列中,企业及初评单位应根据“评定内容”和“评定办法”的有关要求,针对企业实际情况,如实进行扣分点说明、描述,并在自评扣分点及原因说明汇总表(见附表)中逐条列出。4.本评定标准中累计扣分的,直到该评定内容分数扣完为止,不得出现负分。有需要追加扣分的,在该评定类目内进行扣分,也不得出现负分。5.在6.2设备设施运行管理部分中“专用设备(一)至(五)”分别列举了棉纺、织造、化纤、染整、成衣等五类专用设备,每类专用设备均为40分,参评企业根据各自生产性质选择一类进行评定,其他类别不再评定、分数不计入总分。在7.1生产现场管理和生产过程控制部分中“生产过程控制(一)至(五)”分别列举了棉纺、织造、化纤、染整、成衣等五类生产过程控制要求,每类生产过程控制均为40分,参评企业根据各自生产性质选择一类进行评定,其他类别不再评定、分数不计入总分。—1—6.本评定标准共计1000分。最终初评评分换算成百分制,换算公式如下:❑❑最后得分采用四舍五入,取小数点后一位数。7.安全生产分级等级分为A级、B级、C级、D级,A级为最高。评定所对应的等级须同时满足得分和安全绩效等要求,取最低的等级来确定企业安全生产分级的等级(见下表)。评定等级分级得分安全绩效A级≥90评定之日前一年无死亡事故B级≥75评定之日前一年内,企业死亡人员不超过1人。C级≥60评定之日前一年内未发生较大生产安全事故或2起以上一般安全生产事故。D级≤60评定之日前一年内发生较大生产安全事故或2起以上一般安全生产事故。8.纺织企业安全生产分级评分标准评定程序、有效期等按照《长春市企事业单位安全生产分类分级管理办法》中有关要求执行。—2—纺织企业安全生产分级评定标准单位名称:评定时间:年月日评定类目评定项目评定内容标准分值评分标准评定描述实际得分1.安全生产目标1.1目标建立安全生产目标的管理制度,明确目标与指标的制定、分解、实施、考核等环节内容。2无该项制度的,不得分;未以文件形式发布生效的,不得分;安全生产目标管理制度缺少制定、分解、实施、绩效考核等任一环节内容的,扣1分;未能明确相应环节的责任部门或责任人相应责任的,扣1分。按照安全生产目标管理制度的规定,制定文件化的年度安全生产目标与指标。2无年度安全生产目标与指标的,不得分;安全生产目标与指标未以企业正式文件印发的,不得分。1.2监测与考核根据所属基层单位和部门在安全生产中的职能,分解年度安全生产目标与指标,并制定实施计划和考核办法。2无年度安全生产目标与指标分解的,不得分;无实施计划或考核办法的,不得分;实施计划无针对性的,不得分;缺一个基层单位和职能部门的指标实施计划或考核办法的,扣1分。按照制度规定,对安全生产目标和指标实施计划的执行情况进行监测,并保存有关监测记录资料。2无安全目标与指标实施情况的检查或监测记录的,不得分;检查和监测不符合制度规定的,扣1分;检查和监测资料不齐全的,扣1分。定期对安全生产目标的完成效果进行评2未定期进行效果评估和考核的,不得分;—3—评定类目评定项目评定内容标准分值评分标准评定描述实际得分估和考核,根据考核评估结果,及时调整安全生产目标和指标的实施计划。评估结果、实施计划的调整、修改记录应形成文件并加以保存。未及时调整实施计划的,不得分;调整后的目标与指标以及实施计划未以文件形式颁发的,扣1分;记录资料保存不齐全的,扣1分。小计10得分小计2.组织机构和职责2.1组织机构和人员按规定设置安全管理机构或配备安全管理人员。4未设置或配备的,不得分;未以文件形式进行设置或任命的,不得分;设置或配备不符合规定的,每处扣1分;扣满4分的,追加扣除10分。根据有关规定和企业实际,设立安全生产领导机构。3未设立的,不得分;未以文件形式任命的,扣1分;成员未包括主要负责人、部门负责人等相关人员的,扣1分。安全生产领导机构每季度应至少...

1、当您付费下载文档后,您只拥有了使用权限,并不意味着购买了版权,文档只能用于自身使用,不得用于其他商业用途(如 [转卖]进行直接盈利或[编辑后售卖]进行间接盈利)。
2、本站所有内容均由合作方或网友上传,本站不对文档的完整性、权威性及其观点立场正确性做任何保证或承诺!文档内容仅供研究参考,付费前请自行鉴别。
3、如文档内容存在违规,或者侵犯商业秘密、侵犯著作权等,请点击“违规举报”。

碎片内容

纺织企业安全生产分级评定标准

您可能关注的文档

中小学文库+ 关注
实名认证
内容提供者

精品资料应用尽有

确认删除?
VIP
微信客服
  • 扫码咨询
会员Q群
  • 会员专属群点击这里加入QQ群
客服邮箱
回到顶部